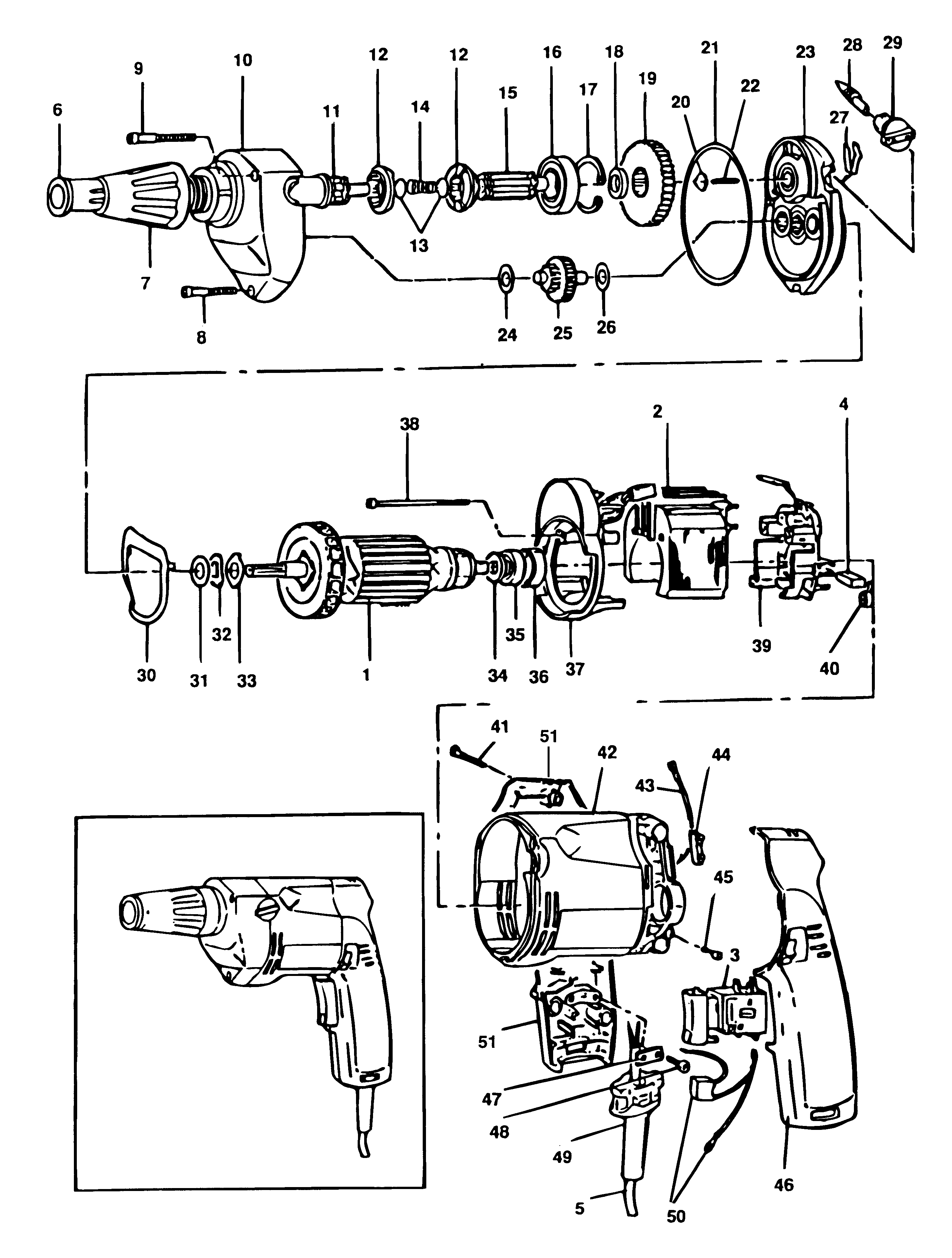
P7314 CACCIAVITE Type 1 | Disegni
Documenti
Si prega di visualizzare il menu a tendina dal momento che alcuni prodotti potrebbero avere più disegni
| Item No. | Product Number | Qty Per | Product Description | INFORMAZIONI | Altre informazioni | Markets | Product Status | Guida ai prezzi |
|---|---|---|---|---|---|---|---|---|
| 1 | 936825 | 1 | INDOTTO | SG 115V | IT | ![]() |
96.24 EUR | |
| 1 | 936825 | 1 | INDOTTO | AE-MX-PA-VE 115V | IT | ![]() |
96.24 EUR | |
| 1 | 936395 | 1 | INDOTTO | IT | ![]() |
34.06 EUR | ||
| 2 | 932154 | 1 | STATORE | IT | ![]() |
32.42 EUR | ||
| 2 | 932153 | 1 | STATORE | SG 115V | IT | ![]() |
41.96 EUR | |
| 2 | 932153 | 1 | STATORE | AE-MX-PA-VE 115V | IT | ![]() |
41.96 EUR | |
| 4 | 931235-00 | 2 | BRUSH 230V | IT | ![]() |
1.54 EUR | ||
| 4 | 932047 | 2 | SPAZZOLE | SG 115V | IT | ![]() |
1.54 EUR | |
| 4 | 932047 | 2 | SPAZZOLE | AE-MX-PA-VE 115V | IT | ![]() |
1.54 EUR | |
| 5 | 949843-04 | 1 | CAVO | SG 115V | IT | |||
| 5 | 949843-04 | 1 | CAVO | AE-MX-PA-VE 115V | IT | |||
| 5 | 949843-12 | 1 | CAVO | IT | ![]() |
10.05 EUR | ||
| 6 | 933014 | 1 | GUAINA ISOLANTE | IT | ![]() |
1.33 EUR | ||
| 7 | 934263 | 1 | PUNTA | IT | ![]() |
5.54 EUR | ||
| 8 | 931297-00 | 1 | VITE | IT | ![]() |
1.54 EUR | ||
| 9 | 931298 | 2 | VITE | IT | ![]() |
1.00 EUR | ||
| 10 | 932969-00 | 1 | SCATOLA INGRANAGGI | IT | ![]() |
36.12 EUR | ||
| 11 | 932986 | 1 | ALBERO | IT | ![]() |
32.42 EUR | ||
| 12 | 932990 | 2 | GIUNTO | IT | ![]() |
10.05 EUR | ||
| 13 | 932991 | 2 | ASS. ANELLO | IT | ![]() |
1.00 EUR | ||
| 14 | 932984 | 1 | MOLLA | IT | ![]() |
1.00 EUR | ||
| 15 | 932983 | 1 | PORTAUTENSILE | IT | ![]() |
22.98 EUR | ||
| 16 | 932971 | 1 | CUSCINETTO | IT | ![]() |
12.67 EUR | ||
| 17 | 934392 | 1 | ANELLO D'ARRESTO | IT | ![]() |
1.10 EUR | ||
| 18 | 932992 | 1 | DISTANZIALE | IT | ![]() |
3.80 EUR | ||
| 19 | 932995 | 1 | INGRANAGGI | IT | ![]() |
10.05 EUR | ||
| 20 | 934378 | 1 | ANELLO | IT | ![]() |
1.00 EUR | ||
| 21 | 931286 | 1 | GUARNIZIONE | IT | ![]() |
1.10 EUR | ||
| 22 | 932985 | 1 | RULLO | IT | ![]() |
1.44 EUR | ||
| 23 | 934261 | 1 | ASS.COP.SCAT.INGR. | IT | ![]() |
11.39 EUR | ||
| 24 | 932269 | 1 | RONDELLA | IT | ![]() |
1.00 EUR | ||
| 25 | 936928 | 1 | INGRANAG. & PIGNONE | IT | ![]() |
25.24 EUR | ||
| 26 | 930102-00 | 1 | RONDELLA | IT | ![]() |
5.54 EUR | ||
| 27 | 933021 | 1 | MOLLA | IT | ![]() |
1.00 EUR | ||
| 28 | 933022 | 1 | SCREW.TEMP | IT | ![]() |
8.52 EUR | ||
| 29 | 933020 | 1 | MANOPOLA | IT | ![]() |
1.54 EUR | ||
| 30 | 935678 | 1 | MOLLA | IT | ![]() |
1.20 EUR | ||
| 31 | 931250 | 1 | RONDELLA | IT | ![]() |
1.00 EUR | ||
| 32 | 931249 | 1 | RONDELLA | IT | ![]() |
1.00 EUR | ||
| 33 | 934951 | 1 | RONDELLA SPECIALE | IT | ![]() |
1.00 EUR | ||
| 34 | 931245 | 1 | DISTANZIALE | IT | ![]() |
1.10 EUR | ||
| 35 | 330003-02 | 1 | CUSCINETTO | IT | ![]() |
4.21 EUR | ||
| 36 | 930275-00 | 1 | MANICOTTO | IT | ![]() |
2.67 EUR | ||
| 37 | 931279 | 1 | ELECTRONIC 240V | IT | ![]() |
29.65 EUR | ||
| 37 | 931280 | 1 | ELECTRONIC 115V | SG 115V | IT | ![]() |
20.52 EUR | |
| 37 | 931280 | 1 | ELECTRONIC 115V | AE-MX-PA-VE 115V | IT | ![]() |
20.52 EUR | |
| 38 | 933541 | 2 | VITE | IT | ![]() |
1.10 EUR | ||
| 39 | 931231-00 | 1 | ASS. PORTASPAZZOLE | IT | ![]() |
29.65 EUR | ||
| 39 | 931231-01 | 1 | BRUSHBOX | SG 115V | IT | |||
| 39 | 931231-01 | 1 | BRUSHBOX | AE-MX-PA-VE 115V | IT | |||
| 40 | 931221-00 | 2 | MOLLA | IT | ![]() |
1.00 EUR | ||
| 41 | 930079-01 | 4 | VITE | IT | ![]() |
1.00 EUR | ||
| 42 | 933945 | 1 | CORPO MOTORE | IT | ![]() |
5.54 EUR | ||
| 43 | 931303 | 1 | CAVETTO | SG 115V | IT | ![]() |
1.44 EUR | |
| 43 | 931303 | 1 | CAVETTO | AE-MX-PA-VE 115V | IT | ![]() |
1.44 EUR | |
| 43 | 931303 | 1 | CAVETTO | IT | ![]() |
1.44 EUR | ||
| 44 | 930187 | 1 | CONNETTORE | IT | ![]() |
1.20 EUR | ||
| 45 | 931254-00 | 1 | VITE | IT | ![]() |
1.00 EUR | ||
| 46 | 936219 | 1 | ASS. IMPUGNATURA | IT | ![]() |
4.87 EUR | ||
| 47 | 930103-00 | 1 | SERRAFILO | IT | ![]() |
1.00 EUR | ||
| 48 | 930276 | 2 | VITE | IT | ![]() |
1.00 EUR | ||
| 49 | 931113-00 | 1 | CORD PROTECTOR | SG 115V | IT | ![]() |
1.44 EUR | |
| 49 | 931113-00 | 1 | CORD PROTECTOR | AE-MX-PA-VE 115V | IT | ![]() |
1.44 EUR | |
| 49 | 931113-00 | 1 | CORD PROTECTOR | IT | ![]() |
1.44 EUR | ||
| 50 | 931300-00 | 1 | ASS. CONDENSATRORE | IT | ![]() |
2.87 EUR | ||
| 51 | 931252 | 1 | SEMI IMPUGNATURA | IT | ![]() |
2.67 EUR | ||
| 60 | 932989 | 1 | SFERA D'ACCIAIO | PARTS NOT DRAWN | IT | ![]() |
1.00 EUR | |
| 61 | 932988 | 1 | ANELLO D'ARRESTO | PARTS NOT DRAWN | IT |
* I prezzi indicati possono subire variazioni e non sono inclusivi di IVA ed eventuali spese di trasporto. Ci riserviamo la possibilità di variare i prezzi e le condizioni senza preavviso.

