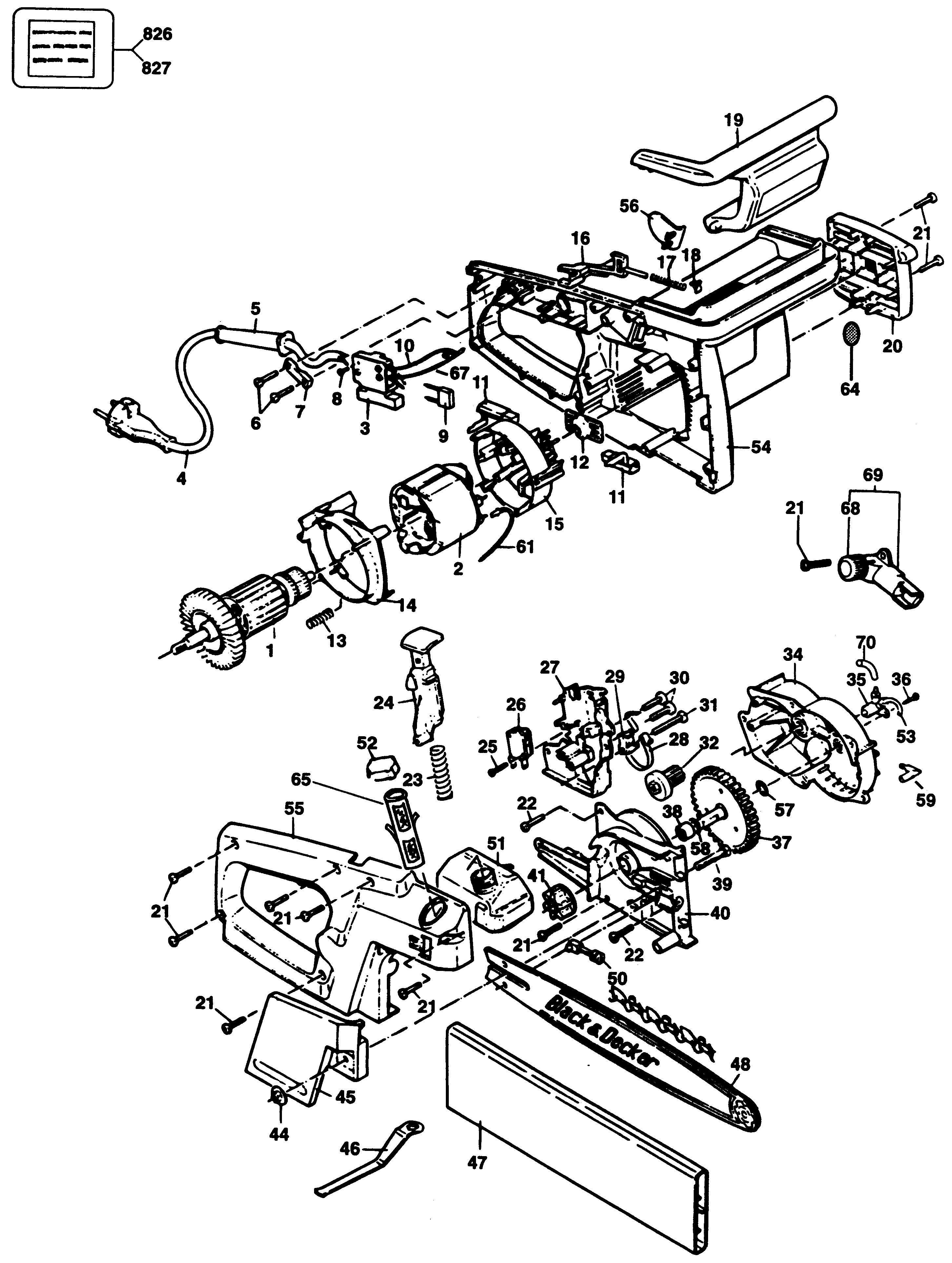
GK321 FRENO A CATENA Type 1 | Disegni
Documenti
Si prega di visualizzare il menu a tendina dal momento che alcuni prodotti potrebbero avere più disegni

Item No. | Product Number | Qty Per | Product Description | INFORMAZIONI | Altre informazioni | Markets | Product Status | Guida ai prezzi |
---|---|---|---|---|---|---|---|---|
1 | NLS | 1 | NON STRUTTURATO | IT | ![]() |
0.01 EUR | ||
2 | 327429-10 | 1 | FIELD 230V | IT | ![]() |
27.91 EUR | ||
3 | 323631-00 | 1 | INTERRUTTORE | IT | ![]() |
4.87 EUR | ||
4 | 324438-01 | 1 | CORDSET (EURO) | IT | ![]() |
3.80 EUR | ||
5 | 859013 | 1 | MANICOTTO | IT | ![]() |
1.54 EUR | ||
6 | 954567 | 2 | VITE | IT | ![]() |
1.00 EUR | ||
7 | 302002 | 1 | SERRAFILO PER CAVO | IT | ![]() |
1.10 EUR | ||
8 | 734892 | 4 | VITE | IT | ![]() |
1.00 EUR | ||
9 | 321384 | 1 | CONDENSATORE | IT | ![]() |
1.44 EUR | ||
11 | 370983-02 | 2 | BRUSH & HOLDER 230V | IT | ![]() |
2.26 EUR | ||
12 | 853685 | 1 | ASS. DISSIPATORE | IT | ![]() |
2.87 EUR | ||
13 | 853710 | 2 | MOLLA | IT | ![]() |
1.00 EUR | ||
14 | 853711 | 1 | SUPPORTO | IT | ![]() |
2.26 EUR | ||
15 | 323855-00 | 1 | SUPPORTO | TYPE D2-D3 | IT | ![]() |
8.52 EUR | |
16 | 842564 | 1 | PULSANTE SGANCIO | IT | ![]() |
1.33 EUR | ||
17 | 736928 | 1 | MOLLA | IT | ![]() |
1.00 EUR | ||
18 | 325701-00 | 1 | GRAFFA | IT | ![]() |
1.10 EUR | ||
19 | 736735 | 1 | LEVA | IT | ![]() |
8.52 EUR | ||
20 | 323462-04 | 1 | COPERTURA TERMINALE | TYPE D2-D3 | IT | ![]() |
4.21 EUR | |
21 | 954567 | 9 | VITE | IT | ![]() |
1.00 EUR | ||
22 | 954183 | 2 | VITE | IT | ![]() |
1.00 EUR | ||
23 | 842771 | 1 | MOLLA | IT | ![]() |
1.10 EUR | ||
24 | 842912-01 | 1 | LEVA | IT | ![]() |
2.00 EUR | ||
25 | 809986-00 | 1 | VITE | IT | ![]() |
1.10 EUR | ||
26 | 323341-02 | 1 | INTERRUTTORE | IT | ![]() |
2.87 EUR | ||
27 | 326013-00 | 1 | ASS. PIASTRA | IT | ![]() |
2.87 EUR | ||
28 | 842565 | 1 | NASTRO FRENO | IT | ![]() |
2.67 EUR | ||
29 | 840774 | 1 | INSERTO | IT | ![]() |
1.20 EUR | ||
30 | 893444 | 2 | VITE | IT | ![]() |
1.00 EUR | ||
31 | 750950 | 1 | VITE | IT | ![]() |
1.00 EUR | ||
32 | 325381-00 | 1 | ASS. INGRANAGGI | IT | ![]() |
10.05 EUR | ||
34 | 323657-01 | 1 | HOUSING BEARING | IT | ![]() |
6.05 EUR | ||
35 | 323546-00 | 1 | POMPA | IT | ![]() |
6.05 EUR | ||
36 | 870702 | 2 | VITE | IT | ![]() |
1.00 EUR | ||
37 | 323449-01 | 1 | INGRANAGGI | IT | ![]() |
8.52 EUR | ||
38 | 330004-06 | 1 | BOCCOLA AD AGHI | IT | ![]() |
2.26 EUR | ||
40 | 323957-00 | 1 | ASS. PEZZO FUSO | IT | ![]() |
12.67 EUR | ||
41 | N542284 | 1 | RUOTA DENTATA | IT | ![]() |
4.87 EUR | ||
41 | N542284 | 1 | RUOTA DENTATA | IT | ![]() |
4.87 EUR | ||
44 | 885628 | 1 | DADO | IT | ![]() |
1.20 EUR | ||
45 | 853736-02 | 1 | COPERTURA | IT | ![]() |
4.21 EUR | ||
46 | 325194-00 | 1 | CHIAVE | IT | ![]() |
1.33 EUR | ||
47 | 376587-02 | 1 | GUAINA DI PROTEZIONE | IT | ![]() |
3.08 EUR | ||
48 | 369090-09 | 1 | BAR CHAIN 35CM | GK321 | IT | ![]() |
32.42 EUR | |
48 | 369090-10 | 1 | BAR CHAIN 40CM | GK331 | IT | ![]() |
32.42 EUR | |
50 | 843666-49 | 1 | ASS. REGOLATORE | IT | ![]() |
3.08 EUR | ||
51 | 323458-01 | 1 | ASS. SERBATOIO | IT | ![]() |
5.54 EUR | ||
52 | 853697 | 1 | CALOTTA | IT | ![]() |
1.10 EUR | ||
53 | 323644-00 | 1 | TUBO FLESSIBILE | IT | ![]() |
1.10 EUR | ||
54 | 322832-00 | 1 | CORPO | IT | ![]() |
18.73 EUR | ||
56 | 323652-00 | 1 | SPINA | IT | ![]() |
1.44 EUR | ||
57 | 323830-00 | 1 | RONDELLA | IT | ![]() |
1.00 EUR | ||
58 | 323753-06 | 1 | RONDELLA | IT | ![]() |
1.10 EUR | ||
59 | 323459-00 | 1 | OLIATORE | IT | ![]() |
1.44 EUR | ||
61 | 853719 | 1 | CAVETTO | IT | ![]() |
1.44 EUR | ||
64 | 323857-01 | 1 | PIASTRA | TYPE D2-D3 | IT | ![]() |
1.00 EUR | |
65 | 323871-00 | 1 | FILTRO | TYPE D2-D3 | IT | ![]() |
2.36 EUR | |
67 | 321730-01 | 1 | ASS. CAVETTO | IT | ||||
68 | 738356-49 | 1 | MANOPOLA | IT | ![]() |
3.08 EUR | ||
70 | 323644-01 | 1 | TUBO FLESSIBILE | IT | ![]() |
1.33 EUR | ||
826 | 323713-00 | 1 | ETICHETTA | IT | ![]() |
1.10 EUR | ||
827 | 323392-03 | 1 | ETICHETTA DI AVVISO | IT | ![]() |
1.10 EUR |
* I prezzi indicati possono subire variazioni e non sono inclusivi di IVA ed eventuali spese di trasporto. Ci riserviamo la possibilità di variare i prezzi e le condizioni senza preavviso.