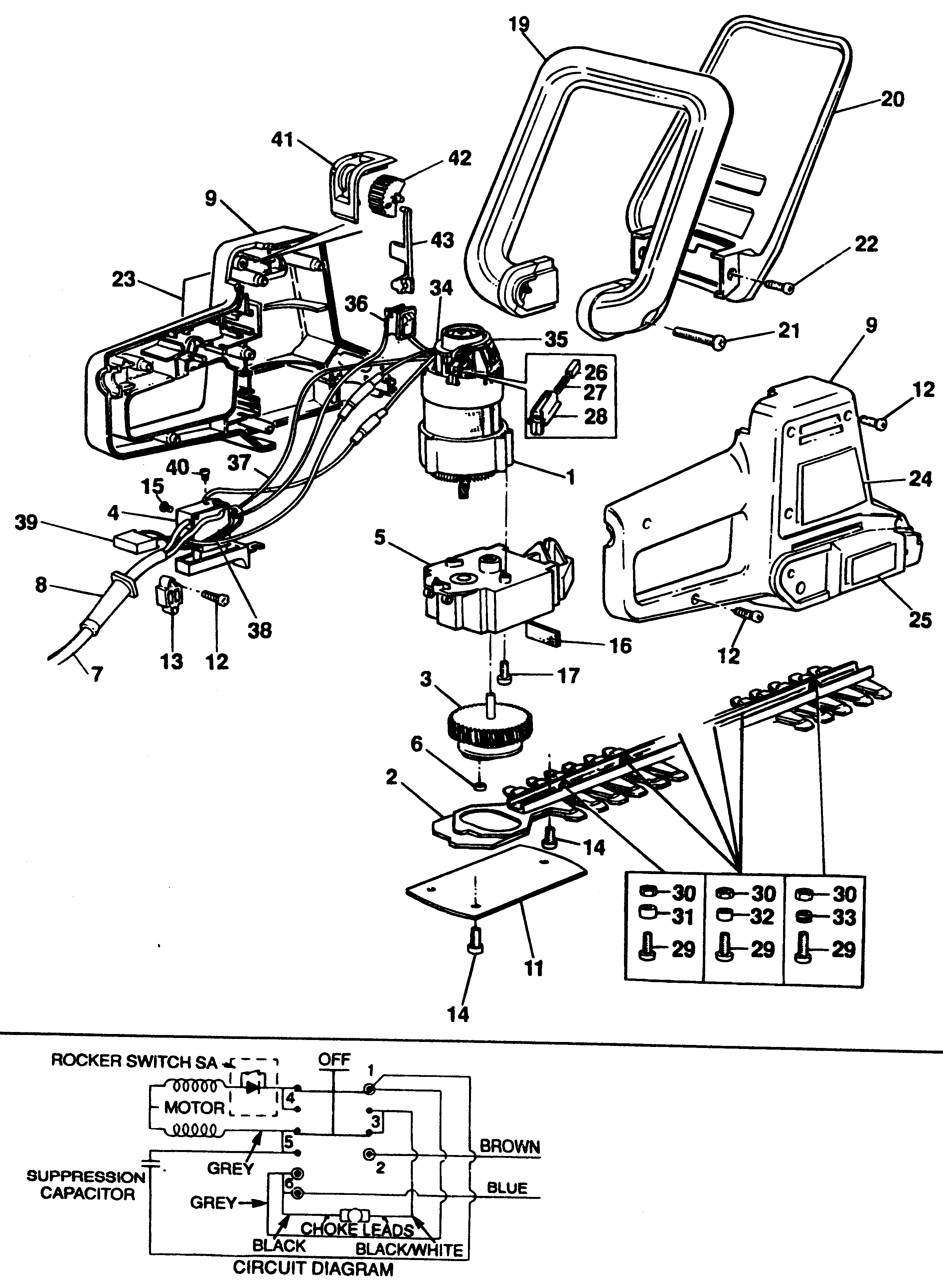
GTE50B HEDGETRIMMER Type 2 | Disegni
Documenti
Si prega di visualizzare il menu a tendina dal momento che alcuni prodotti potrebbero avere più disegni

Item No. | Product Number | Qty Per | Product Description | INFORMAZIONI | Altre informazioni | Markets | Product Status | Guida ai prezzi |
---|---|---|---|---|---|---|---|---|
1 | 376926-09 | 1 | SG MOTORE | XJ | ![]() |
48.22 EUR | ||
2 | 795994-49 | 1 | ASS.LAMA/INGRANAGGI | BLADE H1E-G PRE 1996 | XJ | ![]() |
52.94 EUR | |
4 | 797249-02 | 1 | INTERRUTTORE | XJ | ![]() |
10.05 EUR | ||
5 | 371794-49 | 1 | KIT RIPARAZIONE | XJ | ![]() |
18.73 EUR | ||
6 | 832472 | 1 | RULLO | BLADE H1-D | XJ | ![]() |
4.21 EUR | |
8 | 770235 | 1 | MANICOTTO | XJ | ![]() |
1.10 EUR | ||
9 | 833696 | 1 | CORPO | XJ | ![]() |
12.67 EUR | ||
11 | 371794-49 | 1 | KIT RIPARAZIONE | BLADE H1E-G PRE 1996 | XJ | ![]() |
18.73 EUR | |
11 | 371794-49 | 1 | KIT RIPARAZIONE | BLADE H1-D | XJ | ![]() |
18.73 EUR | |
11 | 370099 | 1 | COPERTURA | BUILT FROM 1996 | XJ | ![]() |
2.26 EUR | |
12 | 849256 | 9 | VITE | XJ | ![]() |
1.00 EUR | ||
13 | 994808 | 1 | SERRAFILO PER CAVO | XJ | ![]() |
1.00 EUR | ||
14 | 809015 | 5 | VITE | BUILT FROM 1996 | XJ | ![]() |
1.00 EUR | |
14 | 747507 | 5 | VITE | BLADE H1-D | XJ | ![]() |
1.10 EUR | |
15 | 854611 | 2 | VITE | XJ | ![]() |
1.00 EUR | ||
16 | 849718 | 1 | TAMPONE | XJ | ![]() |
1.00 EUR | ||
17 | 849256 | 3 | VITE | XJ | ![]() |
1.00 EUR | ||
19 | 829591 | 1 | HANDLE | XJ | ![]() |
5.54 EUR | ||
20 | 829718 | 1 | PROTEZIONE | XJ | ![]() |
2.67 EUR | ||
21 | 745217 | 2 | VITE | XJ | ![]() |
1.10 EUR | ||
22 | 828849 | 2 | VITE | XJ | ![]() |
1.00 EUR | ||
23 | 833209 | 1 | ETICHETTA | XJ | ![]() |
1.10 EUR | ||
26 | 376143 | 2 | SPAZZOLE | XJ | ![]() |
1.10 EUR | ||
27 | 847709 | 2 | MOLLA | XJ | ![]() |
1.00 EUR | ||
28 | 812738 | 2 | PORTASPAZZOLE | XJ | ![]() |
1.10 EUR | ||
29 | 829808 | 6 | VITE | XJ | ![]() |
1.00 EUR | ||
30 | 892153 | 6 | DADO | XJ | ![]() |
1.00 EUR | ||
31 | 829074 | 1 | DISTANZIALE | XJ | ![]() |
2.36 EUR | ||
32 | 829075 | 4 | DISTANZIALE | XJ | ![]() |
1.10 EUR | ||
33 | 829809 | 1 | DISTANZIALE | XJ | ![]() |
4.87 EUR | ||
34 | 833421 | 1 | COPERTURA | XJ | ![]() |
1.20 EUR | ||
35 | 833494 | 1 | LEAD GREY | XJ | ![]() |
1.10 EUR | ||
36 | 747318 | 1 | INTERRUTTORE & DIODO | XJ | ![]() |
8.52 EUR | ||
37 | 833498 | 1 | LEAD GREY | XJ | ![]() |
1.10 EUR | ||
38 | 833500 | 1 | COLLEGAMENTO | XJ | ![]() |
1.00 EUR | ||
39 | 845467 | 1 | CONDENSATORE | XJ | ![]() |
2.67 EUR | ||
40 | 854053 | 2 | VITE | XJ | ![]() |
1.00 EUR | ||
43 | 829852 | 1 | CURSORE | XJ | ![]() |
1.54 EUR |
* I prezzi indicati possono subire variazioni e non sono inclusivi di IVA ed eventuali spese di trasporto. Ci riserviamo la possibilità di variare i prezzi e le condizioni senza preavviso.