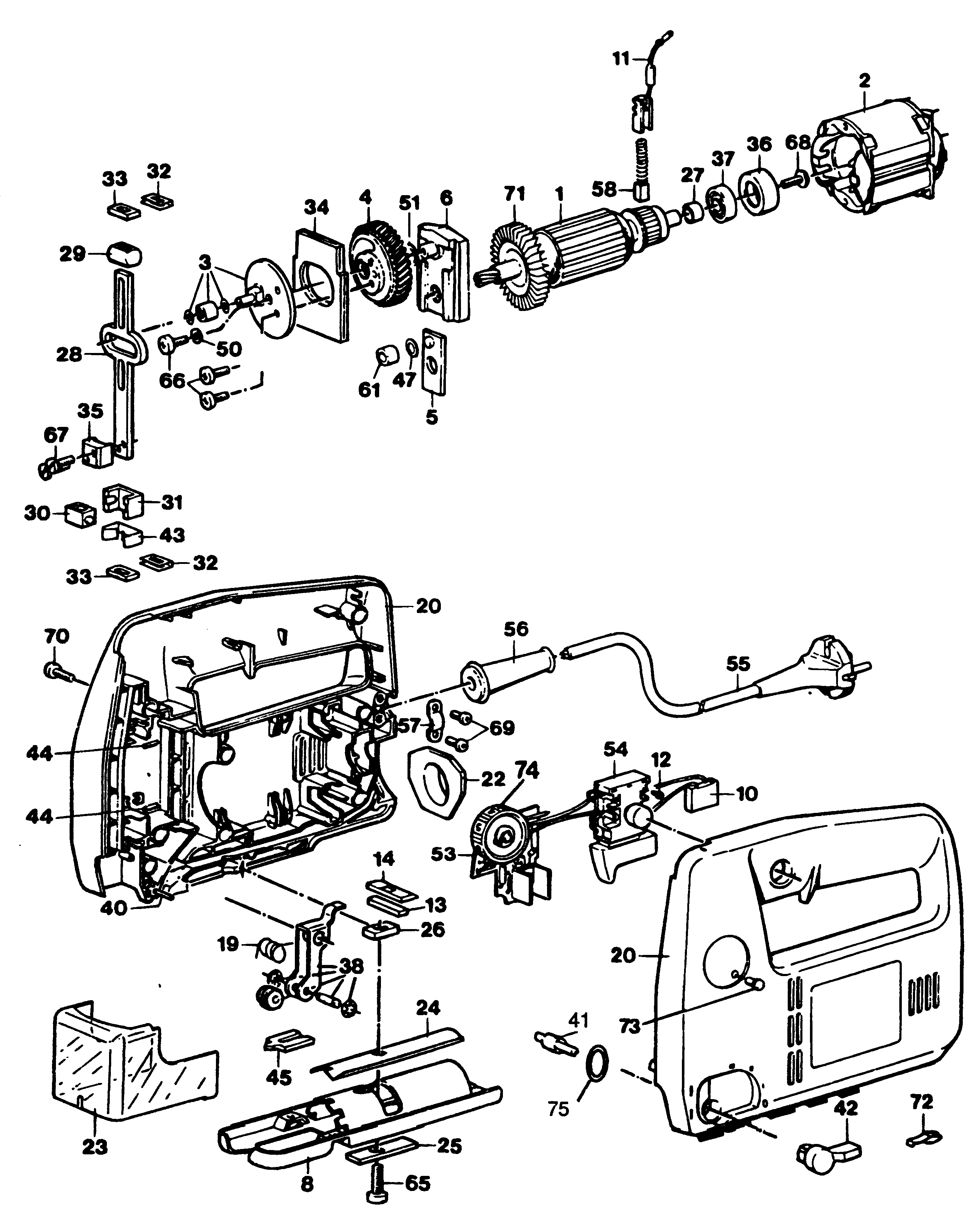
BD547E SEGHETTO ALTERNATIVO Type 1 | Disegni
Documenti
Si prega di visualizzare il menu a tendina dal momento che alcuni prodotti potrebbero avere più disegni
| Item No. | Product Number | Qty Per | Product Description | INFORMAZIONI | Altre informazioni | Markets | Product Status | Guida ai prezzi |
|---|---|---|---|---|---|---|---|---|
| 2 | 879174 | 1 | STATORE | IT | ![]() |
16.88 EUR | ||
| 5 | 879704 | 1 | PIASTRA | IT | ![]() |
3.80 EUR | ||
| 6 | 874620 | 1 | SUPPORTO | IT | ![]() |
16.88 EUR | ||
| 10 | 873200 | 1 | CONDENSATORE | IT | ![]() |
2.00 EUR | ||
| 11 | 879113 | 2 | PORTASPAZZOLE | IT | ![]() |
3.80 EUR | ||
| 12 | 911026 | 4 | VITE | IT | ![]() |
1.00 EUR | ||
| 14 | 874088 | 1 | INSERTO | IT | ![]() |
1.10 EUR | ||
| 19 | 873757 | 1 | MOLLA | IT | ![]() |
1.10 EUR | ||
| 22 | 911860 | 1 | ADATTATORE | IT | ![]() |
1.54 EUR | ||
| 23 | 873295 | 1 | GUIDA | IT | ![]() |
2.87 EUR | ||
| 24 | 911804 | 1 | MORSETTO | IT | ![]() |
1.54 EUR | ||
| 25 | 915683 | 1 | PIASTRA | IT | ![]() |
1.33 EUR | ||
| 26 | 911249 | 1 | DADO | IT | ![]() |
1.00 EUR | ||
| 27 | 918687 | 1 | DISTANZIALE | IT | ||||
| 28 | 911834 | 1 | BARRA | IT | ![]() |
8.52 EUR | ||
| 29 | 915651 | 1 | CUSCINETTO | IT | ![]() |
1.54 EUR | ||
| 30 | 911855 | 1 | SLITTA PORTANTE | IT | ![]() |
2.00 EUR | ||
| 31 | 911857 | 1 | STAFFA | IT | ![]() |
2.26 EUR | ||
| 32 | 874151 | 2 | PIASTRA | IT | ![]() |
1.33 EUR | ||
| 33 | 874754 | 2 | FELTRO | IT | ![]() |
1.10 EUR | ||
| 34 | 875462 | 2 | CONTRAPPESO | IT | ![]() |
6.05 EUR | ||
| 35 | 847182 | 1 | MORSETTO | IT | ![]() |
1.10 EUR | ||
| 36 | 911897 | 1 | PORTAUTENSILE | IT | ![]() |
1.20 EUR | ||
| 37 | 330003-31 | 1 | CUSCINETTO | IT | ![]() |
4.87 EUR | ||
| 38 | 875793-49 | 1 | GUIDA | IT | ![]() |
18.73 EUR | ||
| 40 | 330041-06 | 1 | PERNO | IT | ![]() |
1.00 EUR | ||
| 41 | 911886 | 1 | VITE | IT | ![]() |
4.21 EUR | ||
| 42 | 321929 | 1 | MANOPOLA | IT | ![]() |
1.33 EUR | ||
| 43 | 871596 | 1 | MORSETTO | IT | ![]() |
1.33 EUR | ||
| 44 | 330041-04 | 2 | PERNO | D3 x 9.69 +/- 0.11mm | IT | ![]() |
1.00 EUR | |
| 45 | 911815 | 1 | INSERTO | IT | ![]() |
1.00 EUR | ||
| 47 | 321565 | 1 | RONDELLA | IT | ![]() |
1.00 EUR | ||
| 50 | 870393 | 1 | RONDELLA | IT | ![]() |
1.00 EUR | ||
| 51 | 918846 | 1 | RONDELLA | IT | ![]() |
1.10 EUR | ||
| 53 | 874271 | 1 | MODULO ELET | IT | ![]() |
34.06 EUR | ||
| 54 | 322003 | 1 | INTERRUTTORE | IT | ||||
| 55 | 873682 | 1 | CORDSET (EURO) | IT | ![]() |
8.52 EUR | ||
| 56 | 916969 | 1 | MANICOTTO | IT | ![]() |
1.10 EUR | ||
| 57 | 821070 | 1 | SERRAFILO | IT | ![]() |
1.00 EUR | ||
| 58 | 323471-00 | 2 | SPAZZOLE | IT | ![]() |
1.44 EUR | ||
| 61 | 916086 | 1 | ANELLO | IT | ||||
| 65 | 860089-23 | 1 | VITE | IT | ![]() |
1.00 EUR | ||
| 66 | 872449 | 3 | VITE | IT | ![]() |
1.00 EUR | ||
| 67 | 760992-00 | 2 | SCREW.TEMP | IT | ![]() |
1.00 EUR | ||
| 68 | 911276 | 1 | VITE | IT | ![]() |
1.00 EUR | ||
| 69 | 911422 | 2 | VITE | IT | ![]() |
1.00 EUR | ||
| 70 | 911325 | 7 | VITE | IT | ![]() |
1.00 EUR | ||
| 71 | 917666 | 1 | VENTOLA | IT | ![]() |
1.44 EUR | ||
| 72 | 874853 | 1 | MOLLA | IT | ![]() |
1.00 EUR | ||
| 73 | 874624 | 1 | SPINA | IT | ![]() |
1.00 EUR | ||
| 74 | 321928 | 1 | MANOPOLA | IT | ![]() |
1.44 EUR | ||
| 75 | 876320 | 1 | INTERRUTTORE | IT | ![]() |
1.00 EUR |
* I prezzi indicati possono subire variazioni e non sono inclusivi di IVA ed eventuali spese di trasporto. Ci riserviamo la possibilità di variare i prezzi e le condizioni senza preavviso.

