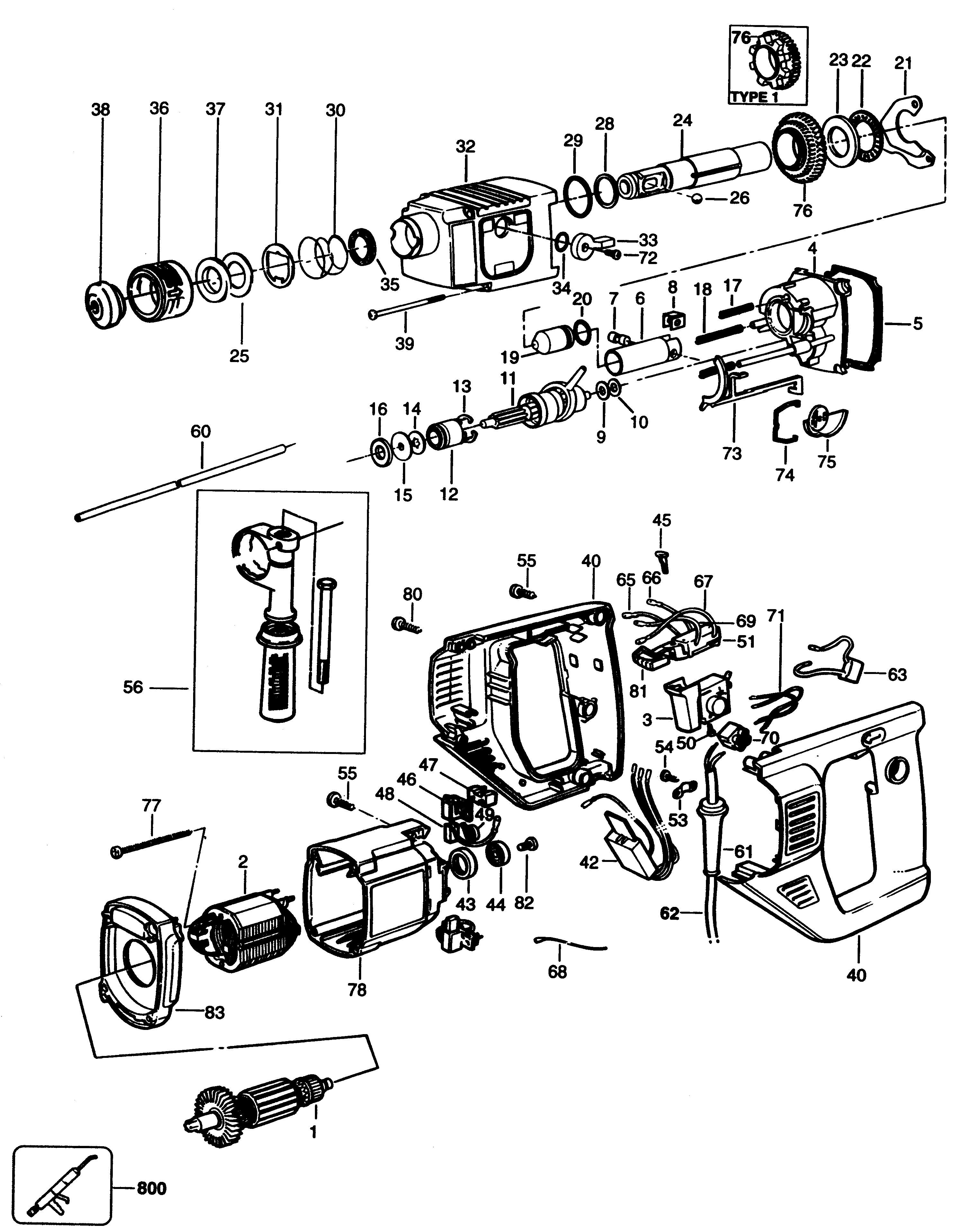
P8027 MARTELLO ROTANTE Type 1 | Disegni
Documenti
Si prega di visualizzare il menu a tendina dal momento che alcuni prodotti potrebbero avere più disegni

Item No. | Product Number | Qty Per | Product Description | INFORMAZIONI | Altre informazioni | Markets | Product Status | Guida ai prezzi |
---|---|---|---|---|---|---|---|---|
1 | 377762-05 | 1 | ARMATURE 240V | IT | ![]() |
55.40 EUR | ||
2 | 373874-08 | 1 | FIELD 230V | IT | ![]() |
22.98 EUR | ||
3 | 324556-49 | 1 | INTERRUTTORE | IT | ![]() |
14.00 EUR | ||
4 | 324032-01 | 1 | CORPO | IT | ![]() |
25.24 EUR | ||
5 | 323572-00 | 1 | GUARNIZIONE | IT | ![]() |
1.33 EUR | ||
6 | 323926-00 | 1 | PISTONE | IT | ![]() |
12.67 EUR | ||
7 | 323569-00 | 1 | ASSE | IT | ![]() |
3.08 EUR | ||
8 | 324487-00 | 1 | MOLLA | IT | ![]() |
1.33 EUR | ||
9 | 324430-03 | 1 | CUSCINETTO ASSIALE | IT | ![]() |
3.80 EUR | ||
10 | 324431-03 | 1 | WASHER 7 | IT | ![]() |
1.33 EUR | ||
11 | 324155-00 | 1 | INGRANAGGI | IT | ![]() |
61.56 EUR | ||
12 | 325232-01 | 1 | MANICOTTO | IT | ![]() |
15.54 EUR | ||
13 | 323487-00 | 1 | ANELLO | IT | ![]() |
2.00 EUR | ||
14 | 325294-00 | 1 | RONDELLA ELASTICA | IT | ![]() |
1.10 EUR | ||
15 | 324431-00 | 1 | WASHER 6 | IT | ![]() |
1.74 EUR | ||
16 | 324430-00 | 1 | BOCCOLA AD AGHI | IT | ![]() |
4.21 EUR | ||
17 | 323395-00 | 2 | MOLLA | IT | ![]() |
1.00 EUR | ||
18 | 323395-02 | 1 | MOLLA | IT | ![]() |
1.00 EUR | ||
19 | 325175-00 | 1 | MAZZA BATTENTE | IT | ![]() |
5.54 EUR | ||
20 | 323711-25 | 1 | ANELLO TOROIDALE | IT | ![]() |
1.20 EUR | ||
21 | 323488-01 | 1 | PIASTRA | IT | ![]() |
2.36 EUR | ||
22 | 324430-01 | 1 | BEARING,NEEDLE | IT | ![]() |
4.87 EUR | ||
23 | 323999-00 | 1 | RONDELLA | IT | ![]() |
3.08 EUR | ||
24 | 324031-00 | 1 | ALBERINO | IT | ![]() |
50.38 EUR | ||
25 | 323492-00 | 1 | RONDELLA | IT | ![]() |
1.20 EUR | ||
26 | 583890-00 | 1 | SFERA | IT | ![]() |
1.10 EUR | ||
28 | 323753-01 | 1 | RONDELLA | IT | ![]() |
1.33 EUR | ||
29 | 323711-04 | 1 | GUARNIZIONE | IT | ![]() |
1.00 EUR | ||
30 | 871690 | 1 | MOLLA | IT | ![]() |
1.10 EUR | ||
31 | 578387-00 | 1 | RONDELLA | IT | ![]() |
1.44 EUR | ||
32 | 324033-01 | 1 | SCATOLA INGRANAGGI | TYPE 1 | IT | ![]() |
25.24 EUR | |
32 | 324033-10 | 1 | SCATOLA INGRANAGGI | TYPE 2 | IT | ![]() |
27.91 EUR | |
33 | 323882-00 | 1 | LEVA | IT | ![]() |
1.33 EUR | ||
34 | 323711-07 | 1 | ANELLO TOROIDALE | IT | ![]() |
1.00 EUR | ||
35 | 324432-00 | 1 | ASS. GIARNIZIONE | IT | ![]() |
4.21 EUR | ||
36 | 576756-00 | 1 | COLLARE | IT | ![]() |
3.80 EUR | ||
37 | 323480-00 | 1 | DISTANZIALE | IT | ![]() |
2.26 EUR | ||
38 | 323489-00 | 1 | CALOTTA | IT | ![]() |
1.20 EUR | ||
39 | 324044-01 | 4 | SCREW.TEMP | IT | ![]() |
1.20 EUR | ||
40 | 324189-02 | 1 | ASS. IMPUGNATURA | IT | ![]() |
11.39 EUR | ||
42 | 324552-00 | 1 | ELECTRONIC 230V | IT | ![]() |
16.88 EUR | ||
43 | 870052 | 1 | MANICOTTO | IT | ![]() |
1.10 EUR | ||
44 | 330003-19 | 1 | CUSCINETTO | IT | ![]() |
5.54 EUR | ||
45 | 324165-03 | 1 | INSERTO | IT | ![]() |
1.00 EUR | ||
46 | 323496-01 | 2 | PORTASPAZZOLE | IT | ![]() |
2.00 EUR | ||
47 | 491366-00 | 2 | KIT SPAZZOLE | IT | ![]() |
12.67 EUR | ||
48 | 323660-01 | 2 | BRUSH 230V | IT | ![]() |
2.67 EUR | ||
49 | 872843 | 2 | MOLLA | IT | ![]() |
1.10 EUR | ||
50 | 911026 | 3 | VITE | IT | ![]() |
1.00 EUR | ||
51 | 324400-00 | 1 | INTERRUTTORE | IT | ![]() |
7.18 EUR | ||
53 | 821070 | 1 | SERRAFILO | IT | ![]() |
1.00 EUR | ||
54 | 323924-08 | 2 | VITE | IT | ![]() |
1.00 EUR | ||
55 | 323924-02 | 4 | VITE | IT | ![]() |
1.00 EUR | ||
56 | 939794-02 | 1 | ASS. IMPUGN. LATERAL | IT | ![]() |
7.18 EUR | ||
60 | 580787-00 | 1 | ARRESTO PROFONDITA' | IT | ![]() |
1.44 EUR | ||
62 | 325229-13 | 1 | ASS. CAVO | IT | ![]() |
16.88 EUR | ||
63 | 320842-03 | 1 | CONDENSATORE | IT | ![]() |
2.00 EUR | ||
65 | 877358 | 1 | LEAD 220MM | IT | ![]() |
1.10 EUR | ||
66 | 877357 | 1 | LEAD 160MM BLACK | IT | ![]() |
1.10 EUR | ||
67 | 877357 | 1 | LEAD 160MM BLACK | IT | ![]() |
1.10 EUR | ||
68 | 878846 | 1 | LEAD 360MM | IT | ![]() |
1.10 EUR | ||
69 | 323768-02 | 1 | LEAD 120MM BLACK | IT | ![]() |
1.10 EUR | ||
70 | 323534-00 | 1 | CONNETTORE | IT | ![]() |
1.33 EUR | ||
71 | 323635-10 | 2 | LEAD 70MM | IT | ![]() |
1.10 EUR | ||
72 | 324007-10 | 1 | VITE | IT | ![]() |
1.00 EUR | ||
73 | 323795-01 | 1 | LEVA | IT | ![]() |
5.54 EUR | ||
74 | 323797-00 | 1 | GRAFFA | IT | ![]() |
1.44 EUR | ||
75 | 323956-01 | 1 | LEVA | IT | ![]() |
3.80 EUR | ||
76 | 324108-01 | 1 | INGRANAGGI | TYPE 2 | IT | ![]() |
37.96 EUR | |
76 | 324108-00 | 1 | INGRANAGGI | TYPE 1 | IT | ![]() |
32.42 EUR | |
77 | 911250 | 2 | SCREW.TEMP | IT | ![]() |
1.00 EUR | ||
78 | 324188-05 | 1 | CORPO MOTORE | IT | ![]() |
5.54 EUR | ||
80 | 323924-11 | 3 | SCREW.TEMP | IT | ![]() |
1.00 EUR | ||
81 | 323490-08 | 1 | LEVA | IT | ![]() |
1.33 EUR | ||
82 | 329794-00 | 1 | VITE | IT | ![]() |
1.10 EUR | ||
83 | 324196-02 | 1 | LINGUETTA DI GUIDA | IT | ![]() |
3.80 EUR | ||
800 | 870889-02 | 1 | GRASSO | IT | ![]() |
6.05 EUR | ||
846 | 327354-00 | 1 | ASS. RONDELLE | IT | ![]() |
8.52 EUR |
* I prezzi indicati possono subire variazioni e non sono inclusivi di IVA ed eventuali spese di trasporto. Ci riserviamo la possibilità di variare i prezzi e le condizioni senza preavviso.