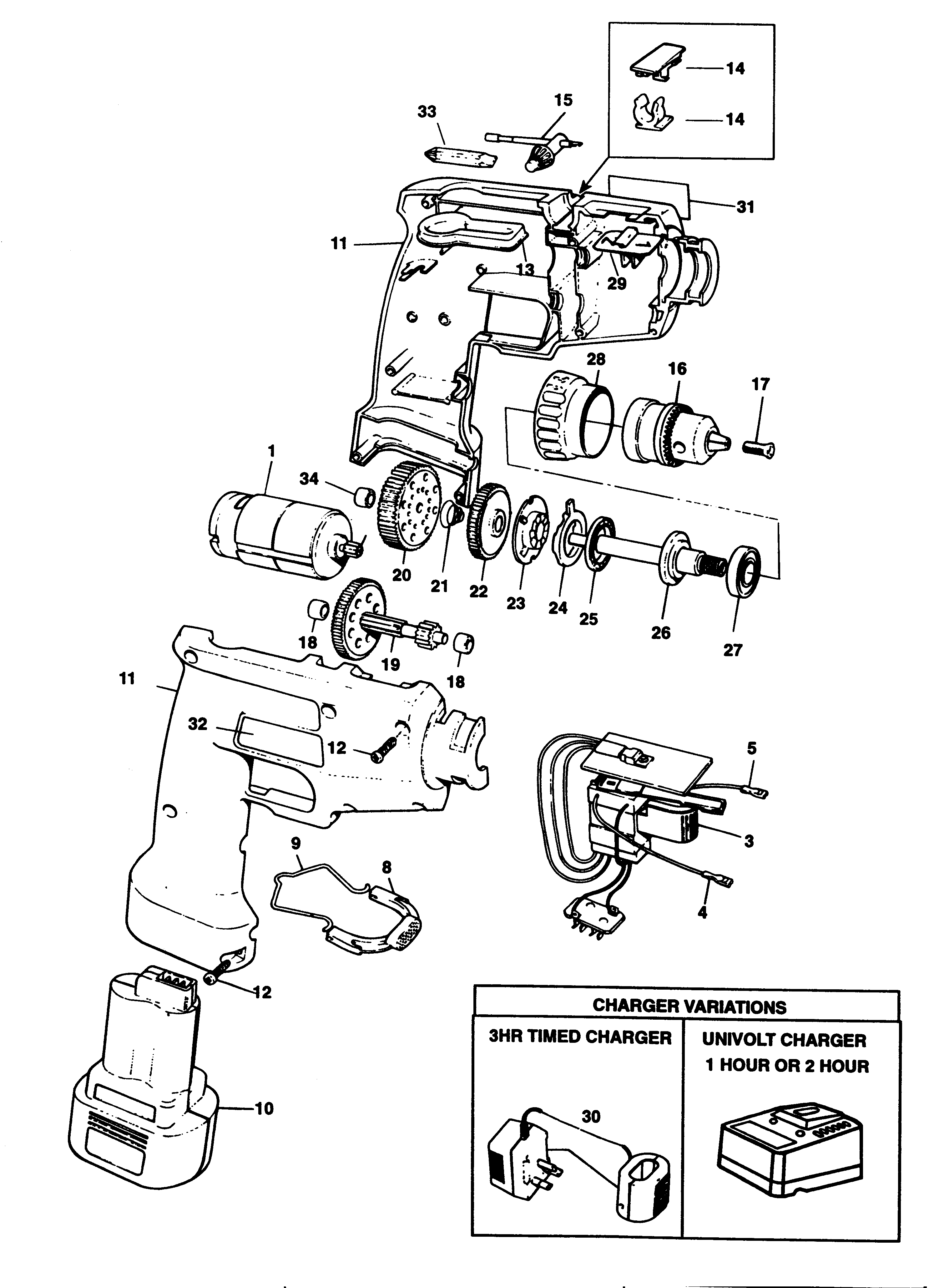
9017 TRAPANO SENZA CAVO Type 1 | Disegni
Documenti
Si prega di visualizzare il menu a tendina dal momento che alcuni prodotti potrebbero avere più disegni

Item No. | Product Number | Qty Per | Product Description | INFORMAZIONI | Altre informazioni | Markets | Product Status | Guida ai prezzi |
---|---|---|---|---|---|---|---|---|
1 | 793531-03 | 1 | SG MOTORE | IT | ![]() |
16.88 EUR | ||
3 | 798328-02 | 1 | ASS. INTERRUTTORE | 9032 TYPES 5 - 6 | IT | ![]() |
41.96 EUR | |
3 | 798328-02 | 1 | ASS. INTERRUTTORE | 9032 TYPES 1 - 4 | IT | ![]() |
41.96 EUR | |
4 | 839853 | 1 | LEAD SA BLACK | IT | ![]() |
1.20 EUR | ||
5 | 844831 | 1 | LEAD SA RED | IT | ![]() |
1.20 EUR | ||
8 | 144500-00 | 1 | CHIAVISTELLO | IT | ![]() |
1.33 EUR | ||
9 | 144501-00 | 1 | MOLLA | IT | ![]() |
1.10 EUR | ||
11 | 807751 | 1 | CORPO | 9032 TYPES 5 - 6 | IT | ![]() |
12.67 EUR | |
11 | 807751 | 1 | CORPO | 9032 TYPES 1 - 4 | IT | ![]() |
12.67 EUR | |
11 | 807751 | 1 | CORPO | 9015 / 9017 | IT | ![]() |
12.67 EUR | |
11 | 807752 | 1 | CORPO | 9042 TYPES 1 - 4 | IT | ![]() |
12.67 EUR | |
11 | 807752 | 1 | CORPO | 9042 TYPES 5 - 6 | IT | ![]() |
12.67 EUR | |
12 | 330013-04 | 8 | VITE | IT | ![]() |
1.00 EUR | ||
13 | 792684 | 1 | ANELLO DI TENUTA | IT | ![]() |
1.74 EUR | ||
14 | 450315-00 | 1 | HOLDER CHUCK KEY | CHUCK S2A | IT | ![]() |
1.10 EUR | |
14 | 450315-00 | 1 | HOLDER CHUCK KEY | CHUCK NON S2A | IT | ![]() |
1.10 EUR | |
15 | 330034-00 | 1 | CHUCK KEY 10MM | CHUCK NON S2A | IT | ![]() |
1.44 EUR | |
15 | 330034-07 | 1 | CHIAVE MANDRINO | CHUCK S2A | IT | ![]() |
2.35 EUR | |
16 | 847430 | 1 | CHUCK 10MM | CHUCK NON S2A | IT | ![]() |
11.39 EUR | |
16 | 798723-01 | 1 | MANDRINO SENZA CHIA. | CHUCK KEYLESS | IT | ![]() |
20.52 EUR | |
16 | 90629857 | 1 | ASS. MANDRINO | CHUCK S2A | IT | ![]() |
4.87 EUR | |
17 | 805434 | 1 | SCREW.SPECIAL | IT | ![]() |
1.00 EUR | ||
18 | 450311-00 | 2 | CUSCINETTO | IT | ![]() |
1.10 EUR | ||
19 | 832484-03 | 1 | ASS. INGRAN.RINVIO | IT | ![]() |
11.39 EUR | ||
20 | 147699-00 | 1 | INGRANAGGI | IT | ![]() |
4.21 EUR | ||
21 | 792873 | 1 | MOLLA | IT | ![]() |
1.00 EUR | ||
22 | 748204-01 | 1 | ASS. INGRANAGGI | IT | ![]() |
4.21 EUR | ||
23 | 748212 | 1 | DENTE D'ARR. FISSO | IT | ![]() |
2.26 EUR | ||
24 | 832500 | 1 | CAMMA | IT | ![]() |
1.44 EUR | ||
25 | 892261 | 1 | CUSCINETTO | IT | ![]() |
1.33 EUR | ||
26 | 832483-49 | 1 | ALBERO IN USCITA | IT | ![]() |
8.52 EUR | ||
28 | 832499 | 1 | COLLARE | IT | ![]() |
1.54 EUR | ||
29 | 832496 | 1 | SELETTORE | IT | ![]() |
1.20 EUR | ||
30 | 844810-01 | 1 | ASS. CARICABATTERIEA | GB - TYPES 5 - 6 | IT | ![]() |
91.62 EUR | |
30 | 839747 | 1 | CHARGER SA 9032 | GB - TYPES 1 - 4 | IT | |||
30 | 839711 | 1 | ASS. CARICABATTERIEA | IT | ![]() |
50.38 EUR | ||
33 | 297757-02 | 1 | BIT PHILLIPS | IT | ![]() |
1.54 EUR | ||
33 | 297757-02 | 1 | BIT PHILLIPS | GB - TYPES 1 - 4 | IT | ![]() |
1.54 EUR | |
33 | 297757-02 | 1 | BIT PHILLIPS | GB - TYPES 5 - 6 | IT | ![]() |
1.54 EUR | |
33 | 297757-02 | 1 | BIT PHILLIPS | GB - TYPES 1 - 4 | IT | ![]() |
1.54 EUR | |
33 | 297757-02 | 1 | BIT PHILLIPS | GB - TYPES 5 - 6 | IT | ![]() |
1.54 EUR | |
34 | 147700-00 | 1 | CUSCINETTO | IT | ![]() |
1.20 EUR |
* I prezzi indicati possono subire variazioni e non sono inclusivi di IVA ed eventuali spese di trasporto. Ci riserviamo la possibilità di variare i prezzi e le condizioni senza preavviso.