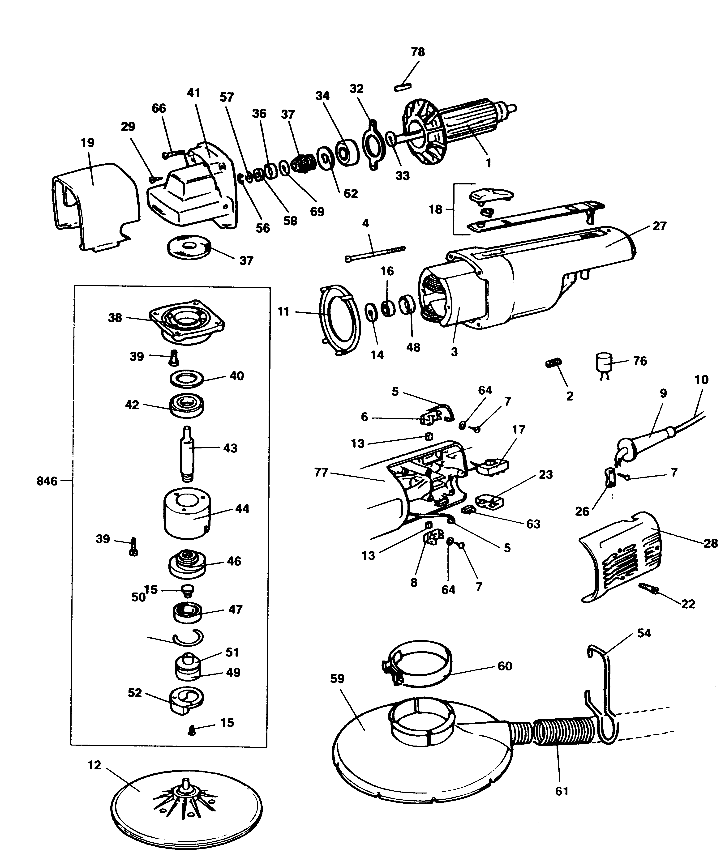
P6317 SABB ORBITALE A CASO Type 1 | Disegni
Documenti
Si prega di visualizzare il menu a tendina dal momento che alcuni prodotti potrebbero avere più disegni

Item No. | Product Number | Qty Per | Product Description | INFORMAZIONI | Altre informazioni | Markets | Product Status | Guida ai prezzi |
---|---|---|---|---|---|---|---|---|
1 | 934534 | 1 | INDOTTO | IT | ![]() |
91.62 EUR | ||
2 | 934509 | 1 | MOLLA | IT | ![]() |
1.10 EUR | ||
3 | 938566 | 1 | STATORE | IT | ![]() |
61.56 EUR | ||
4 | 934429 | 2 | VITE | IT | ![]() |
4.21 EUR | ||
5 | 933545 | 2 | MOLLA | IT | ![]() |
1.00 EUR | ||
6 | 933542 | 1 | ASS.PORTASPAZZOLE | IT | ![]() |
2.36 EUR | ||
7 | 930076-00 | 4 | VITE | IT | ![]() |
1.00 EUR | ||
8 | 933533 | 1 | ASS.PORTASPAZZOLE | IT | ![]() |
2.36 EUR | ||
9 | 949835-01 | 1 | MANICOTTO | IT | ![]() |
1.74 EUR | ||
10 | 949843-07 | 1 | CAVO | IT | ![]() |
10.05 EUR | ||
11 | 933516 | 1 | LINGUETTA DI GUIDA | IT | ![]() |
1.10 EUR | ||
13 | D934537 | 2 | SPAZZOLE | IT | ![]() |
1.20 EUR | ||
14 | 934412 | 1 | DISTANZIALE | IT | ![]() |
1.00 EUR | ||
15 | 937556 | 3 | VITE | IT | ![]() |
1.00 EUR | ||
16 | 930681 | 1 | CUSCINETTO | IT | ![]() |
6.05 EUR | ||
17 | 937699 | 1 | INTERRUTTORE | IT | ![]() |
8.52 EUR | ||
18 | 934862 | 1 | ASS. LEVA | IT | ||||
19 | 945364-00 | 1 | COPERTURA | IT | ![]() |
2.67 EUR | ||
22 | 932409 | 3 | VITE | IT | ![]() |
1.00 EUR | ||
26 | 930103-00 | 1 | SERRAFILO | IT | ![]() |
1.00 EUR | ||
27 | 934547 | 1 | CORPO MOTORE | IT | ||||
28 | 937695 | 1 | COPERTURA | IT | ![]() |
2.87 EUR | ||
29 | 930224-00 | 2 | VITE | IT | ![]() |
1.00 EUR | ||
32 | 933531 | 1 | FLANGIA | IT | ![]() |
1.33 EUR | ||
33 | 933515 | 1 | RONDELLA | IT | ![]() |
1.10 EUR | ||
34 | 577745-00 | 1 | CUSCINETTO | IT | ![]() |
5.54 EUR | ||
36 | 934516 | 1 | COPERTURA | IT | ![]() |
1.00 EUR | ||
37 | 932592 | 1 | INGRANAG. & PIGNONE | IT | ![]() |
20.52 EUR | ||
38 | 935017-00 | 1 | COPERCHIO SCAT.INGR. | IT | ![]() |
11.39 EUR | ||
39 | 930770-00 | 7 | VITE | IT | ![]() |
1.00 EUR | ||
40 | 933526 | 1 | RONDELLA | IT | ![]() |
1.33 EUR | ||
41 | 933509 | 1 | SCATOLA INGRANAGGI | IT | ![]() |
14.00 EUR | ||
42 | 330003-11 | 1 | CUSCINETTO | IT | ![]() |
5.54 EUR | ||
43 | 945363-00 | 1 | ALBERINO | IT | ![]() |
11.39 EUR | ||
44 | 945169-00 | 1 | PROTEZIONE | IT | ![]() |
3.08 EUR | ||
45 | 945170-00 | 1 | SCREW.TEMP | IT | ![]() |
1.33 EUR | ||
46 | 945165-00 | 1 | ECCENTRICO | IT | ![]() |
22.98 EUR | ||
47 | 945177-00 | 1 | CUSCINETTO | IT | ![]() |
8.52 EUR | ||
48 | 930029-00 | 1 | HOLDER BEARING | IT | ![]() |
1.00 EUR | ||
49 | 945171-00 | 1 | FLANGIA | IT | ![]() |
12.67 EUR | ||
50 | 945168-00 | 1 | ANELLO | IT | ![]() |
1.10 EUR | ||
51 | 945174-00 | 1 | RONDELLA | IT | ![]() |
1.10 EUR | ||
52 | 945167-00 | 1 | CONTRAPPESO | IT | ![]() |
3.80 EUR | ||
54 | 945372-00 | 1 | MOLLA | IT | ![]() |
3.08 EUR | ||
56 | 934510 | 1 | ANELLO D'ARRESTO | IT | ![]() |
1.00 EUR | ||
57 | 934514 | 1 | PROTEZIONE | IT | ![]() |
1.10 EUR | ||
58 | 934506 | 1 | AMMORTIZATORE | IT | ![]() |
1.10 EUR | ||
59 | 945369-00 | 1 | COPERTURA | IT | ![]() |
3.08 EUR | ||
60 | 945370-00 | 1 | MORSETTO | IT | ![]() |
2.87 EUR | ||
61 | 945371-00 | 1 | TUBO | IT | ![]() |
12.67 EUR | ||
62 | 933530 | 1 | RONDELLA | IT | ![]() |
1.10 EUR | ||
63 | 934533 | 1 | CONNETTORE | IT | ![]() |
1.20 EUR | ||
64 | 933546 | 2 | RONDELLA | IT | ![]() |
1.00 EUR | ||
66 | 934512 | 4 | VITE | IT | ![]() |
1.00 EUR | ||
69 | 934513 | 1 | RONDELLA | IT | ![]() |
1.10 EUR | ||
76 | 930030 | 1 | CONDENSATORE | IT | ![]() |
1.54 EUR | ||
77 | 937696 | 1 | SUPPORTO | IT | ![]() |
1.33 EUR | ||
78 | 934504 | 3 | RULLO | IT | ||||
846 | 945361-00 | 1 | ASS.ALBERO C/INGR. | IT |
* I prezzi indicati possono subire variazioni e non sono inclusivi di IVA ed eventuali spese di trasporto. Ci riserviamo la possibilità di variare i prezzi e le condizioni senza preavviso.