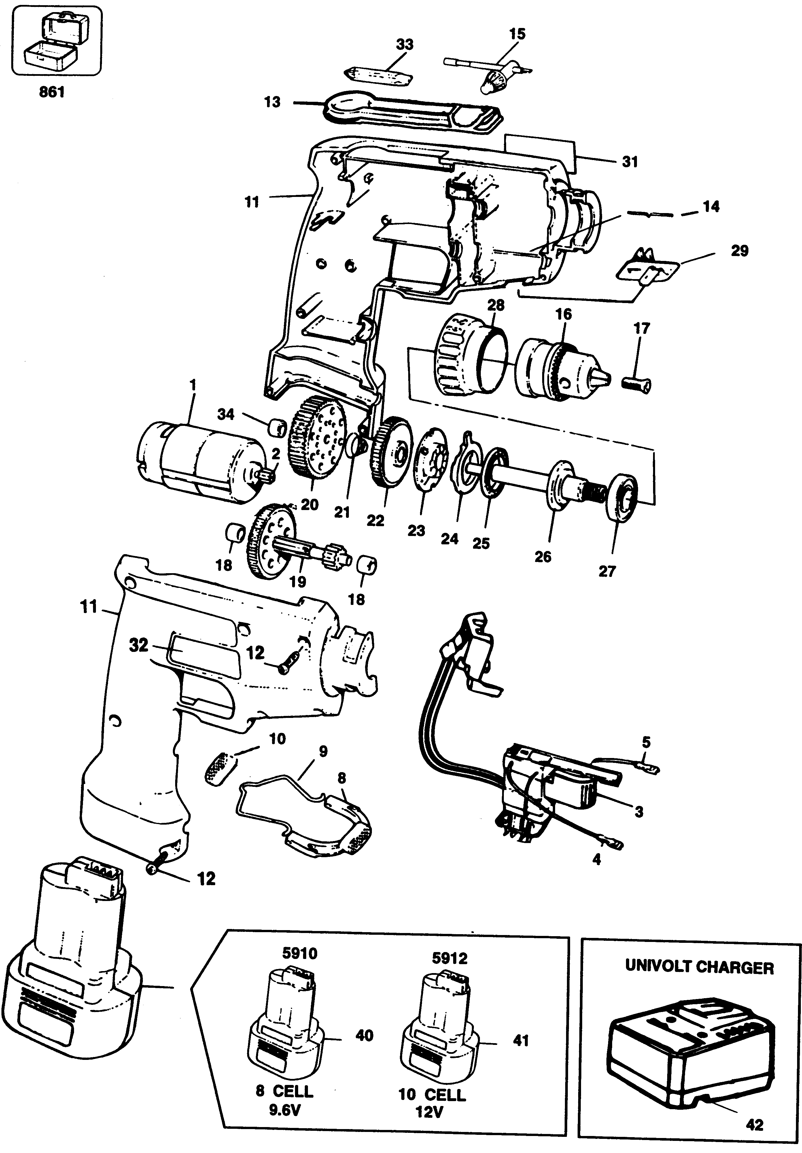
5910 TRAPANO SENZA CAVO Type 1 | Disegni
Documenti
Si prega di visualizzare il menu a tendina dal momento che alcuni prodotti potrebbero avere più disegni
| Item No. | Product Number | Qty Per | Product Description | INFORMAZIONI | Altre informazioni | Markets | Product Status | Guida ai prezzi |
|---|
* I prezzi indicati possono subire variazioni e non sono inclusivi di IVA ed eventuali spese di trasporto. Ci riserviamo la possibilità di variare i prezzi e le condizioni senza preavviso.

