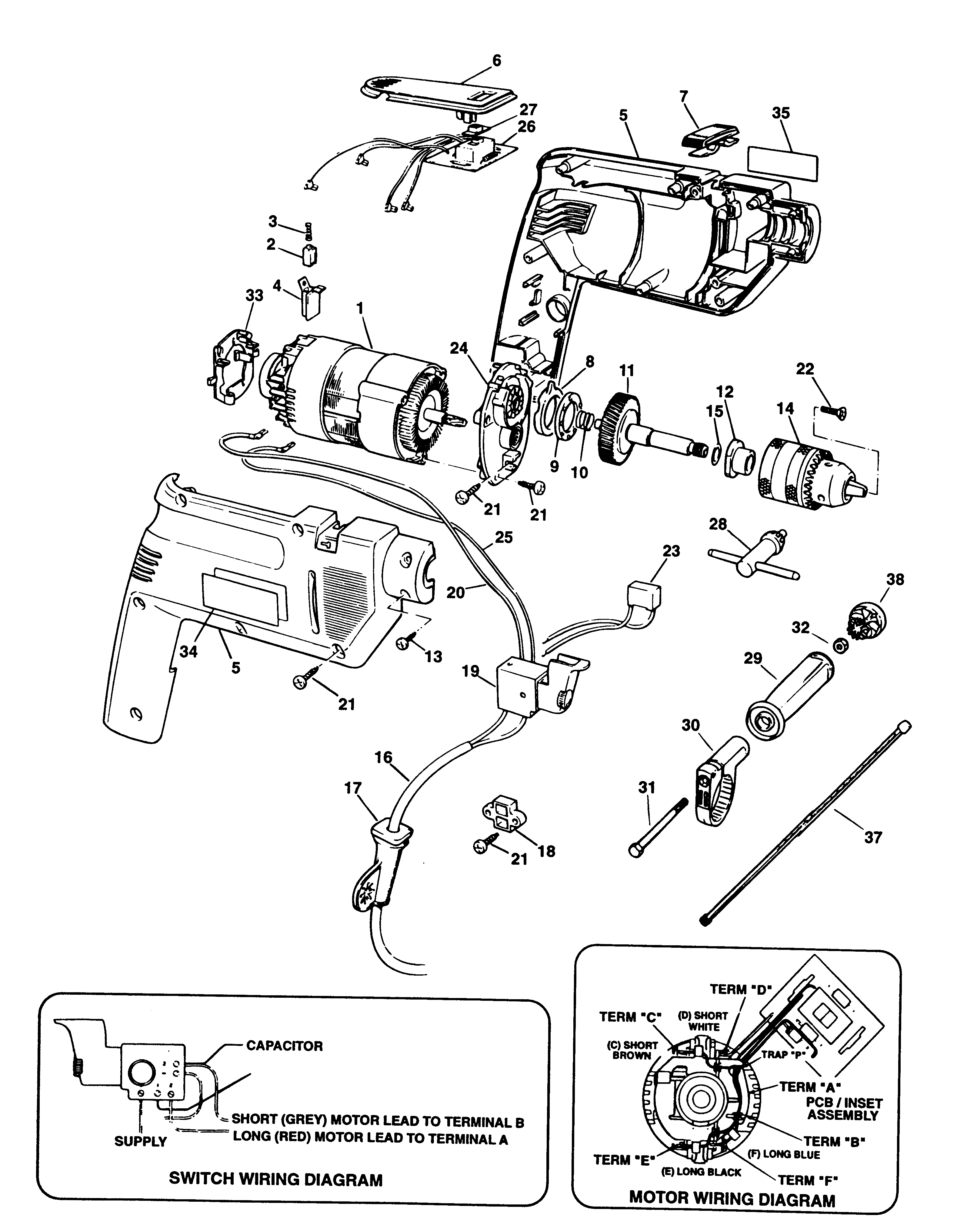
BD154R TRAPANO A PERCUSSIONE Type 1 | Disegni
Documenti
Si prega di visualizzare il menu a tendina dal momento che alcuni prodotti potrebbero avere più disegni

Item No. | Product Number | Qty Per | Product Description | INFORMAZIONI | Altre informazioni | Markets | Product Status | Guida ai prezzi |
---|---|---|---|---|---|---|---|---|
1 | 376913-04 | 1 | SG MOTORE | SG 115V | IT | ![]() |
46.07 EUR | |
1 | 376913-03 | 1 | SG MOTORE | SG 220V | IT | ![]() |
41.96 EUR | |
1 | 376913-03 | 1 | SG MOTORE | IT | ![]() |
41.96 EUR | ||
2 | 839791 | 2 | BRUSHBOX | SG 115V | IT | |||
2 | 376143 | 2 | SPAZZOLE | SG 220V | IT | ![]() |
1.10 EUR | |
2 | 376143 | 2 | SPAZZOLE | IT | ![]() |
1.10 EUR | ||
3 | 847709 | 2 | MOLLA | IT | ![]() |
1.00 EUR | ||
4 | 812738 | 2 | PORTASPAZZOLE | IT | ![]() |
1.10 EUR | ||
5 | 795187 | 1 | CORPO | BD4100 | IT | ![]() |
15.54 EUR | |
5 | 795187 | 1 | CORPO | BD520R H1F | IT | ![]() |
15.54 EUR | |
6 | 798017-01 | 1 | INSERTO | BD4100 | IT | ![]() |
2.00 EUR | |
6 | 798017-01 | 1 | INSERTO | SBLR500E | IT | ![]() |
2.00 EUR | |
6 | 798017-01 | 1 | INSERTO | UPGRADE H1F 115V | IT | ![]() |
2.00 EUR | |
6 | 798017-01 | 1 | INSERTO | UPGRADE H1F 220/240V | IT | ![]() |
2.00 EUR | |
8 | 812962 | 1 | ANELLO | IT | ![]() |
1.20 EUR | ||
9 | 892261 | 1 | CUSCINETTO | IT | ![]() |
1.33 EUR | ||
10 | 821986 | 1 | MOLLA | IT | ![]() |
1.00 EUR | ||
11 | 747323-49 | 1 | ASS. ALBERO | IT | ![]() |
11.39 EUR | ||
12 | 812973 | 1 | CUSCINETTO | IT | ![]() |
1.20 EUR | ||
13 | 805035 | 2 | VITE | IT | ![]() |
1.00 EUR | ||
14 | 586589-00L | 1 | MANDRINO SENZA CHIA. | CHUCK KEYLESS | IT | ![]() |
10.05 EUR | |
14 | 330033-23 | 1 | CHUCK 13MM | CHUCK S2A | IT | ![]() |
16.11 EUR | |
15 | 812979 | 1 | RONDELLA DI SPINTA | IT | ![]() |
1.00 EUR | ||
16 | 745476 | 1 | CAVO CON SPINA | SG 115V | IT | |||
16 | 330048-17 | 1 | CORDSET (EURO) | IT | ![]() |
3.80 EUR | ||
16 | 330048-05 | 1 | CORDSET (EURO) | SG 220V | IT | ![]() |
2.87 EUR | |
17 | 770236 | 1 | MANICOTTO | IT | ![]() |
1.10 EUR | ||
18 | 994808 | 1 | SERRAFILO PER CAVO | IT | ![]() |
1.00 EUR | ||
19 | 372976-49 | 1 | KIT INTERRUTTORE | Capax | SG 220V | IT | ![]() |
27.91 EUR |
19 | 372976-49 | 1 | KIT INTERRUTTORE | Capax | IT | ![]() |
27.91 EUR | |
20 | 822216 | 1 | CAVETTO | SG 220V | IT | ![]() |
1.10 EUR | |
20 | 822216 | 1 | CAVETTO | IT | ![]() |
1.10 EUR | ||
20 | 825457 | 1 | ASS. CAVETTO | SG 115V | IT | |||
21 | 809961 | 11 | VITE | IT | ![]() |
1.00 EUR | ||
22 | 805434 | 1 | SCREW.SPECIAL | IT | ![]() |
1.00 EUR | ||
23 | 822485 | 1 | CONDENSATORE | SG 220V | IT | ![]() |
2.67 EUR | |
23 | 793192 | 1 | ASS. CONDENSATRORE | IT | ![]() |
2.67 EUR | ||
24 | 823782 | 1 | COPERT. SCAT. INGR. | IT | ![]() |
6.05 EUR | ||
25 | 825458 | 1 | ASS. CAVETTO | SG 115V | IT | |||
25 | 830847 | 1 | ASS. CAVETTO | SG 220V | IT | ![]() |
1.10 EUR | |
25 | 830847 | 1 | ASS. CAVETTO | IT | ![]() |
1.10 EUR | ||
26 | 794724 | 1 | INTERRUTTORE | BD4100 | IT | ![]() |
11.39 EUR | |
26 | 794724 | 1 | INTERRUTTORE | SBLR500E | IT | ![]() |
11.39 EUR | |
26 | 794724 | 1 | INTERRUTTORE | UPGRADE H1F 220/240V | IT | ![]() |
11.39 EUR | |
26 | 795348 | 1 | INTERRUTTORE | UPGRADE H1F 115V | IT | |||
27 | 795209 | 1 | ATTUATORE | BD4100 | IT | ![]() |
1.20 EUR | |
27 | 795209 | 1 | ATTUATORE | SBLR500E | IT | ![]() |
1.20 EUR | |
27 | 795209 | 1 | ATTUATORE | UPGRADE H1F 115V | IT | ![]() |
1.20 EUR | |
27 | 795209 | 1 | ATTUATORE | UPGRADE H1F 220/240V | IT | ![]() |
1.20 EUR | |
28 | 330034-07 | 1 | CHIAVE MANDRINO | CHUCK S2A | IT | ![]() |
2.35 EUR | |
28 | 894688 | 1 | CHUCK KEY 13MM | CHUCK NON S2A | IT | ![]() |
1.74 EUR | |
29 | 823784 | 1 | HANDLE | SBLR500E | IT | ![]() |
1.74 EUR | |
29 | 823784 | 1 | HANDLE | TYPES H1/H1E | IT | ![]() |
1.74 EUR | |
29 | 808402 | 1 | MANICO LATERALE | BD4100 | IT | ![]() |
2.00 EUR | |
29 | 808402 | 1 | MANICO LATERALE | BD520R H1F | IT | ![]() |
2.00 EUR | |
29 | 808402 | 1 | MANICO LATERALE | BD154R H1F | IT | ![]() |
2.00 EUR | |
30 | 370636-49 | 1 | KIT MORSETTO | SG 115V | IT | ![]() |
3.08 EUR | |
30 | 370636-49 | 1 | KIT MORSETTO | SBLR500E | IT | ![]() |
3.08 EUR | |
30 | 370636-49 | 1 | KIT MORSETTO | TYPES H1/H1E | IT | ![]() |
3.08 EUR | |
30 | 794464 | 1 | MORSETTO | BD4100 | IT | ![]() |
2.00 EUR | |
30 | 794464 | 1 | MORSETTO | BD520R H1F | IT | ![]() |
2.00 EUR | |
30 | 794464 | 1 | MORSETTO | BD154R H1F | IT | ![]() |
2.00 EUR | |
31 | 813918 | 1 | VITE | SBLR500E | IT | ![]() |
1.20 EUR | |
31 | 813918 | 1 | VITE | BD4100 | IT | ![]() |
1.20 EUR | |
31 | 813918 | 1 | VITE | BD520R H1F | IT | ![]() |
1.20 EUR | |
31 | 813918 | 1 | VITE | BD154R H1F | IT | ![]() |
1.20 EUR | |
31 | 813918 | 1 | VITE | TYPES H1/H1E | IT | ![]() |
1.20 EUR | |
32 | 896369 | 1 | DADO | BD4100 | IT | ![]() |
1.00 EUR | |
32 | 896369 | 1 | DADO | BD520R H1F | IT | ![]() |
1.00 EUR | |
32 | 896369 | 1 | DADO | BD154R H1F | IT | ![]() |
1.00 EUR | |
32 | 896369 | 1 | DADO | TYPES H1/H1E | IT | ![]() |
1.00 EUR | |
33 | 822789 | 1 | COPERTURA | IT | ![]() |
1.44 EUR | ||
35 | 796905-18 | 1 | ETICHETTA MARCHIO | SBLR500E | IT | |||
35 | 826584 | 1 | ETICHETTA MARCHIO | TYPES H1/H1E | IT | ![]() |
1.10 EUR | |
35 | 796905-01 | 1 | ETICHETTA MARCHIO | BD154R H1F | IT | ![]() |
1.44 EUR | |
36 | 794468 | 1 | ETICHETTA INVERSIONE | IT | ![]() |
1.10 EUR | ||
37 | 814991 | 1 | ASTA DI PROFONDITA' | TYPES H1/H1E | IT | ![]() |
2.67 EUR | |
37 | 807126 | 1 | ARRESTO PROFONDITA' | SBLR500E | IT | ![]() |
3.08 EUR | |
37 | 795957 | 1 | ASTA DI PROFONDITA' | BD4100 | IT | ![]() |
4.87 EUR | |
37 | 795957 | 1 | ASTA DI PROFONDITA' | BD520R H1F | IT | ![]() |
4.87 EUR | |
37 | 795957 | 1 | ASTA DI PROFONDITA' | BD154R H1F | IT | ![]() |
4.87 EUR | |
38 | 797419 | 1 | PORTAUTENSILE | BD4100 | IT | ![]() |
1.74 EUR | |
38 | 797419 | 1 | PORTAUTENSILE | BD520R H1F | IT | ![]() |
1.74 EUR | |
38 | 797419 | 1 | PORTAUTENSILE | BD154R H1F | IT | ![]() |
1.74 EUR |
* I prezzi indicati possono subire variazioni e non sono inclusivi di IVA ed eventuali spese di trasporto. Ci riserviamo la possibilità di variare i prezzi e le condizioni senza preavviso.