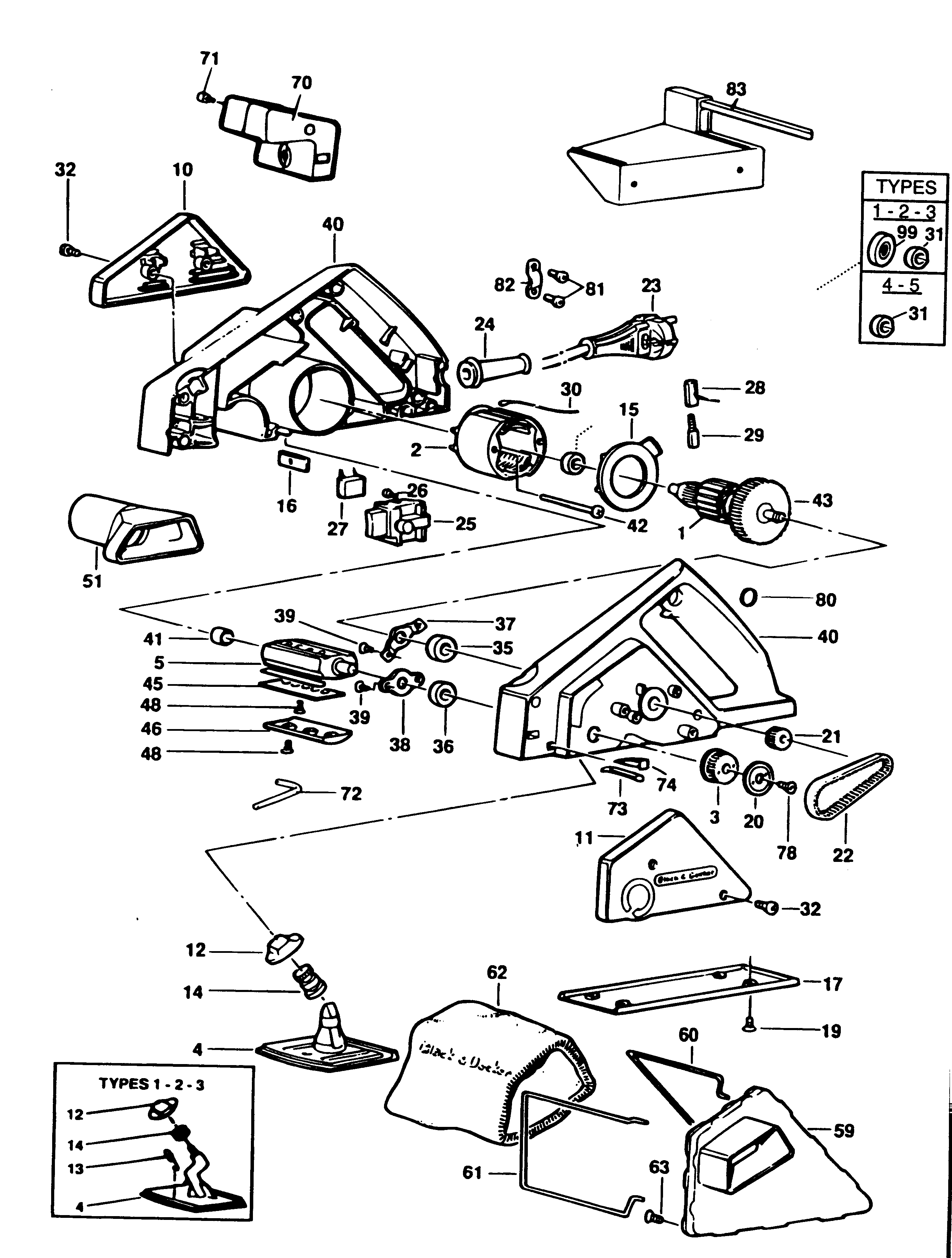
BD710 PIALLA Type 1 | Disegni
Documenti
Si prega di visualizzare il menu a tendina dal momento che alcuni prodotti potrebbero avere più disegni

Item No. | Product Number | Qty Per | Product Description | INFORMAZIONI | Altre informazioni | Markets | Product Status | Guida ai prezzi |
---|---|---|---|---|---|---|---|---|
2 | 878418 | 1 | STATORE | QS | ![]() |
11.39 EUR | ||
3 | 323002 | 1 | PULEGGIA | TYPE 5 | QS | ![]() |
1.74 EUR | |
3 | 323002 | 1 | PULEGGIA | TYPE 4 | QS | ![]() |
1.74 EUR | |
5 | 325370-00 | 1 | LAMA PORTAUTENSILE | FROM DATE CODE 18-92 | QS | ![]() |
25.24 EUR | |
10 | 918595-01 | 1 | COPERTURA TERMINALE | QS | ![]() |
2.36 EUR | ||
11 | 325479-00 | 1 | COPERTURA CINGHIA | FROM DATE CODE 18-92 | QS | ![]() |
1.54 EUR | |
12 | 324780-00 | 1 | MANOPOLA | TYPE 5 | QS | ![]() |
1.33 EUR | |
12 | 321986 | 1 | MANOPOLA | TYPE 4 | QS | ![]() |
1.33 EUR | |
12 | 321986 | 1 | MANOPOLA | TYPE 1-2-3 | QS | ![]() |
1.33 EUR | |
13 | 918426 | 1 | MOLLA | TYPE 1-2-3 | QS | ![]() |
1.00 EUR | |
14 | 870512 | 1 | DADO | TYPE 5 | QS | ![]() |
1.10 EUR | |
14 | 870512 | 1 | DADO | TYPE 4 | QS | ![]() |
1.10 EUR | |
14 | 878464 | 1 | DADO | TYPE 1-2-3 | QS | ![]() |
1.10 EUR | |
15 | 917293 | 1 | COPERTURA | QS | ![]() |
1.10 EUR | ||
16 | 918405 | 1 | PIASTRA | QS | ![]() |
1.10 EUR | ||
17 | 917294 | 1 | PIASTRA DI BASE | QS | ![]() |
3.08 EUR | ||
19 | 911216 | 4 | VITE | QS | ![]() |
1.00 EUR | ||
20 | 911638 | 1 | GUIDA CINGHIA | TYPE 5 | QS | ![]() |
1.00 EUR | |
20 | 911638 | 1 | GUIDA CINGHIA | TYPE 4 | QS | ![]() |
1.00 EUR | |
21 | 917296 | 1 | PULEGGIA | QS | ![]() |
2.00 EUR | ||
22 | 321200 | 1 | TRASMISS. A CINGHIA | QS | ![]() |
5.54 EUR | ||
27 | 321384 | 1 | CONDENSATORE | QS | ![]() |
1.44 EUR | ||
28 | 877898 | 2 | PORTASPAZZOLE | QS | ![]() |
1.00 EUR | ||
29 | 915068-01 | 2 | SPAZZOLA CON MOLLA | SINGULAR | QS | ![]() |
1.10 EUR | |
30 | 878846 | 2 | LEAD 360MM | QS | ![]() |
1.10 EUR | ||
31 | 878817 | 1 | ASS. CUSCINETTO | TYPE 5 | QS | ![]() |
2.67 EUR | |
31 | 878817 | 1 | ASS. CUSCINETTO | TYPE 4 | QS | ![]() |
2.67 EUR | |
31 | 330003-31 | 1 | CUSCINETTO | TYPE 1-2-3 | QS | ![]() |
4.87 EUR | |
32 | 911060 | 10 | VITE | QS | ![]() |
1.00 EUR | ||
35 | 330003-31 | 1 | CUSCINETTO | QS | ![]() |
4.87 EUR | ||
36 | 330003-39 | 1 | CUSCINETTO | QS | ![]() |
3.08 EUR | ||
37 | 916980 | 1 | PIASTRA | QS | ![]() |
1.10 EUR | ||
38 | 917307 | 1 | RONDELLA | QS | ![]() |
1.00 EUR | ||
39 | 911388 | 4 | VITE | QS | ![]() |
1.00 EUR | ||
40 | 372937-05 | 1 | ASS. CORPO | TYPE 5 | QS | ![]() |
16.88 EUR | |
40 | 372937-05 | 1 | ASS. CORPO | TYPE 4 | QS | ![]() |
16.88 EUR | |
41 | 330004-02 | 1 | BOCCOLA AD AGHI | QS | ![]() |
2.00 EUR | ||
42 | 917424 | 2 | VITE | QS | ![]() |
1.00 EUR | ||
43 | 917752 | 1 | VENTOLA | QS | ![]() |
1.54 EUR | ||
45 | 878428 | 2 | PORTAUTENSILE | QS | ![]() |
1.74 EUR | ||
46 | 918610 | 2 | COPERTURA | QS | ![]() |
2.36 EUR | ||
48 | 325377-00 | 10 | SCREW.TEMP | QS | ![]() |
1.20 EUR | ||
59 | 917549 | 1 | PIASTRA | BD720 DN720 | QS | |||
60 | 917552 | 1 | STAFFA | BD720 DN720 | QS | ![]() |
2.87 EUR | |
61 | 917551 | 1 | STAFFA | BD720 DN720 | QS | ![]() |
1.44 EUR | |
62 | 369640-01 | 1 | SACCHETTO DI RACC. | BD720 DN720 | QS | ![]() |
2.67 EUR | |
63 | 911059 | 4 | VITE | BD720 DN720 | QS | ![]() |
1.00 EUR | |
70 | 325808-49 | 1 | ASS. IMPUGNATURA | BD720 DN720 | QS | ![]() |
4.87 EUR | |
70 | 325808-49 | 1 | ASS. IMPUGNATURA | BD711 | QS | ![]() |
4.87 EUR | |
71 | 911214 | 1 | VITE | BD720 DN720 | QS | ![]() |
1.00 EUR | |
71 | 911214 | 1 | VITE | BD711 | QS | ![]() |
1.00 EUR | |
72 | 807043 | 1 | CHIAVE INGLESE | 4mm | QS | ![]() |
1.10 EUR | |
73 | 870490 | 1 | MOLLA | TYPE 5 | QS | ![]() |
1.10 EUR | |
73 | 870490 | 1 | MOLLA | TYPE 4 | QS | ![]() |
1.10 EUR | |
74 | 321327 | 1 | INSERTO | QS | ![]() |
1.10 EUR | ||
78 | 911079 | 1 | VITE | QS | ![]() |
1.00 EUR | ||
83 | 878192 | 1 | GUIDA | BD720 DN720 | QS | ![]() |
11.39 EUR | |
99 | 911897 | 1 | PORTAUTENSILE | TYPE 1-2-3 | QS | ![]() |
1.20 EUR |
* I prezzi indicati possono subire variazioni e non sono inclusivi di IVA ed eventuali spese di trasporto. Ci riserviamo la possibilità di variare i prezzi e le condizioni senza preavviso.