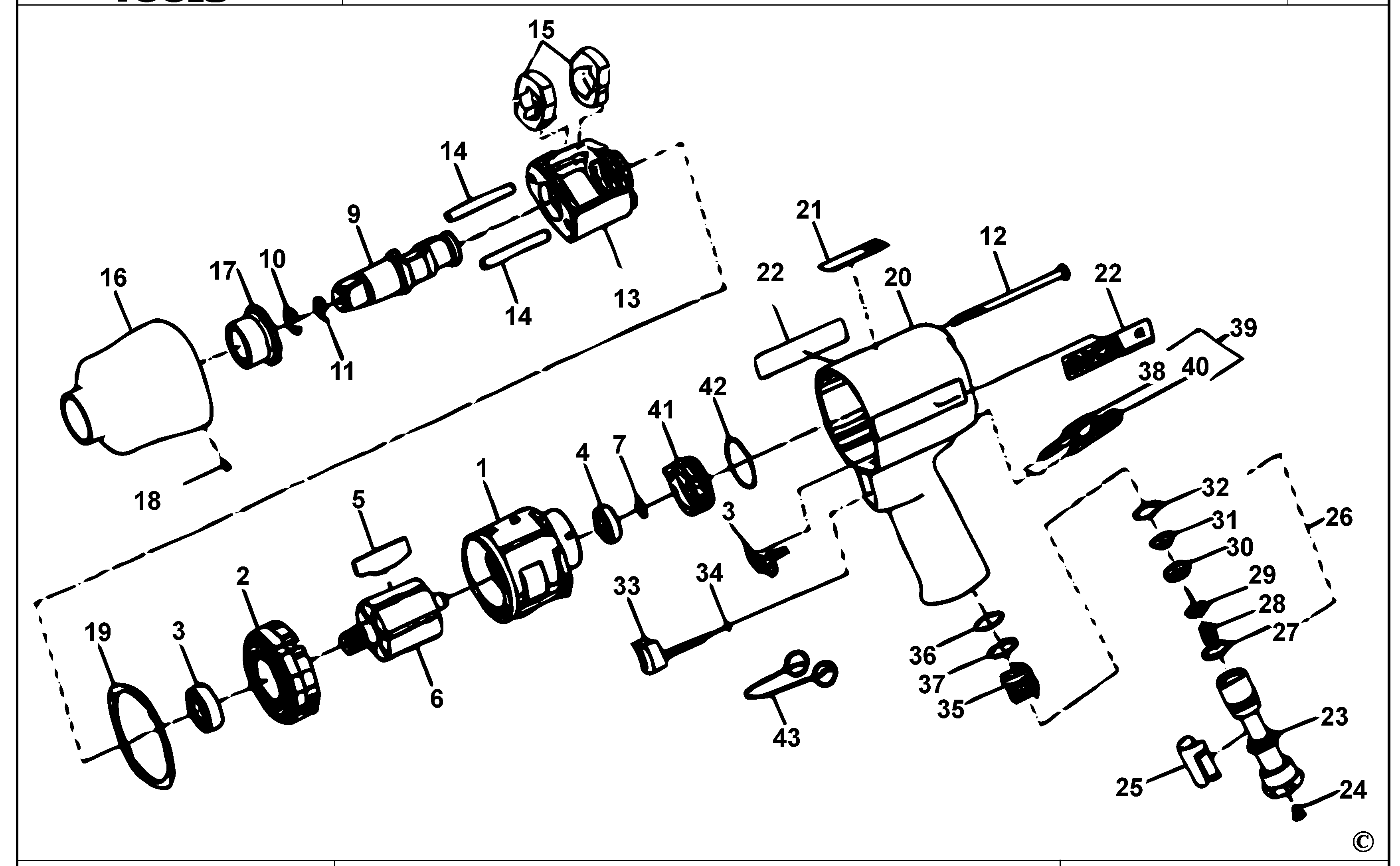
AW7500 CHIAVE AD IMPULSI Type 1 | Disegni
Documenti
Si prega di visualizzare il menu a tendina dal momento che alcuni prodotti potrebbero avere più disegni

Item No. | Product Number | Qty Per | Product Description | INFORMAZIONI | Altre informazioni | Markets | Product Status | Guida ai prezzi |
---|---|---|---|---|---|---|---|---|
1 | 2141-3 | 1 | CILINDRO | XJ | ||||
2 | 2141-11 | 1 | PIASTRA | XJ | ![]() |
|||
3 | 000000-00 | 1 | NON PIU' FORNIBILE | BEARING | XJ | |||
4 | 2131-97 | 1 | CUSCINETTO | XJ | ![]() |
|||
5 | 000000-00 | 6 | NON PIU' FORNIBILE | XJ | ||||
6 | 2141-53 | 1 | ROTORE | XJ | ||||
7 | 2131-6 | 1 | ANELLO | XJ | ![]() |
|||
8 | 2141-283 | 1 | GUARNIZIONE | XJ | ![]() |
|||
9 | 2141-A626 | 1 | INCUDINE | XJ | ![]() |
|||
10 | 908B5-918 | 1 | ANELLO DI TENUTA | XJ | ![]() |
|||
11 | AF120-289 | 1 | ANELLO TOROIDALE | XJ | ![]() |
|||
12 | 2141-638 | 4 | VITE | XJ | ![]() |
|||
13 | 2141-703 | 1 | HAMMER FRAME | XJ | ![]() |
|||
14 | 2141-704 | 2 | PERNO | XJ | ![]() |
|||
15 | 2141-724 | 2 | HAMMER | XJ | ![]() |
|||
16 | 2141-A727 | 1 | SCATOLA | XJ | ![]() |
|||
17 | 2141-641 | 1 | BOCCOLA | XJ | ![]() |
|||
18 | 000000-00 | 1 | NON PIU' FORNIBILE | XJ | ||||
19 | AW7500-36 | 1 | GUARNIZIONE | XJ | ![]() |
|||
20 | AW7500-B40 | 1 | CORPO | XJ | ![]() |
|||
21 | AW7500-301 | 2 | TARGHETTA | XJ | ![]() |
|||
22 | 000000-00 | 1 | NON PIU' FORNIBILE | XJ | ||||
23 | 000000-00 | 1 | NON PIU' FORNIBILE | XJ | ||||
24 | 5RA-61 | 1 | SCHERMO | XJ | ![]() |
|||
24 | 000000-00 | 1 | NON PIU' FORNIBILE | XJ | ||||
25 | 2141-57 | 1 | GRAFFA | XJ | ![]() |
|||
26 | 2141-K303 | 1 | PARTS PACK(KIT) | XJ | ![]() |
|||
27 | 000000-00 | 1 | NON PIU' FORNIBILE | SEAL | XJ | |||
28 | 000000-00 | 1 | NON PIU' FORNIBILE | XJ | ||||
29 | 000000-00 | 1 | NON PIU' FORNIBILE | XJ | ||||
30 | 000000-00 | 1 | NON PIU' FORNIBILE | XJ | ||||
31 | 000000-00 | 1 | NON PIU' FORNIBILE | XJ | ||||
32 | 000000-00 | 1 | NON PIU' FORNIBILE | RETAINER | XJ | |||
33 | 2141-A93 | 1 | GRILLETTO | XJ | ![]() |
|||
34 | 000000-00 | 1 | NON PIU' FORNIBILE | XJ | ||||
35 | 2141-A329 | 1 | VALVOLA DI INVERSIONE | XJ | ![]() |
|||
36 | 000000-00 | 1 | NON PIU' FORNIBILE | XJ | ||||
37 | 000000-00 | 1 | NON PIU' FORNIBILE | XJ | ||||
38 | AW7500-K75 | 1 | PULSANTE | XJ | ![]() |
|||
39 | 000000-00 | 1 | NON PIU' FORNIBILE | XJ | ||||
40 | 000000-00 | 1 | NON PIU' FORNIBILE | XJ | ||||
41 | 2131-A249 | 1 | ALIMENTATORE DI CORRENTE | XJ | ![]() |
|||
43 | 2131-322 | 1 | UTENSILE | XJ | ![]() |
* I prezzi indicati possono subire variazioni e non sono inclusivi di IVA ed eventuali spese di trasporto. Ci riserviamo la possibilità di variare i prezzi e le condizioni senza preavviso.