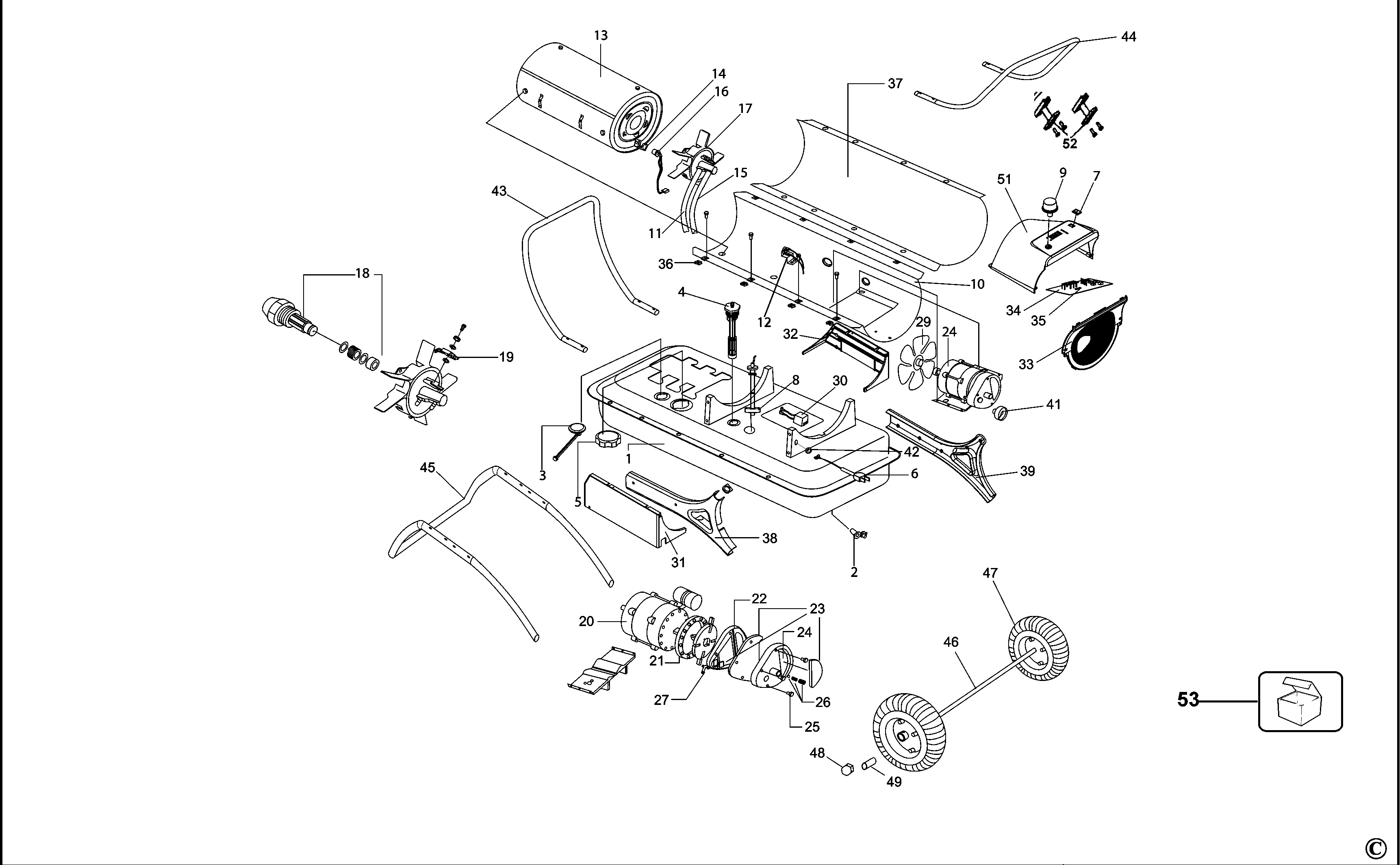
ST-175T-KFA-E RISCALDATORE Type 1 | Disegni
Documenti
Si prega di visualizzare il menu a tendina dal momento che alcuni prodotti potrebbero avere più disegni
| Item No. | Product Number | Qty Per | Product Description | INFORMAZIONI | Altre informazioni | Markets | Product Status | Guida ai prezzi |
|---|---|---|---|---|---|---|---|---|
| 1 | 1004748-91 | 1 | SERBATOIO CARBURANTE | QS | ![]() |
144.36 EUR | ||
| 2 | 1004748-57 | 1 | SPINA | QS | ![]() |
2.87 EUR | ||
| 3 | 1004748-58 | 1 | SPESSORE | QS | ![]() |
10.05 EUR | ||
| 4 | 1004748-59 | 1 | ASS. FILTRO | QS | ![]() |
12.67 EUR | ||
| 5 | 1004747-26 | 1 | TAPPO SERBATOIO | QS | 22.98 EUR | |||
| 6 | 1004748-92 | 1 | CAVO CON SPINA | QS | 18.73 EUR | |||
| 7 | 1004747-17 | 1 | INTERRUTTORE | QS | ![]() |
2.87 EUR | ||
| 8 | 1004748-61 | 1 | SENSORE | QS | ![]() |
41.96 EUR | ||
| 9 | 1004748-62 | 1 | MANOPOLA | QS | ![]() |
1.44 EUR | ||
| 10 | 1004748-93 | 1 | COPERTURA | QS | ![]() |
66.18 EUR | ||
| 11 | 1004760-63 | 1 | TUBO FLESSIBILE | QS | ![]() |
3.80 EUR | ||
| 12 | 1004747-31 | 1 | INTERRUTTORE | Thermal | QS | ![]() |
2.67 EUR | |
| 13 | 1004748-94 | 1 | CILINDRO | QS | ![]() |
101.57 EUR | ||
| 14 | 1004747-33 | 1 | STAFFA | Photocell | QS | ![]() |
1.33 EUR | |
| 15 | 1004748-95 | 1 | TUBO FLESSIBILE | QS | ![]() |
7.18 EUR | ||
| 16 | 1004747-35 | 1 | SENSORE | Photocell | QS | ![]() |
11.39 EUR | |
| 17 | 1004748-66 | 1 | ASS. TESTA | QS | ![]() |
20.52 EUR | ||
| 18 | 1004748-96 | 1 | UGELLO | QS | ![]() |
44.63 EUR | ||
| 19 | 1004748-68 | 1 | CANDELA | QS | ![]() |
15.54 EUR | ||
| 20 | 1004748-97 | 1 | SG MOTORE | QS | ![]() |
106.50 EUR | ||
| 21 | 1004748-70 | 1 | ASS. POMPA | QS | ![]() |
34.06 EUR | ||
| 22 | 1004747-42 | 1 | COPERTURA | QS | ![]() |
25.24 EUR | ||
| 24 | 1004747-43 | 1 | COPERTURA | QS | ![]() |
14.00 EUR | ||
| 26 | 1004748-98 | 1 | REGOLATORE | Pump | QS | ![]() |
2.67 EUR | |
| 27 | 1004748-72 | 1 | ROTORE | QS | ![]() |
68.64 EUR | ||
| 29 | 1004748-99 | 1 | ASS. VENTOLA | QS | ![]() |
15.54 EUR | ||
| 30 | 1004747-87 | 1 | ASS. STARTER | QS | ![]() |
68.64 EUR | ||
| 31 | 1004749-00 | 1 | COPERTURA DESTRA | QS | ![]() |
20.52 EUR | ||
| 32 | 1004749-01 | 1 | COPERTURA SINISTRA | QS | ![]() |
20.52 EUR | ||
| 33 | 1004748-77 | 1 | PROTEZIONE | QS | ![]() |
12.67 EUR | ||
| 34 | 1004748-78 | 1 | MODULO ELETTRONICO | QS | ![]() |
55.40 EUR | ||
| 35 | 1004747-48 | 1 | FUSIBILE | QS | ![]() |
1.00 EUR | ||
| 36 | 1004747-49 | 1 | DADO | QS | ![]() |
2.87 EUR | ||
| 37 | 1004749-02 | 1 | COPERTURA | QS | ![]() |
63.71 EUR | ||
| 38 | 1004748-80 | 1 | COPERTURA | QS | 25.24 EUR | |||
| 39 | 1004748-81 | 1 | COPERTURA | QS | ![]() |
25.24 EUR | ||
| 41 | 1004748-47 | 1 | SPESSORE | QS | ![]() |
20.52 EUR | ||
| 42 | 1004748-82 | 1 | BOCCOLA | QS | ![]() |
1.00 EUR | ||
| 43 | 1004749-03 | 1 | HANDLE | QS | ![]() |
39.81 EUR | ||
| 44 | 1004749-04 | 1 | HANDLE | QS | ![]() |
39.81 EUR | ||
| 45 | 1004749-05 | 1 | SOSTEGNOSACCO | QS | ![]() |
41.96 EUR | ||
| 46 | 1004749-06 | 1 | ASSE | QS | ![]() |
10.05 EUR | ||
| 47 | 1004749-07 | 1 | RUOTA | QS | ![]() |
22.98 EUR | ||
| 48 | 1004748-87 | 1 | DADO | QS | ![]() |
1.44 EUR | ||
| 49 | 1004748-88 | 1 | BOCCOLA | QS | ![]() |
1.10 EUR | ||
| 51 | 1004748-89 | 1 | COPERTURA | QS | ![]() |
22.98 EUR | ||
| 52 | 1004748-90 | 1 | STAFFA | QS | ![]() |
6.05 EUR | ||
| 53 | 1004747-52 | 1 | ASS. FILTRO | incl 22+23 | QS | ![]() |
46.07 EUR |
* I prezzi indicati possono subire variazioni e non sono inclusivi di IVA ed eventuali spese di trasporto. Ci riserviamo la possibilità di variare i prezzi e le condizioni senza preavviso.
