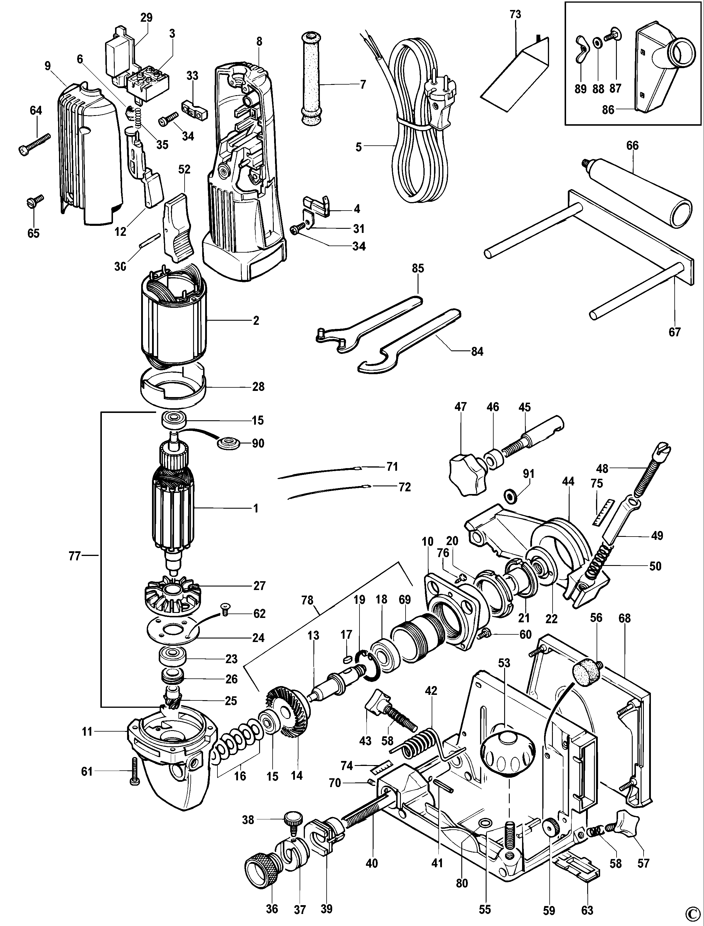
DS140 SCANALATRICE PER GIUNTI Type 3 | Disegni
Documenti
Si prega di visualizzare il menu a tendina dal momento che alcuni prodotti potrebbero avere più disegni

Item No. | Product Number | Qty Per | Product Description | INFORMAZIONI | Altre informazioni | Markets | Product Status | Guida ai prezzi |
---|---|---|---|---|---|---|---|---|
1 | 140100204 | 1 | ARMATURE KIT 220 | 230V TYPE 2 & 3 | IT | ![]() |
123.12 EUR | |
1 | 249638-00 | 1 | ARMATURE 115V | 115V TYPE 3 | IT | ![]() |
52.94 EUR | |
1 | 140100205 | 1 | INDOTTO | 115V TYPE 2 | IT | ![]() |
101.57 EUR | |
2 | 249639-00 | 1 | FIELD 115V | 115V TYPE 3 | IT | ![]() |
34.06 EUR | |
2 | 140102105 | 1 | FIELD 115V | 115V TYPE 2 | IT | ![]() |
37.96 EUR | |
2 | 140102103 | 1 | FIELD 220V | 230V TYPE 2 & 3 | IT | ![]() |
36.12 EUR | |
3 | 140160300 | 1 | INTERRUTTORE | IT | ![]() |
14.00 EUR | ||
4 | 140105703 | 2 | BRUSH & HOLDER 115V | 115V TYPE 2 | IT | ![]() |
12.67 EUR | |
4 | 140105703 | 2 | BRUSH & HOLDER 115V | 115V TYPE 3 | IT | ![]() |
12.67 EUR | |
4 | 140105702 | 2 | BRUSH HOLDER 230V | 230V TYPE 2 & 3 | IT | ![]() |
11.39 EUR | |
5 | 949770-06 | 1 | CAVO & SPINA | GB 240V | IT | ![]() |
20.52 EUR | |
5 | 378990 | 1 | CAVO CON SPINA | GB 115V | IT | ![]() |
22.98 EUR | |
5 | 330120-86 | 1 | CAVO CON SPINA | IT | ![]() |
10.05 EUR | ||
6 | 140161100 | 1 | CALOTTA | IT | ![]() |
2.67 EUR | ||
7 | 012160900 | 1 | MANICOTTO | IT | ![]() |
3.08 EUR | ||
8 | 249508-00 | 1 | FIELDCASE SA-KIT | Grey | IT | ![]() |
32.42 EUR | |
9 | 247322-05 | 1 | COPERTURA | TYPE 2 | IT | ![]() |
5.54 EUR | |
9 | 249507-02 | 1 | COPERTURA | Yellow | TYPE 3 | IT | ![]() |
5.54 EUR |
10 | 140151900 | 1 | PIASTRA | IT | ![]() |
27.91 EUR | ||
11 | 249236-10 | 1 | SCATOLA INGRANAGGI | IT | ![]() |
44.63 EUR | ||
12 | 941095 | 1 | LEVA | IT | ![]() |
2.36 EUR | ||
13 | 140151201 | 1 | SELETTORE | IT | ![]() |
22.98 EUR | ||
14 | 140150902 | 1 | INGRANAGGI | IT | ![]() |
52.94 EUR | ||
15 | 141830000 | 2 | CUSCINETTO | IT | ![]() |
8.52 EUR | ||
16 | 140931422 | 6 | MOLLA | IT | ![]() |
1.20 EUR | ||
17 | 021827000 | 1 | CHIAVE | IT | ![]() |
1.33 EUR | ||
18 | 013830000 | 1 | CUSCINETTO | IT | ![]() |
7.18 EUR | ||
19 | 038821200 | 1 | ANELLO D'ARRESTO | IT | ![]() |
1.10 EUR | ||
20 | 140153400 | 1 | ANELLO DI BLOCCO | IT | ![]() |
4.87 EUR | ||
21 | 140155400 | 1 | MOZZO | IT | ![]() |
11.39 EUR | ||
22 | 140153300 | 1 | RONDELLA DENTATA | IT | ![]() |
12.67 EUR | ||
23 | 142830000 | 1 | CUSCINETTO | IT | ![]() |
5.54 EUR | ||
24 | 140153302 | 1 | RONDELLA DI SPINTA | IT | ![]() |
2.87 EUR | ||
25 | 140150200 | 1 | INGRANAGGI | IT | ![]() |
32.42 EUR | ||
26 | 140152800 | 1 | OLIATORE | IT | ![]() |
2.67 EUR | ||
27 | 140130501 | 1 | VENTOLA | IT | ![]() |
2.26 EUR | ||
28 | 140120600 | 1 | LINGUETTA DI GUIDA | IT | ![]() |
1.74 EUR | ||
29 | 142121900 | 1 | CONDENSATORE | IT | ![]() |
20.52 EUR | ||
29 | 142121900 | 1 | CONDENSATORE | GB 115V | IT | ![]() |
20.52 EUR | |
29 | 065121902 | 1 | CONDENSATORE | GB 240V | IT | ![]() |
4.21 EUR | |
30 | 018810000 | 2 | PERNO | IT | ![]() |
1.20 EUR | ||
31 | 140931226 | 2 | MORSETTO | IT | ![]() |
2.67 EUR | ||
33 | 379684 | 1 | SERRAFILO PER CAVO | GB 115V | IT | ![]() |
1.00 EUR | |
33 | 379684 | 1 | SERRAFILO PER CAVO | GB 240V | IT | ![]() |
1.00 EUR | |
33 | 379684 | 1 | SERRAFILO PER CAVO | IT | ![]() |
1.00 EUR | ||
34 | 249416-06 | 2 | VITE | IT | ![]() |
1.10 EUR | ||
35 | 024931038 | 1 | MOLLA | IT | ![]() |
1.00 EUR | ||
36 | 140112400 | 1 | DADO | IT | ![]() |
4.87 EUR | ||
37 | 140110700 | 1 | ANELLO | IT | ![]() |
6.05 EUR | ||
38 | 140117100 | 1 | VITE | IT | ![]() |
1.74 EUR | ||
39 | 140114000 | 1 | GUAINA ISOLANTE | IT | ![]() |
27.91 EUR | ||
40 | 140112300 | 1 | ASSE SNODABILE | IT | ![]() |
4.87 EUR | ||
41 | 011810202 | 1 | PERNO | IT | ![]() |
1.00 EUR | ||
42 | 140932209 | 1 | MOLLA | IT | ![]() |
1.74 EUR | ||
43 | 140824100 | 1 | MANOPOLA | IT | ![]() |
3.08 EUR | ||
44 | 140113400 | 1 | STAFFA | IT | ![]() |
27.91 EUR | ||
45 | 140117101 | 1 | MORSETTO | IT | ![]() |
7.18 EUR | ||
46 | 140117600 | 1 | MANICOTTO | IT | ![]() |
1.44 EUR | ||
47 | 023824200 | 1 | MANOPOLA | IT | ![]() |
3.08 EUR | ||
48 | 140117102 | 1 | SCREW.TEMP | IT | ![]() |
2.87 EUR | ||
49 | 249088-00 | 1 | PIASTRA | IT | ![]() |
5.54 EUR | ||
50 | 140934020 | 1 | MOLLA | IT | ![]() |
1.10 EUR | ||
52 | 249068-00 | 1 | LEVA | IT | ![]() |
2.36 EUR | ||
53 | 379019 | 1 | MANOPOLA | IT | ![]() |
2.67 EUR | ||
54 | 379019 | 1 | MANOPOLA | IT | ![]() |
2.67 EUR | ||
55 | 249434-00 | 1 | VITE | IT | ![]() |
1.33 EUR | ||
56 | 761299-00 | 1 | PIEDE | IT | ![]() |
2.87 EUR | ||
57 | 025922908 | 1 | MANOPOLA | IT | ![]() |
1.74 EUR | ||
58 | 868082-00 | 2 | MOLLA | IT | ![]() |
1.00 EUR | ||
59 | 591114-00 | 4 | DADO | 13 mm | IT | ![]() |
1.33 EUR | |
60 | 249424-01 | 2 | VITE | IT | ![]() |
1.00 EUR | ||
61 | 249416-04 | 4 | VITE | IT | ![]() |
1.00 EUR | ||
62 | 860205-04 | 2 | VITE | IT | ![]() |
1.00 EUR | ||
63 | 249112-00 | 1 | INSERTO | IT | ![]() |
1.74 EUR | ||
64 | 949896-11 | 1 | VITE | IT | ![]() |
1.00 EUR | ||
65 | 249424-02 | 1 | VITE | IT | ![]() |
1.00 EUR | ||
66 | 940155 | 1 | ASS. IMPUGN. LATERAL | IT | ![]() |
3.80 EUR | ||
67 | 140106900 | 1 | GUIDA | IT | ![]() |
20.52 EUR | ||
68 | 140106600 | 1 | ASS.TAVOLO E PIASTRA | IT | ![]() |
144.36 EUR | ||
69 | 140152300 | 1 | GUAINA ISOLANTE | IT | ![]() |
12.67 EUR | ||
70 | 011814600 | 1 | PERNO | IT | ![]() |
1.00 EUR | ||
71 | 140164501 | 2 | LEAD 140MM RED | IT | ![]() |
1.33 EUR | ||
72 | 140164502 | 2 | LEAD 130MM YELLOW | IT | ![]() |
1.20 EUR | ||
73 | 140106903 | 1 | GUIDA | IT | ![]() |
29.65 EUR | ||
74 | 249280-00 | 1 | SCALA | IT | ![]() |
1.54 EUR | ||
75 | 249279-00 | 1 | SCALA | IT | ![]() |
1.74 EUR | ||
76 | 249424-00 | 1 | VITE | IT | ![]() |
1.00 EUR | ||
77 | 140100204 | 1 | ARMATURE KIT 220 | 230V TYPE 2 & 3 | IT | ![]() |
123.12 EUR | |
77 | 249539-00 | 1 | ARMATURE 115V | 115V TYPE 2 | IT | ![]() |
166.73 EUR | |
77 | 249539-01 | 1 | KIT INDOTTO | 115V TYPE 3 | IT | ![]() |
96.24 EUR | |
78 | 140102200 | 1 | INGRANAGGI | IT | ![]() |
80.13 EUR | ||
80 | 249223-00 | 1 | WASHER M8 | IT | ![]() |
1.00 EUR | ||
84 | 025351500 | 1 | CHIAVE AD ANELLO | IT | ![]() |
8.52 EUR | ||
85 | 249109-00 | 1 | CHIAVE | IT | ![]() |
8.52 EUR | ||
86 | 249113-00 | 1 | ADATTATORE | IT | ![]() |
2.26 EUR | ||
87 | 249407-00 | 2 | VITE | IT | ![]() |
1.20 EUR | ||
88 | 249233-00 | 2 | RONDELLA | IT | ![]() |
1.00 EUR | ||
89 | 249225-02 | 2 | NUT WING | IT | ![]() |
1.33 EUR | ||
90 | 930051 | 1 | DISTANZIALE | IT | ![]() |
1.00 EUR | ||
91 | 933515 | 1 | RONDELLA | IT | ![]() |
1.10 EUR |
* I prezzi indicati possono subire variazioni e non sono inclusivi di IVA ed eventuali spese di trasporto. Ci riserviamo la possibilità di variare i prezzi e le condizioni senza preavviso.