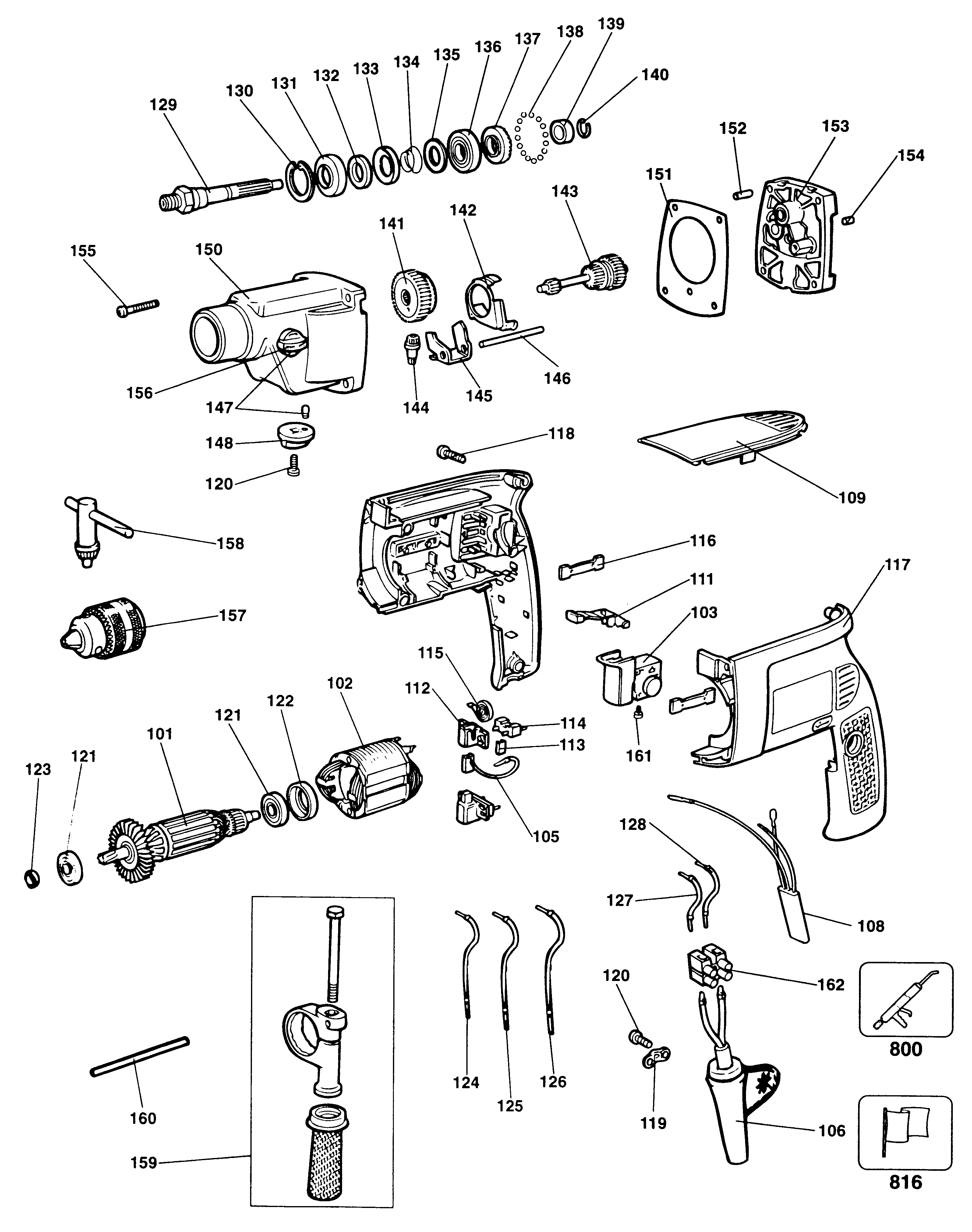
SB20 TRAPANO Type 1 | Disegni
Documenti
Si prega di visualizzare il menu a tendina dal momento che alcuni prodotti potrebbero avere più disegni

Item No. | Product Number | Qty Per | Product Description | INFORMAZIONI | Altre informazioni | Markets | Product Status | Guida ai prezzi |
---|---|---|---|---|---|---|---|---|
101 | 326152-00 | 1 | INDOTTO | IT | ![]() |
72.33 EUR | ||
102 | 323983-02 | 1 | STATORE | IT | ![]() |
16.88 EUR | ||
103 | 324556-49 | 1 | INTERRUTTORE | IT | ![]() |
14.00 EUR | ||
105 | 323660-04 | 2 | SPAZZOLE | IT | ![]() |
4.21 EUR | ||
108 | 320843-03 | 1 | CONDENSATORE | IT | ![]() |
6.05 EUR | ||
111 | 324734-02 | 1 | GREGGIO | IT | ![]() |
1.20 EUR | ||
112 | 323496-02 | 2 | PORTASPAZZOLE | IT | ![]() |
2.00 EUR | ||
113 | 326226-00 | 4 | ATTENUATORE | IT | ![]() |
1.00 EUR | ||
114 | 491366-00 | 2 | KIT SPAZZOLE | IT | ![]() |
12.67 EUR | ||
115 | 872843 | 2 | MOLLA | IT | ![]() |
1.10 EUR | ||
116 | 917713 | 2 | BLOCCO | IT | ![]() |
1.10 EUR | ||
117 | 323505-10 | 1 | ASS. CORPO | IT | ![]() |
11.39 EUR | ||
118 | 323924-02 | 5 | VITE | IT | ![]() |
1.00 EUR | ||
119 | 821070 | 1 | SERRAFILO | IT | ![]() |
1.00 EUR | ||
120 | 323924-08 | 3 | VITE | IT | ![]() |
1.00 EUR | ||
121 | 605040-63 | 2 | CUSCINETTO | IT | ![]() |
2.26 EUR | ||
122 | 323481-00 | 1 | CALOTTA | IT | ![]() |
1.33 EUR | ||
123 | 326155-00 | 1 | DISTANZIALE | IT | ![]() |
1.00 EUR | ||
124 | 323768-03 | 1 | LEAD 75MM BLACK | IT | ![]() |
1.10 EUR | ||
125 | 323635-07 | 2 | LEAD 100MM | IT | ![]() |
1.20 EUR | ||
126 | 878756 | 1 | LEAD 200MM BLACK | IT | ![]() |
1.10 EUR | ||
127 | 323635-10 | 1 | LEAD 70MM | IT | ![]() |
1.10 EUR | ||
128 | 323635-11 | 1 | LEAD 180MM | IT | ![]() |
1.20 EUR | ||
130 | 279820-00 | 1 | ANELLO D'ARRESTO | IT | ![]() |
2.00 EUR | ||
131 | 279818-00 | 1 | SCODELLINO | IT | ![]() |
2.26 EUR | ||
132 | 279819-00 | 1 | GUARNIZIONE | IT | ![]() |
1.74 EUR | ||
133 | 279807-00 | 1 | SCODELLINO | IT | ![]() |
16.88 EUR | ||
134 | 279808-00 | 1 | MOLLA | IT | ![]() |
1.33 EUR | ||
135 | 279809-00 | 1 | RONDELLA | IT | ![]() |
1.54 EUR | ||
136 | 279817-00 | 1 | CUSCINETTO | IT | ![]() |
11.39 EUR | ||
137 | 279810-00 | 1 | FERMO | IT | ![]() |
5.54 EUR | ||
138 | 279816-00 | 15 | SFERA D'ACCIAIO | IT | ![]() |
1.54 EUR | ||
139 | 279815-00 | 1 | DISTANZIALE | IT | ![]() |
4.21 EUR | ||
140 | 279811-00 | 1 | ANELLO D'ARRESTO | IT | ![]() |
1.33 EUR | ||
141 | 279812-00 | 1 | BLOCCO E FORCELLA | IT | ![]() |
14.00 EUR | ||
142 | 279821-00 | 1 | SCHERMO | IT | ![]() |
2.26 EUR | ||
143 | 279827-00 | 1 | ASS. INGRAN.RINVIO | Metabo | IT | ![]() |
48.22 EUR | |
144 | 279814-00 | 1 | SELETTORE | IT | ![]() |
2.87 EUR | ||
145 | 279812-00 | 1 | BLOCCO E FORCELLA | IT | ![]() |
14.00 EUR | ||
146 | 279822-00 | 1 | ALBERO | IT | ![]() |
1.74 EUR | ||
147 | N403227 | 2 | DENTE DI ARRESTO | IT | ![]() |
1.00 EUR | ||
148 | 326375-00 | 1 | MANOPOLA | IT | ![]() |
1.54 EUR | ||
151 | 279813-00 | 1 | GUARNIZIONE | IT | ![]() |
2.26 EUR | ||
152 | 279828-00 | 4 | GRANO | IT | ![]() |
1.44 EUR | ||
153 | 279824-00 | 1 | COPERTURA | IT | ![]() |
39.81 EUR | ||
154 | 916010 | 1 | PARACOLPI | IT | ![]() |
1.00 EUR | ||
155 | 330065-14 | 4 | VITE | IT | ![]() |
1.10 EUR | ||
156 | 279840-00 | 1 | MANOPOLA | IT | ![]() |
2.26 EUR | ||
157 | 5140071-68 | 1 | CHUCK 13MM | IT | ![]() |
10.05 EUR | ||
158 | 330034-07 | 1 | CHIAVE MANDRINO | IT | ![]() |
2.35 EUR | ||
159 | 939794-02 | 1 | ASS. IMPUGN. LATERAL | IT | ![]() |
7.18 EUR | ||
160 | 580787-00 | 1 | ARRESTO PROFONDITA' | IT | ![]() |
1.44 EUR | ||
161 | 911026 | 4 | VITE | IT | ![]() |
1.00 EUR | ||
162 | 323534-00 | 1 | CONNETTORE | IT | ![]() |
1.33 EUR | ||
800 | 279830-00 | 1 | GRASSO | IT | ![]() |
22.98 EUR | ||
816 | 326480-00 | 1 | ETICHETTA MARCHIO | IT | ![]() |
4.21 EUR |
* I prezzi indicati possono subire variazioni e non sono inclusivi di IVA ed eventuali spese di trasporto. Ci riserviamo la possibilità di variare i prezzi e le condizioni senza preavviso.