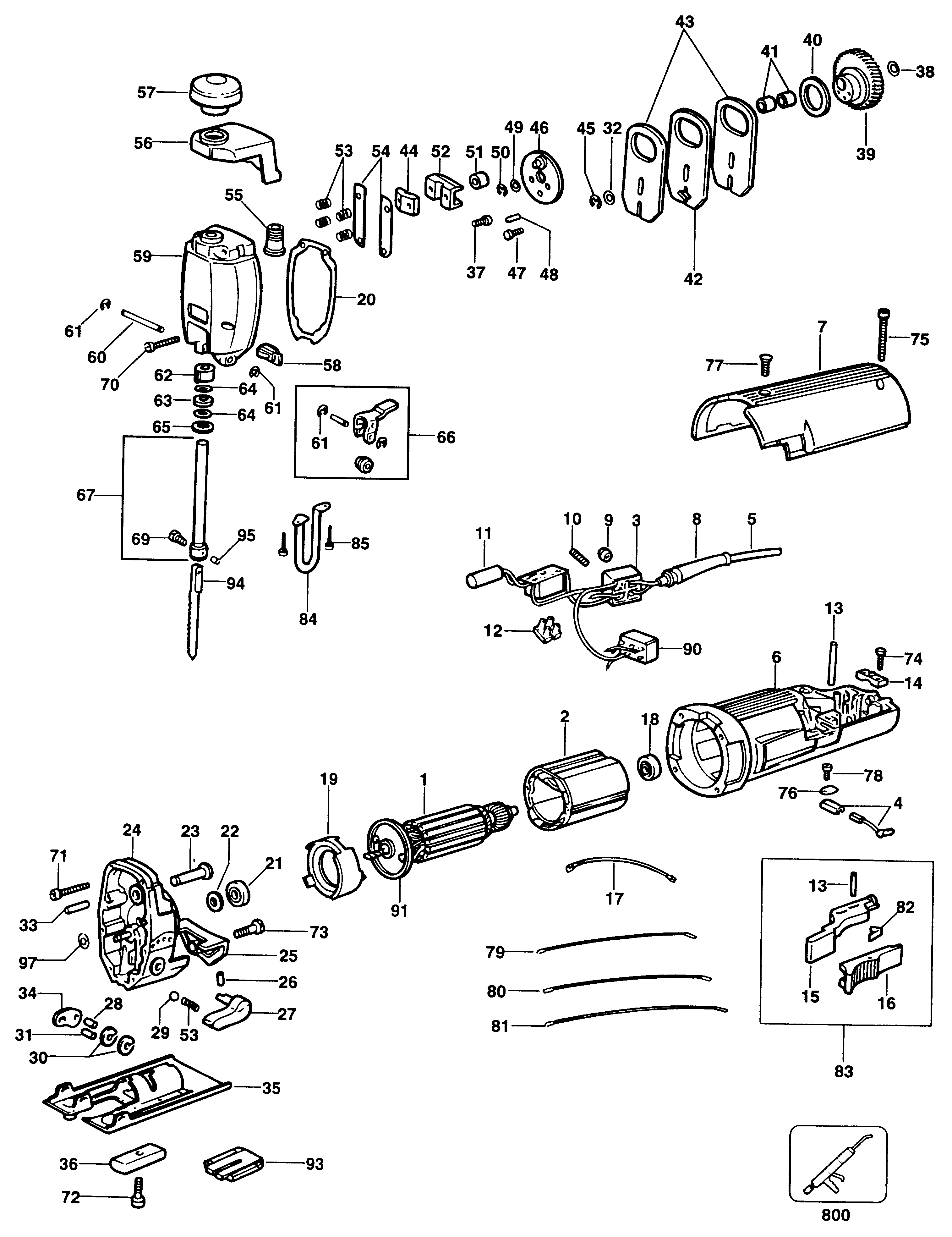
ST142 SEGHETTO ALTERNATIVO Type 4 | Disegni
Documenti
Si prega di visualizzare il menu a tendina dal momento che alcuni prodotti potrebbero avere più disegni
| Item No. | Product Number | Qty Per | Product Description | INFORMAZIONI | Altre informazioni | Markets | Product Status | Guida ai prezzi |
|---|---|---|---|---|---|---|---|---|
| 1 | 943537-01 | 1 | FSO ARMATURE 220V | 240V | IT | ![]() |
83.62 EUR | |
| 1 | 943537-01 | 1 | FSO ARMATURE 220V | 220V | IT | ![]() |
83.62 EUR | |
| 2 | 943536-02 | 1 | STATORE | 240V | IT | ![]() |
15.54 EUR | |
| 2 | 943536-01 | 1 | STATORE | 220V | IT | ![]() |
18.73 EUR | |
| 3 | 140160300 | 1 | INTERRUTTORE | IT | ![]() |
14.00 EUR | ||
| 6 | 249508-10 | 1 | ASS.CORPO MOTORE | IT | ![]() |
29.65 EUR | ||
| 7 | 940959-05 | 1 | COPERTURA SPAZZOLE | TYPE 3 | IT | ![]() |
7.18 EUR | |
| 7 | 249507-10 | 1 | COPERTURA | TYPE 4 | IT | ![]() |
8.52 EUR | |
| 8 | 012160900 | 1 | MANICOTTO | IT | ![]() |
3.08 EUR | ||
| 9 | 140161100 | 1 | CALOTTA | IT | ![]() |
2.67 EUR | ||
| 10 | 024931038 | 1 | MOLLA | IT | ![]() |
1.00 EUR | ||
| 11 | 065121902 | 1 | CONDENSATORE | IT | ![]() |
4.21 EUR | ||
| 12 | 249304-00 | 1 | CONNETTORE | IT | ![]() |
2.67 EUR | ||
| 13 | 018810000 | 2 | PERNO | IT | ![]() |
1.20 EUR | ||
| 14 | 379684 | 1 | SERRAFILO PER CAVO | IT | ![]() |
1.00 EUR | ||
| 15 | 941095 | 1 | LEVA | IT | ![]() |
2.36 EUR | ||
| 16 | 249069-00 | 1 | CURSORE | IT | ![]() |
2.00 EUR | ||
| 17 | 142164506 | 1 | CAVETTO STATORE | IT | ![]() |
1.20 EUR | ||
| 18 | 141830000 | 1 | CUSCINETTO | IT | ![]() |
8.52 EUR | ||
| 19 | 940950-00 | 1 | BAFFLE FAN | IT | ![]() |
2.00 EUR | ||
| 20 | 941096-00 | 1 | GIUNTO | IT | ![]() |
2.36 EUR | ||
| 21 | 142830000 | 1 | CUSCINETTO | IT | ![]() |
5.54 EUR | ||
| 22 | 142970604 | 1 | RONDELLA DI NYLON | IT | ![]() |
3.08 EUR | ||
| 23 | 142152401 | 1 | BULLONE | IT | ![]() |
7.18 EUR | ||
| 24 | 249570-00 | 1 | SCATOLA INGRANAGGI | IT | ![]() |
66.18 EUR | ||
| 25 | 249020-00 | 1 | STAFFA | IT | ![]() |
1.74 EUR | ||
| 26 | 142810400 | 1 | COPPIGLIA | IT | ![]() |
1.00 EUR | ||
| 27 | 249072-00 | 1 | LEVA | IT | ![]() |
8.52 EUR | ||
| 28 | 048810106 | 1 | GRANO | IT | ![]() |
1.10 EUR | ||
| 29 | 013831000 | 1 | BALL 6MM | IT | ![]() |
1.10 EUR | ||
| 30 | 142153302 | 2 | RONDELLA | IT | ![]() |
1.74 EUR | ||
| 31 | 142810104 | 1 | PERNO | IT | ![]() |
1.10 EUR | ||
| 32 | 142930194 | 2 | RONDELLA | IT | ![]() |
1.00 EUR | ||
| 33 | 113810100 | 1 | ALBERINO | IT | ![]() |
1.20 EUR | ||
| 34 | 142153800 | 1 | LEVA | IT | ![]() |
3.08 EUR | ||
| 35 | 941053-00 | 1 | FSO SHOE | IT | ![]() |
20.52 EUR | ||
| 36 | 142116300 | 1 | PIASTRA | IT | ![]() |
6.05 EUR | ||
| 37 | 860205-04 | 3 | VITE | IT | ![]() |
1.00 EUR | ||
| 38 | 142930193 | 1 | RONDELLA | IT | ![]() |
1.10 EUR | ||
| 39 | 940942-00 | 1 | FSO GEAR ECC. | IT | ![]() |
50.38 EUR | ||
| 40 | 142930196 | 1 | RONDELLA | IT | ![]() |
1.20 EUR | ||
| 41 | 142980032 | 2 | ANELLO | IT | ![]() |
4.21 EUR | ||
| 42 | 940944-00 | 1 | CONTRAPPESO | IT | ![]() |
8.52 EUR | ||
| 43 | 940943-00 | 2 | CONTRAPPESO | IT | ![]() |
10.05 EUR | ||
| 44 | 142154400 | 1 | MORSETTO | IT | ![]() |
7.18 EUR | ||
| 45 | 860322-00 | 1 | ANELLO D'ARRESTO | IT | ![]() |
1.00 EUR | ||
| 46 | 142153301 | 1 | ECCENTRICO | IT | ![]() |
36.12 EUR | ||
| 47 | 142810200 | 2 | PERNO DEL RULLO | IT | ![]() |
1.00 EUR | ||
| 48 | 720685-00 | 3 | SCREW.TEMP | IT | ![]() |
1.00 EUR | ||
| 49 | 247651-00 | 1 | RONDELLA | IT | ![]() |
1.20 EUR | ||
| 50 | 120820700 | 1 | ANELLO D'ARRESTO | IT | ![]() |
1.00 EUR | ||
| 51 | 142980033 | 1 | FSO BEARING,NEEDLE | IT | ![]() |
22.98 EUR | ||
| 52 | 142151400 | 1 | GIOGO | IT | ![]() |
25.24 EUR | ||
| 53 | 142934024 | 5 | MOLLA | IT | ![]() |
1.00 EUR | ||
| 54 | 142154200 | 2 | GUIDA | IT | ![]() |
1.74 EUR | ||
| 55 | 142151402 | 1 | GUIDA | IT | ![]() |
5.54 EUR | ||
| 56 | 249021-00 | 1 | COPERTURA | IT | ![]() |
2.26 EUR | ||
| 57 | 249115-00 | 1 | MANOPOLA | IT | ![]() |
4.87 EUR | ||
| 58 | 142153600 | 1 | PIASTRA | IT | ![]() |
1.20 EUR | ||
| 59 | 142105101 | 1 | SCATOLA INGRANAGGI | IT | ![]() |
63.71 EUR | ||
| 60 | 142912604 | 1 | VITE | IT | ![]() |
1.44 EUR | ||
| 61 | 142820700 | 2 | RONDELLA DENTATA | IT | ![]() |
1.00 EUR | ||
| 62 | 142152300 | 1 | GUAINA ISOLANTE | IT | ![]() |
3.80 EUR | ||
| 63 | 142152801 | 1 | FELTRINO | IT | ![]() |
1.10 EUR | ||
| 64 | 142930191 | 1 | RONDELLA PICCOLA | IT | ![]() |
1.00 EUR | ||
| 65 | 142930192 | 1 | RONDELLA GRANDE | IT | ![]() |
1.10 EUR | ||
| 66 | 247439-50 | 1 | FSO GUIDE SA | IT | ![]() |
29.65 EUR | ||
| 69 | 142910706 | 1 | VITE | IT | ![]() |
1.10 EUR | ||
| 70 | 249424-08 | 2 | VITE | IT | ![]() |
1.00 EUR | ||
| 71 | 249416-03 | 2 | VITE | IT | ![]() |
1.00 EUR | ||
| 72 | 249408-11 | 1 | VITE | IT | ![]() |
1.20 EUR | ||
| 73 | 249424-04 | 1 | VITE | IT | ![]() |
1.00 EUR | ||
| 74 | 249416-06 | 2 | VITE | IT | ![]() |
1.10 EUR | ||
| 75 | 949896-11 | 1 | VITE | IT | ![]() |
1.00 EUR | ||
| 76 | 140931226 | 2 | MORSETTO | IT | ![]() |
2.67 EUR | ||
| 77 | 249424-02 | 1 | VITE | IT | ![]() |
1.00 EUR | ||
| 78 | 249416-06 | 1 | VITE | IT | ![]() |
1.10 EUR | ||
| 79 | 140164501 | 2 | LEAD 140MM RED | IT | ![]() |
1.33 EUR | ||
| 80 | 140164502 | 1 | LEAD 130MM YELLOW | IT | ![]() |
1.20 EUR | ||
| 81 | 152164514 | 1 | LEAD 130MM BLUE | IT | ![]() |
1.33 EUR | ||
| 82 | 141931231 | 1 | GRAFFA | IT | ![]() |
2.00 EUR | ||
| 83 | 249535-00 | 1 | ASS. LEVA | IT | ![]() |
15.54 EUR | ||
| 84 | 940961-00 | 1 | MANICOTTO | IT | ![]() |
1.54 EUR | ||
| 85 | 247129-05 | 2 | VITE | IT | ![]() |
1.00 EUR | ||
| 90 | 249102-00 | 1 | INTERRUTTORE & DIODO | IT | ![]() |
14.00 EUR | ||
| 93 | 249070-00 | 1 | INSERT PVC | IT | ![]() |
1.20 EUR | ||
| 94 | 142151401 | 1 | GUIDA | IT | ![]() |
4.21 EUR | ||
| 95 | 142815100 | 1 | RIBATTINO | IT | ![]() |
1.54 EUR | ||
| 97 | 247650-00 | 1 | RONDELLA | IT | ![]() |
1.00 EUR | ||
| 800 | 249634-00 | 1 | GREASE 40 GMS | IT |
* I prezzi indicati possono subire variazioni e non sono inclusivi di IVA ed eventuali spese di trasporto. Ci riserviamo la possibilità di variare i prezzi e le condizioni senza preavviso.

