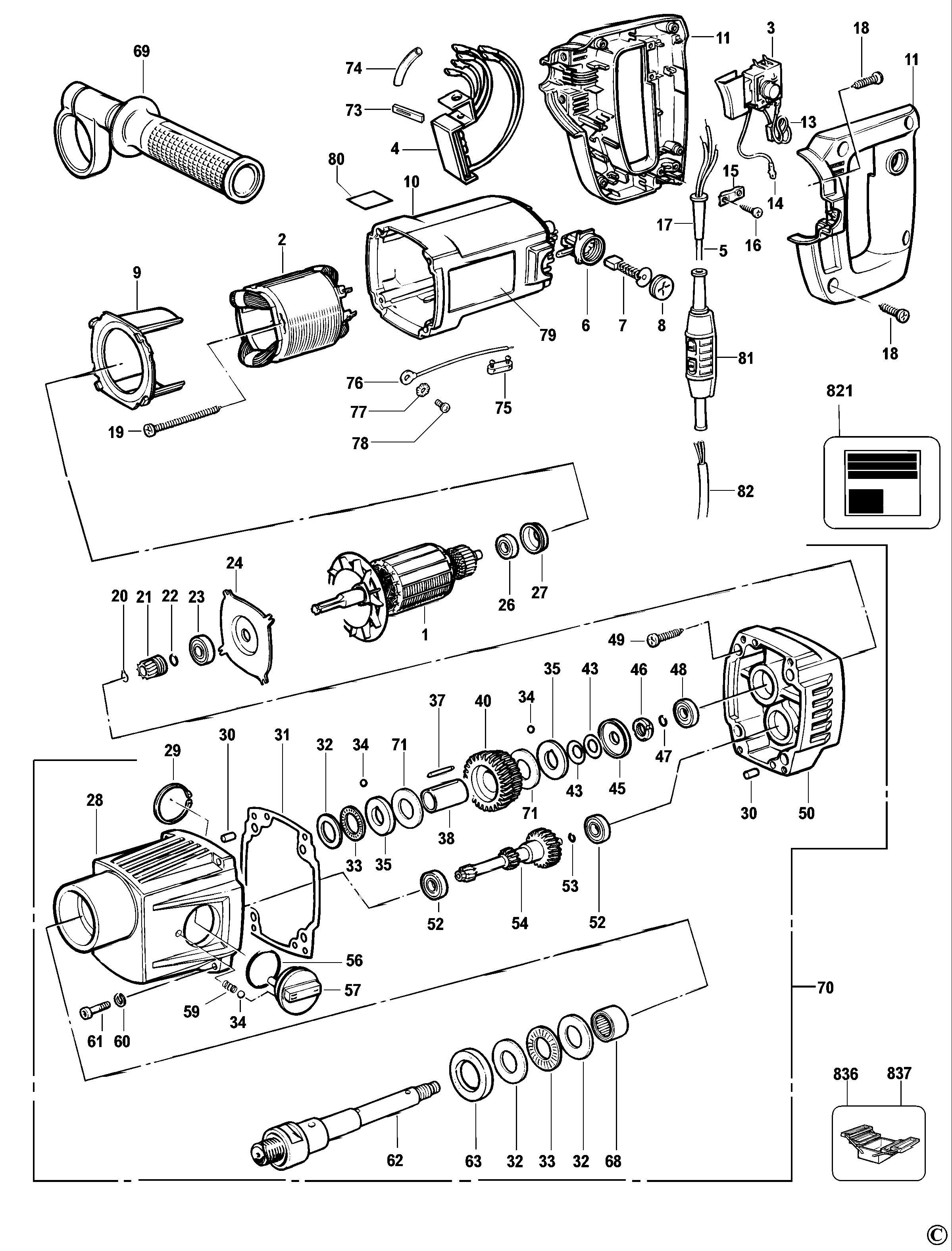
DB11EK TRAPANO DIAMANTE Type 1 | Disegni
Documenti
Si prega di visualizzare il menu a tendina dal momento che alcuni prodotti potrebbero avere più disegni

Item No. | Product Number | Qty Per | Product Description | INFORMAZIONI | Altre informazioni | Markets | Product Status | Guida ai prezzi |
---|---|---|---|---|---|---|---|---|
1 | 248158-00 | 1 | INDOTTO | 230 VOLT | XJ | ![]() |
123.12 EUR | |
1 | 248158-01 | 1 | ARMATURE 115V | 115 VOLT | XJ | ![]() |
96.24 EUR | |
2 | 587020-01 | 1 | FIELD 115V | 115 VOLT | XJ | ![]() |
27.91 EUR | |
2 | 587020-00 | 1 | STATORE | 230 VOLT | XJ | ![]() |
22.98 EUR | |
3 | 324989-00 | 1 | INTERRUTTORE | XJ | ![]() |
27.91 EUR | ||
4 | 328372-02 | 1 | SERVICE KIT 115V | ELU Grey | 115 VOLT | XJ | ![]() |
72.33 EUR |
4 | 328372-00 | 1 | SERVICE KIT 230V | ELU Grey | 230 VOLT | XJ | ![]() |
101.57 EUR |
5 | 330085-05 | 1 | CAVO | XJ | ![]() |
3.80 EUR | ||
6 | 448083-01 | 2 | BRUSHBOX | XJ | ![]() |
4.21 EUR | ||
7 | 248155-00 | 2 | SPAZZOLE | 230 VOLT | XJ | ![]() |
8.52 EUR | |
7 | 248155-01 | 2 | SPAZZOLE | 115 VOLT | XJ | ![]() |
5.54 EUR | |
8 | 448084-01 | 2 | SPAZZOLA CALOTTA | XJ | ![]() |
1.74 EUR | ||
9 | 447786-00 | 1 | BAFFLE FAN | XJ | ![]() |
1.54 EUR | ||
10 | 447799-00 | 1 | CORPO MOTORE | XJ | ![]() |
8.52 EUR | ||
11 | 572000-01 | 1 | ASS. IMPUGNATURA | Yellow | XJ | ![]() |
16.88 EUR | |
13 | 320842-03 | 1 | CONDENSATORE | XJ | ![]() |
2.00 EUR | ||
14 | 248022-01 | 1 | LEAD 115V | 115 VOLT | XJ | ![]() |
1.20 EUR | |
15 | 910556 | 1 | SERRAFILO PER CAVO | XJ | ![]() |
1.00 EUR | ||
16 | 330065-08 | 2 | VITE | M4x18 T20 | XJ | ![]() |
1.00 EUR | |
17 | 401088-00 | 1 | MANICOTTO | XJ | ![]() |
1.74 EUR | ||
18 | 330019-13 | 8 | VITE | M4X19 T20 | XJ | ![]() |
1.00 EUR | |
19 | 844217-03 | 2 | VITE | XJ | ![]() |
1.10 EUR | ||
20 | 248311-00 | 1 | ANELLO D'ARRESTO | XJ | ![]() |
1.00 EUR | ||
21 | 248035-00 | 1 | PIGNONE | XJ | ![]() |
44.63 EUR | ||
22 | 248036-00 | 1 | ANELLO TOROIDALE | XJ | ![]() |
5.54 EUR | ||
23 | 330003-64 | 1 | CUSCINETTO | ID 12 x OD 28 x 8mm | XJ | ![]() |
6.05 EUR | |
24 | 448079-00 | 1 | PIASTRA | XJ | ![]() |
1.74 EUR | ||
26 | 605040-06 | 1 | BEARING,BALL | XJ | ![]() |
2.87 EUR | ||
27 | 445217-02 | 1 | MANICOTTO | XJ | ![]() |
1.33 EUR | ||
28 | 248075-00 | 1 | SCATOLA INGRANAGGI | XJ | ![]() |
148.67 EUR | ||
29 | 278814-00 | 1 | ANELLO D'ARRESTO | XJ | ![]() |
1.54 EUR | ||
30 | 832327 | 2 | PERNO | XJ | ![]() |
3.08 EUR | ||
31 | 248049-00 | 1 | GUARNIZIONE | XJ | ![]() |
1.74 EUR | ||
32 | 278811-00 | 3 | ANELLO | XJ | ![]() |
8.52 EUR | ||
33 | 278810-00 | 2 | CUSCINETTO | XJ | ![]() |
7.18 EUR | ||
34 | 832343 | 3 | SFERA | XJ | ![]() |
1.00 EUR | ||
37 | 278821-00 | 1 | PERNO | XJ | ![]() |
4.21 EUR | ||
38 | 279196-00 | 1 | KIT FRIZIONE | XJ | ![]() |
61.56 EUR | ||
40 | 248057-00 | 1 | ASS. INGRANAGGI | XJ | ![]() |
91.62 EUR | ||
43 | 248058-00 | 4 | RONDELLA | XJ | ![]() |
1.44 EUR | ||
45 | 248060-00 | 1 | SCODELLINO | XJ | ![]() |
20.52 EUR | ||
46 | 248061-00 | 1 | DADO | XJ | ![]() |
3.80 EUR | ||
47 | 278699-00 | 1 | GUARNIZIONE | XJ | ![]() |
1.10 EUR | ||
48 | 050830000 | 1 | BEARING 6001 RSZ | XJ | ![]() |
7.18 EUR | ||
49 | 330019-42 | 4 | VITE | XJ | ![]() |
1.00 EUR | ||
50 | 248065-04 | 1 | SCATOLA INGRANAGGI | XJ | ![]() |
77.16 EUR | ||
52 | 832337 | 2 | CUSCINETTO | XJ | ![]() |
14.00 EUR | ||
53 | 278778-00 | 1 | GUARNIZIONE | XJ | ![]() |
1.10 EUR | ||
54 | 248069-00 | 1 | INGRANAGG. DI RINVIO | XJ | ![]() |
106.50 EUR | ||
56 | 832348 | 1 | ANELLO | XJ | ![]() |
1.00 EUR | ||
57 | 248071-00 | 1 | MANOPOLA | XJ | ![]() |
25.24 EUR | ||
59 | 832344 | 1 | MOLLA | XJ | ![]() |
1.20 EUR | ||
60 | 832364 | 4 | RONDELLA | XJ | ![]() |
1.44 EUR | ||
61 | 248063-00 | 4 | SCREW.TEMP | XJ | ![]() |
1.44 EUR | ||
62 | 248074-00 | 1 | ALBERINO | M18 x 2.5 | DB11EKM | XJ | ![]() |
61.56 EUR |
62 | 248074-02 | 1 | ALBERINO | 5/8"-16 UNF | DB11EK / DB11EKL | XJ | ![]() |
44.63 EUR |
63 | 278812-00 | 1 | GUARNIZIONE | XJ | ![]() |
10.05 EUR | ||
68 | 278809-00 | 1 | CUSCINETTO | XJ | ![]() |
39.81 EUR | ||
69 | 248190-00 | 1 | ASS. IMPUGN. LATERAL | XJ | ![]() |
32.42 EUR | ||
70 | 248019-05 | 1 | SCATOLA INGRANAGGI | Silver | DB11EKM | XJ | ![]() |
580.41 EUR |
70 | 248019-06 | 1 | SCATOLA INGRANAGGI | DB11EK / DB11EKL | XJ | ![]() |
580.41 EUR | |
73 | 248037-00 | 1 | MANICOTTO | UP TO DATE CODE 9852 | XJ | ![]() |
1.33 EUR | |
74 | 249666-00 | 1 | GUAINA DI PROTEZIONE | 230 VOLT | XJ | ![]() |
1.20 EUR | |
75 | 323534-00 | 1 | CONNETTORE | XJ | ![]() |
1.33 EUR | ||
76 | 323635-15 | 1 | CAVETTO | XJ | ![]() |
1.33 EUR | ||
77 | 933652-00 | 1 | RONDELLA | XJ | ![]() |
1.00 EUR | ||
78 | 324006-06 | 1 | VITE | XJ | ![]() |
1.00 EUR | ||
79 | 248182-05 | 1 | ETICHETTA MARCHIO | XJ | ![]() |
4.21 EUR | ||
80 | 328310-00 | 1 | ETICHETTA | XJ | ![]() |
2.36 EUR | ||
81 | 249698-01 | 1 | DISINSERITORE | 115 VOLT | XJ | ![]() |
188.99 EUR | |
81 | 249698-00 | 1 | DISINSERITORE | 230 VOLT | XJ | ![]() |
178.01 EUR | |
82 | 330085-02 | 1 | CORDSET (EURO) | QS | XJ | ![]() |
22.98 EUR | |
82 | 330085-04 | 1 | CAVO CON SPINA | XW | XJ | ![]() |
36.12 EUR | |
821 | 569038-00 | 1 | SCHEDA | XJ | ![]() |
1.54 EUR | ||
836 | 559505-99 | 1 | PRESA | XJ | ![]() |
56.94 EUR | ||
837 | 559569-99 | 1 | PRESA | XJ | ![]() |
87.83 EUR |
* I prezzi indicati possono subire variazioni e non sono inclusivi di IVA ed eventuali spese di trasporto. Ci riserviamo la possibilità di variare i prezzi e le condizioni senza preavviso.