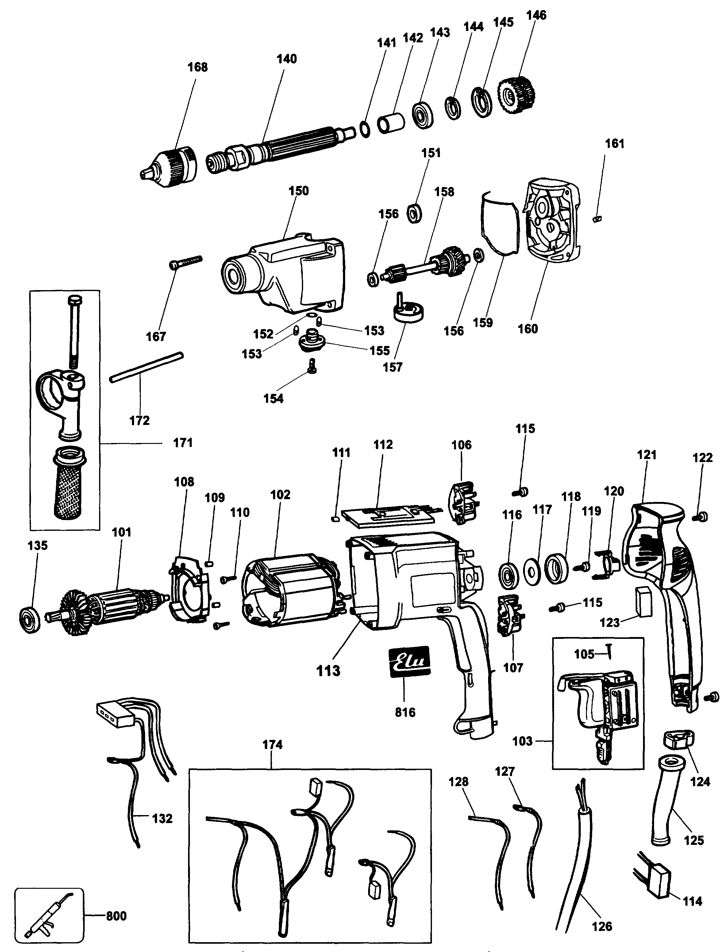
BM22E TRAPANO Type 1 | Disegni
Documenti
Si prega di visualizzare il menu a tendina dal momento che alcuni prodotti potrebbero avere più disegni

Item No. | Product Number | Qty Per | Product Description | INFORMAZIONI | Altre informazioni | Markets | Product Status | Guida ai prezzi |
---|---|---|---|---|---|---|---|---|
101 | 327471-02 | 1 | ARMATURE 230V | IT | ![]() |
52.94 EUR | ||
102 | 328961-17 | 1 | FIELD 230V | IT | ![]() |
22.98 EUR | ||
103 | 329854-49 | 1 | KIT INTERRUTTORE | Tyco | IT | 27.91 EUR | ||
105 | 402760-00 | 1 | PERNO | UPTO DC 39-97 | IT | ![]() |
1.10 EUR | |
105 | 402760-01 | 1 | PERNO | FROM DC 40-97 | IT | ![]() |
1.10 EUR | |
106 | 401878-00 | 1 | ASS. PORTASPAZZOLE | IT | ![]() |
2.87 EUR | ||
107 | 401877-00 | 1 | ASS. PORTASPAZZOLE | IT | ![]() |
2.87 EUR | ||
108 | 327293-00 | 1 | BAFFLE FAN | IT | ![]() |
1.54 EUR | ||
109 | 949638-01 | 2 | BUFFER | IT | ![]() |
1.00 EUR | ||
110 | 390198-00 | 4 | VITE | IT | ![]() |
1.10 EUR | ||
111 | 949638-02 | 1 | ATTENUATORE | IT | ![]() |
1.00 EUR | ||
112 | 577857-02 | 1 | SWITCH KIT 230V | IT | ![]() |
22.98 EUR | ||
113 | 327290-04 | 1 | ASS CORPO | Grey | IT | ![]() |
6.05 EUR | |
114 | 949877-01 | 1 | CONDENSATORE | IT | ![]() |
1.54 EUR | ||
115 | 330065-06 | 2 | VITE | IT | ![]() |
1.00 EUR | ||
116 | 330003-19 | 1 | CUSCINETTO | IT | ![]() |
5.54 EUR | ||
117 | 949876-25 | 1 | RONDELLA | IT | ![]() |
1.10 EUR | ||
118 | 870052 | 1 | MANICOTTO | IT | ![]() |
1.10 EUR | ||
119 | 329794-00 | 1 | VITE | IT | ![]() |
1.10 EUR | ||
120 | 327296-00 | 1 | CALOTTA | IT | ![]() |
1.10 EUR | ||
121 | 327298-00 | 1 | COPERTURA | Grey | IT | ![]() |
10.05 EUR | |
122 | 330065-08 | 3 | VITE | M4x18 T20 | IT | ![]() |
1.00 EUR | |
123 | 930026-01 | 1 | PARACOLPI | IT | ![]() |
1.10 EUR | ||
124 | 402649-00 | 1 | SERRAFILO | IT | ![]() |
1.20 EUR | ||
125 | 403395-00 | 1 | CORD PROTECTOR | IT | ![]() |
2.26 EUR | ||
126 | N571221 | 1 | CORDSET (EURO) | IT | ![]() |
12.67 EUR | ||
127 | 949801-86 | 1 | LEAD BLACK 90MM | IT | ![]() |
1.10 EUR | ||
128 | 949801-85 | 1 | LEAD BLACK 90MM | IT | ![]() |
1.10 EUR | ||
132 | 328101-00 | 1 | ASS.CAVO CON PRESA | IT | ![]() |
3.08 EUR | ||
135 | 605040-05 | 1 | CUSCINETTO | IT | ![]() |
1.74 EUR | ||
140 | 327313-02 | 1 | ASS. ALBERO | IT | ![]() |
25.24 EUR | ||
141 | 930028-00 | 1 | ANELLO TOROIDALE | IT | ![]() |
1.00 EUR | ||
142 | 327289-00 | 1 | MANICOTTO | IT | ![]() |
1.44 EUR | ||
143 | 605040-25 | 1 | BEARING,BALL | IT | ![]() |
3.80 EUR | ||
144 | 944137-00 | 1 | ANELLO D'ARRESTO | IT | ![]() |
1.33 EUR | ||
145 | 931398 | 1 | ANELLO | IT | ![]() |
1.10 EUR | ||
146 | 1008288-00 | 1 | INGRANAGGI | IT | ![]() |
32.42 EUR | ||
150 | 327311-00 | 1 | SCATOLA INGRANAGGI | IT | ![]() |
20.52 EUR | ||
151 | 1006305-00 | 1 | GUARNIZIONE | IT | ![]() |
1.20 EUR | ||
152 | 323711-34 | 1 | ANELLO TOROIDALE | IT | ![]() |
1.00 EUR | ||
153 | 326467-00 | 2 | DENTE DI ARRESTO | IT | ![]() |
1.10 EUR | ||
154 | 330065-22 | 1 | VITE | IT | ![]() |
1.00 EUR | ||
155 | 327309-01 | 1 | MANOPOLA | IT | ![]() |
1.54 EUR | ||
156 | 930102-00 | 2 | RONDELLA | IT | ![]() |
5.54 EUR | ||
157 | 327314-00 | 1 | ATTUATORE | IT | ![]() |
5.54 EUR | ||
158 | 577850-01 | 1 | ASS. INGRAN.RINVIO | IT | ![]() |
46.07 EUR | ||
159 | 327291-00 | 1 | GUARNIZIONE | IT | ![]() |
1.33 EUR | ||
160 | 583999-03 | 1 | ASS.COP.SCAT.INGR. | IT | ![]() |
20.52 EUR | ||
161 | 916010 | 1 | PARACOLPI | IT | ![]() |
1.00 EUR | ||
167 | 580095-00 | 4 | VITE | IT | ![]() |
1.10 EUR | ||
168 | N242399 | 1 | MANDRINO SENZA CHIA. | IT | ![]() |
32.42 EUR | ||
171 | 939794-02 | 1 | ASS. IMPUGN. LATERAL | IT | ![]() |
7.18 EUR | ||
172 | 580787-00 | 1 | ARRESTO PROFONDITA' | IT | ![]() |
1.44 EUR | ||
174 | 329604-02 | 1 | BRUSH PAIR 230V SA | IT | ![]() |
16.88 EUR | ||
800 | 870889-02 | 1 | GRASSO | IT | ![]() |
6.05 EUR | ||
816 | 152529-00 | 1 | ETICHETTA | IT | ![]() |
1.44 EUR |
* I prezzi indicati possono subire variazioni e non sono inclusivi di IVA ed eventuali spese di trasporto. Ci riserviamo la possibilità di variare i prezzi e le condizioni senza preavviso.