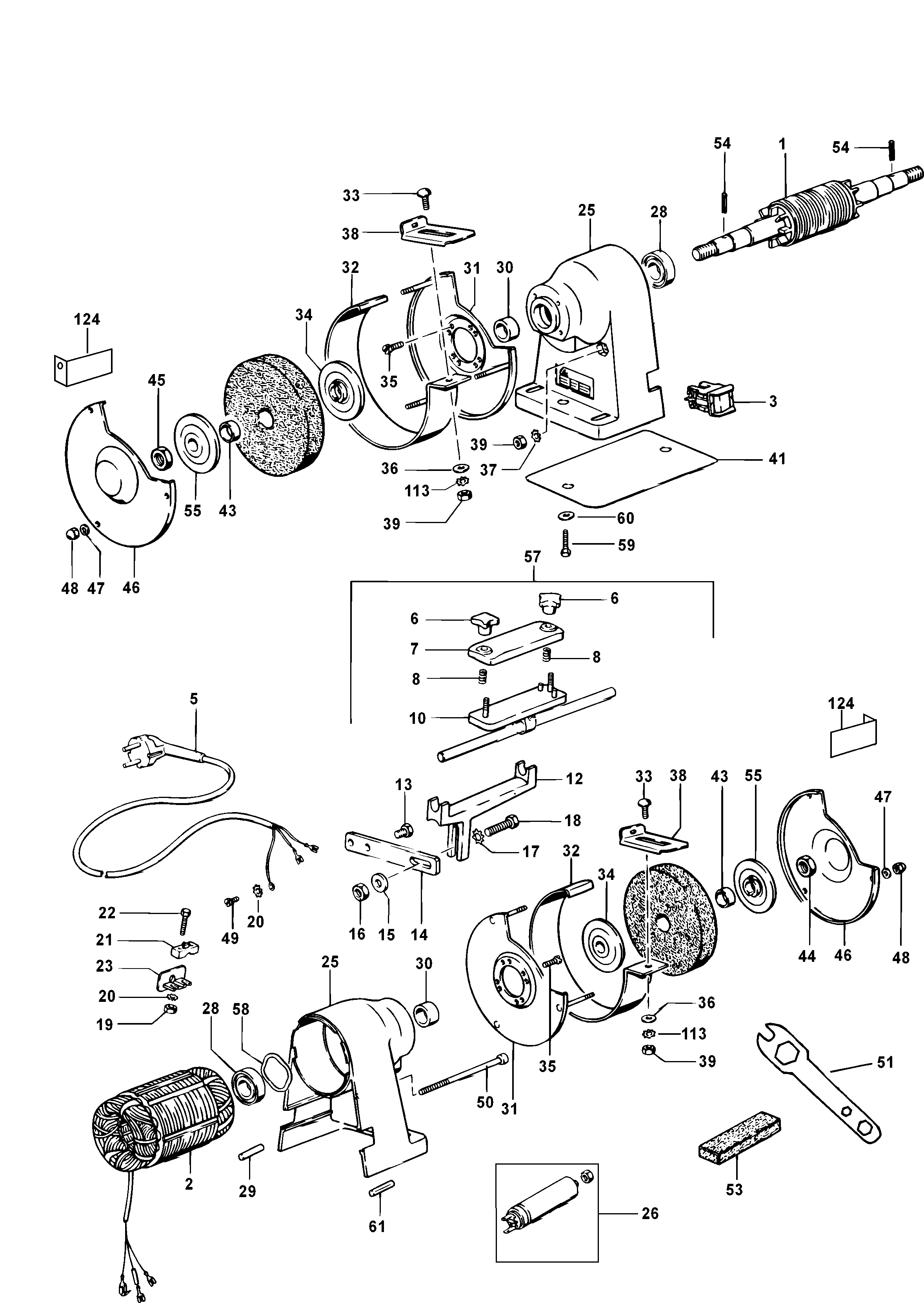
MWA67 SMERIGLIATRICE DA BANCO Type 1 | Disegni
Documenti
Si prega di visualizzare il menu a tendina dal momento che alcuni prodotti potrebbero avere più disegni
| Item No. | Product Number | Qty Per | Product Description | INFORMAZIONI | Altre informazioni | Markets | Product Status | Guida ai prezzi |
|---|---|---|---|---|---|---|---|---|
| 1 | 378881 | 1 | ROTORE | IT | ![]() |
34.06 EUR | ||
| 2 | 378891 | 1 | STATORE | IT | ![]() |
119.12 EUR | ||
| 3 | 378787-03 | 1 | INTERRUTTORE | Black | IT | ![]() |
12.67 EUR | |
| 5 | 378893-03 | 1 | CORDSET (EURO) | IT | ![]() |
11.39 EUR | ||
| 6 | 744324 | 2 | ASS. MANOPOLA | IT | ![]() |
2.87 EUR | ||
| 7 | 744231 | 1 | STRISCIA | IT | ![]() |
6.05 EUR | ||
| 8 | 742243 | 2 | MOLLA | IT | ![]() |
1.10 EUR | ||
| 10 | 744232 | 1 | SUPPORTO | IT | ![]() |
16.88 EUR | ||
| 12 | 744230 | 1 | PORTAUTENSILE | IT | 22.98 EUR | |||
| 13 | 378908 | 2 | VITE | IT | ![]() |
1.33 EUR | ||
| 14 | 744234 | 1 | SUPPORTO | IT | ![]() |
3.80 EUR | ||
| 15 | 742172 | 1 | RONDELLA | IT | ![]() |
1.33 EUR | ||
| 16 | 725187 | 1 | DADO | M8 | IT | ![]() |
1.00 EUR | |
| 17 | 742046 | 1 | WASHER M8 | IT | ![]() |
1.00 EUR | ||
| 18 | 860085-19 | 1 | VITE | IT | ![]() |
1.10 EUR | ||
| 19 | 725698 | 2 | DADO | IT | ![]() |
1.00 EUR | ||
| 20 | 725163 | 3 | RONDELLA | IT | ![]() |
1.00 EUR | ||
| 21 | 742127 | 1 | SERRAFILO PER CAVO | IT | ![]() |
1.20 EUR | ||
| 22 | 742041 | 2 | VITE | IT | ![]() |
1.00 EUR | ||
| 23 | 742125 | 1 | SERRAFILO PER CAVO | IT | ![]() |
1.33 EUR | ||
| 25 | 378791-20 | 2 | CORPO | IT | ![]() |
32.42 EUR | ||
| 26 | 378892 | 1 | CONDENSATORE | IT | ![]() |
6.05 EUR | ||
| 28 | 760245-00 | 2 | CUSCINETTO | IT | ![]() |
4.87 EUR | ||
| 29 | 742168 | 1 | PERNO | IT | ![]() |
1.20 EUR | ||
| 30 | 742153 | 2 | GUAINA ISOLANTE | IT | ![]() |
4.87 EUR | ||
| 31 | 744236 | 2 | PIASTRA | IT | ![]() |
16.88 EUR | ||
| 32 | 744238 | 2 | PROTEZIONE | IT | ![]() |
4.21 EUR | ||
| 33 | 725184 | 3 | VITE | IT | ![]() |
1.10 EUR | ||
| 34 | 742298 | 2 | MORSETTO | IT | ![]() |
4.87 EUR | ||
| 35 | 378795-09 | 8 | VITE | IT | ![]() |
1.10 EUR | ||
| 36 | 880391 | 3 | RONDELLA | IT | ![]() |
1.10 EUR | ||
| 37 | 743415 | 2 | RONDELLA | 6mm | IT | ![]() |
1.00 EUR | |
| 38 | 744188 | 2 | STAFFA | IT | ![]() |
3.08 EUR | ||
| 39 | 725125 | 4 | DADO | IT | ![]() |
1.00 EUR | ||
| 41 | 378841 | 1 | PIASTRA | IT | ![]() |
2.87 EUR | ||
| 42 | 378738 | 4 | PIEDE | IT | ![]() |
1.54 EUR | ||
| 43 | 742134 | 2 | GUAINA ISOLANTE | IT | ![]() |
1.10 EUR | ||
| 44 | 742887 | 1 | DADO | IT | ![]() |
1.54 EUR | ||
| 45 | 742140 | 1 | DADO SINISTRO | IT | ![]() |
1.54 EUR | ||
| 46 | 744237 | 2 | PROTEZIONE | IT | ![]() |
4.87 EUR | ||
| 47 | 725269 | 6 | RONDELLA | IT | ![]() |
1.00 EUR | ||
| 48 | 146823100 | 6 | LOCK-NUT | IT | ![]() |
1.10 EUR | ||
| 49 | 378795-01 | 1 | VITE | IT | ![]() |
1.10 EUR | ||
| 50 | 378907 | 1 | VITE | IT | ![]() |
2.26 EUR | ||
| 51 | 742511 | 1 | CHIAVE | IT | ![]() |
3.08 EUR | ||
| 53 | 742240 | 1 | MOLA (PER VALVOLE) | IT | ![]() |
16.88 EUR | ||
| 54 | 742053 | 2 | PERNO | IT | ![]() |
1.00 EUR | ||
| 55 | 742066 | 2 | CONTROFLANGIA | IT | ![]() |
3.08 EUR | ||
| 57 | 744253 | 1 | KIT MORSETTO | IT | ![]() |
55.40 EUR | ||
| 58 | 113933000 | 1 | RONDELLA | IT | ![]() |
1.00 EUR | ||
| 59 | 726430 | 2 | VITE | IT | ![]() |
1.00 EUR | ||
| 60 | 725165 | 2 | RONDELLA | IT | ![]() |
1.00 EUR | ||
| 61 | 742168 | 2 | PERNO | IT | ![]() |
1.20 EUR | ||
| 112 | 742133 | 1 | VISIERA | IT | ![]() |
2.67 EUR | ||
| 113 | 742040 | 2 | RONDELLA | IT | ![]() |
1.00 EUR |
* I prezzi indicati possono subire variazioni e non sono inclusivi di IVA ed eventuali spese di trasporto. Ci riserviamo la possibilità di variare i prezzi e le condizioni senza preavviso.

