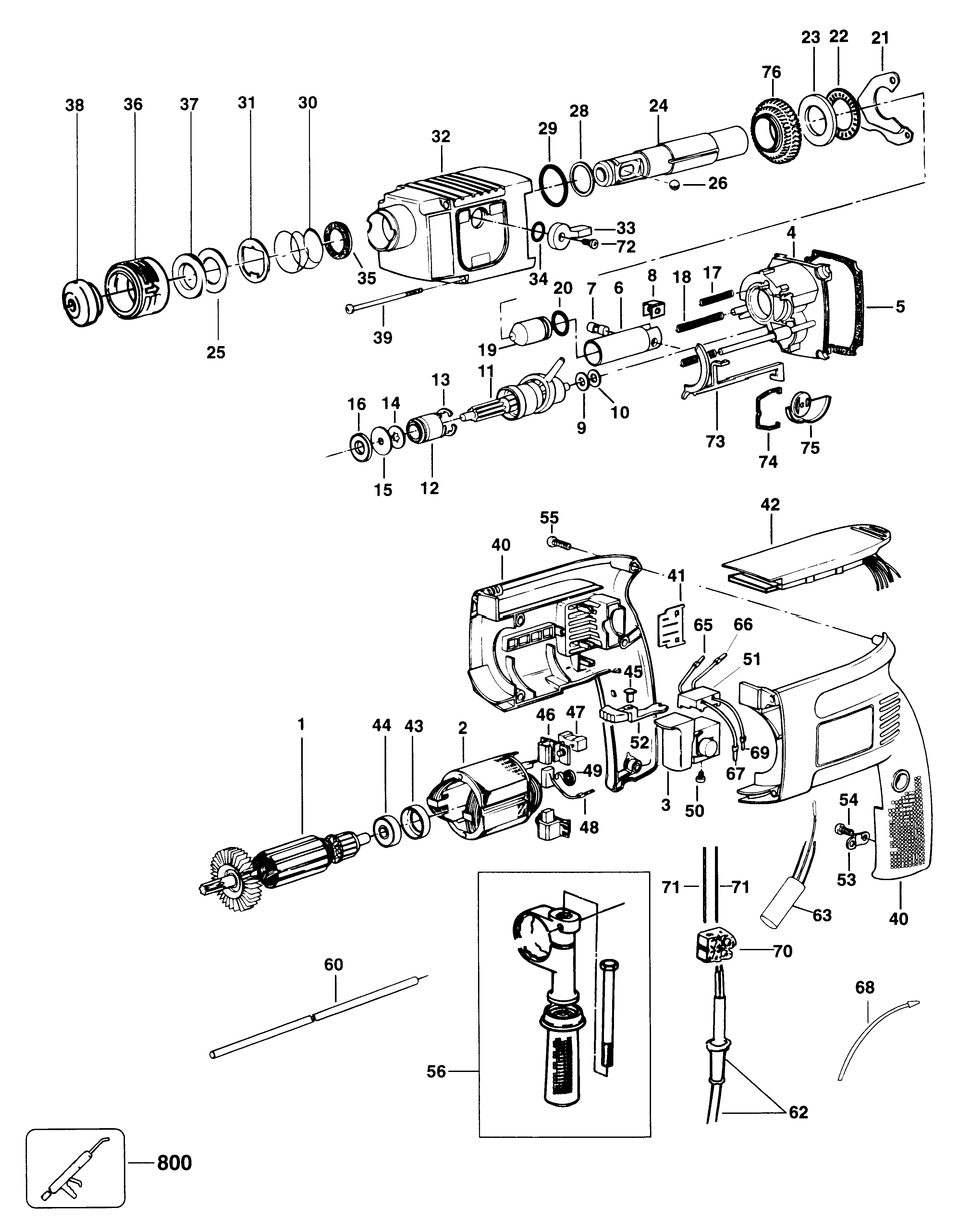
MBH24L MARTELLO ROTANTE Type 3 | Disegni
Documenti
Si prega di visualizzare il menu a tendina dal momento che alcuni prodotti potrebbero avere più disegni
| Item No. | Product Number | Qty Per | Product Description | INFORMAZIONI | Altre informazioni | Markets | Product Status | Guida ai prezzi |
|---|---|---|---|---|---|---|---|---|
| 1 | 323497-01 | 1 | ARMATURE 120V | MBH24L | XJ | ![]() |
80.13 EUR | |
| 1 | 323497-02 | 1 | INDOTTO | MBH24 | XJ | ![]() |
50.38 EUR | |
| 2 | 873875 | 1 | FIELD 115V | MBH24L | XJ | ![]() |
16.88 EUR | |
| 2 | 875799-00 | 1 | STATORE | MBH24 | XJ | ![]() |
22.98 EUR | |
| 3 | 324556-49 | 1 | INTERRUTTORE | XJ | ![]() |
14.00 EUR | ||
| 4 | 324032-00 | 1 | CORPO | XJ | ![]() |
37.96 EUR | ||
| 5 | 323572-00 | 1 | GUARNIZIONE | XJ | ![]() |
1.33 EUR | ||
| 6 | 323926-00 | 1 | PISTONE | XJ | ![]() |
12.67 EUR | ||
| 7 | 323569-00 | 1 | ASSE | XJ | ![]() |
3.08 EUR | ||
| 8 | 324487-00 | 1 | MOLLA | XJ | ![]() |
1.33 EUR | ||
| 9 | 324430-03 | 1 | CUSCINETTO ASSIALE | XJ | ![]() |
3.80 EUR | ||
| 10 | 324431-03 | 1 | WASHER 7 | XJ | ![]() |
1.33 EUR | ||
| 11 | 324155-00 | 1 | INGRANAGGI | XJ | ![]() |
61.56 EUR | ||
| 12 | 325232-01 | 1 | MANICOTTO | XJ | ![]() |
15.54 EUR | ||
| 13 | 323487-00 | 1 | ANELLO | XJ | ![]() |
2.00 EUR | ||
| 14 | 325294-00 | 1 | RONDELLA ELASTICA | XJ | ![]() |
1.10 EUR | ||
| 15 | 324431-00 | 1 | WASHER 6 | XJ | ![]() |
1.74 EUR | ||
| 16 | 324430-00 | 1 | BOCCOLA AD AGHI | XJ | ![]() |
4.21 EUR | ||
| 17 | 323395-00 | 2 | MOLLA | XJ | ![]() |
1.00 EUR | ||
| 18 | 323395-02 | 1 | MOLLA | XJ | ![]() |
1.00 EUR | ||
| 19 | 325175-00 | 1 | MAZZA BATTENTE | XJ | ![]() |
5.54 EUR | ||
| 20 | 323711-25 | 1 | ANELLO TOROIDALE | XJ | ![]() |
1.20 EUR | ||
| 21 | 323488-01 | 1 | PIASTRA | XJ | ![]() |
2.36 EUR | ||
| 22 | 324430-01 | 1 | BEARING,NEEDLE | XJ | ![]() |
4.87 EUR | ||
| 23 | 323999-00 | 1 | RONDELLA | XJ | ![]() |
3.08 EUR | ||
| 24 | 324031-00 | 1 | ALBERINO | XJ | ![]() |
50.38 EUR | ||
| 25 | 323492-00 | 1 | RONDELLA | XJ | ![]() |
1.20 EUR | ||
| 26 | 583890-00 | 1 | SFERA | XJ | ![]() |
1.10 EUR | ||
| 28 | 323753-01 | 1 | RONDELLA | XJ | ![]() |
1.33 EUR | ||
| 29 | 323711-04 | 1 | GUARNIZIONE | XJ | ![]() |
1.00 EUR | ||
| 30 | 871690 | 1 | MOLLA | XJ | ![]() |
1.10 EUR | ||
| 31 | 578387-00 | 1 | RONDELLA | XJ | ![]() |
1.44 EUR | ||
| 32 | 324033-10 | 1 | SCATOLA INGRANAGGI | XJ | ![]() |
27.91 EUR | ||
| 33 | 323882-01 | 1 | LEVA | XJ | ![]() |
1.44 EUR | ||
| 34 | 323711-07 | 1 | ANELLO TOROIDALE | XJ | ![]() |
1.00 EUR | ||
| 35 | 324432-00 | 1 | ASS. GIARNIZIONE | XJ | ![]() |
4.21 EUR | ||
| 36 | 576756-00 | 1 | COLLARE | XJ | ![]() |
3.80 EUR | ||
| 37 | 323480-00 | 1 | DISTANZIALE | XJ | ![]() |
2.26 EUR | ||
| 38 | 323489-00 | 1 | CALOTTA | XJ | ![]() |
1.20 EUR | ||
| 39 | 324044-02 | 4 | VITE | XJ | ![]() |
1.10 EUR | ||
| 40 | 323505-10 | 1 | ASS. CORPO | XJ | ![]() |
11.39 EUR | ||
| 41 | 323758-00 | 2 | COPERTURA | XJ | ![]() |
1.20 EUR | ||
| 42 | 324486-14 | 1 | ELECTRONIC 115V | MBH24L | XJ | ![]() |
32.42 EUR | |
| 42 | 324486-12 | 1 | ASS.MODULO ELET. | MBH24 | XJ | ![]() |
27.91 EUR | |
| 43 | 323481-00 | 1 | CALOTTA | XJ | ![]() |
1.33 EUR | ||
| 44 | 605040-63 | 1 | CUSCINETTO | XJ | ![]() |
2.26 EUR | ||
| 45 | 324165-03 | 1 | INSERTO | XJ | ![]() |
1.00 EUR | ||
| 46 | 323496-01 | 2 | PORTASPAZZOLE | XJ | ![]() |
2.00 EUR | ||
| 47 | 491366-00 | 2 | KIT SPAZZOLE | XJ | ![]() |
12.67 EUR | ||
| 48 | 323660-02 | 2 | SPAZZOLE | MBH24L | XJ | ![]() |
3.08 EUR | |
| 48 | 323660-01 | 2 | BRUSH 230V | MBH24 | XJ | ![]() |
2.67 EUR | |
| 49 | 872843 | 2 | MOLLA | XJ | ![]() |
1.10 EUR | ||
| 50 | 911026 | 3 | VITE | XJ | ![]() |
1.00 EUR | ||
| 51 | 324400-00 | 1 | INTERRUTTORE | XJ | ![]() |
7.18 EUR | ||
| 52 | 323490-08 | 1 | LEVA | XJ | ![]() |
1.33 EUR | ||
| 53 | 821070 | 1 | SERRAFILO | XJ | ![]() |
1.00 EUR | ||
| 54 | 323924-08 | 2 | VITE | XJ | ![]() |
1.00 EUR | ||
| 55 | 323924-02 | 5 | VITE | XJ | ![]() |
1.00 EUR | ||
| 56 | 939794-02 | 1 | ASS. IMPUGN. LATERAL | XJ | ![]() |
7.18 EUR | ||
| 60 | 580787-00 | 1 | ARRESTO PROFONDITA' | XJ | ![]() |
1.44 EUR | ||
| 62 | 324438-73 | 1 | CAVO CON SPINA | MBH24 | XJ | ![]() |
20.52 EUR | |
| 62 | 330061-03 | 1 | CAVO CON SPINA | MBH24L | XJ | ![]() |
||
| 63 | 320842-03 | 1 | CONDENSATORE | MBH24L | XJ | ![]() |
2.00 EUR | |
| 63 | 320843-02 | 1 | CONDENSATORE | MBH24 | XJ | ![]() |
5.54 EUR | |
| 65 | 877356 | 1 | LEAD 90MM BLACK | XJ | ![]() |
1.10 EUR | ||
| 66 | 323768-03 | 1 | LEAD 75MM BLACK | XJ | ![]() |
1.10 EUR | ||
| 67 | 323768-02 | 2 | LEAD 120MM BLACK | XJ | ![]() |
1.10 EUR | ||
| 68 | 878756 | 1 | LEAD 200MM BLACK | XJ | ![]() |
1.10 EUR | ||
| 70 | 323534-00 | 1 | CONNETTORE | XJ | ![]() |
1.33 EUR | ||
| 71 | 323635-10 | 2 | LEAD 70MM | XJ | ![]() |
1.10 EUR | ||
| 72 | 324007-10 | 1 | VITE | XJ | ![]() |
1.00 EUR | ||
| 73 | 323795-01 | 1 | LEVA | XJ | ![]() |
5.54 EUR | ||
| 74 | 323797-00 | 1 | GRAFFA | XJ | ![]() |
1.44 EUR | ||
| 75 | 323956-01 | 1 | LEVA | XJ | ![]() |
3.80 EUR | ||
| 76 | 324108-01 | 1 | INGRANAGGI | XJ | ![]() |
37.96 EUR | ||
| 800 | 870889-02 | 1 | GRASSO | XJ | ![]() |
6.05 EUR |
* I prezzi indicati possono subire variazioni e non sono inclusivi di IVA ed eventuali spese di trasporto. Ci riserviamo la possibilità di variare i prezzi e le condizioni senza preavviso.

