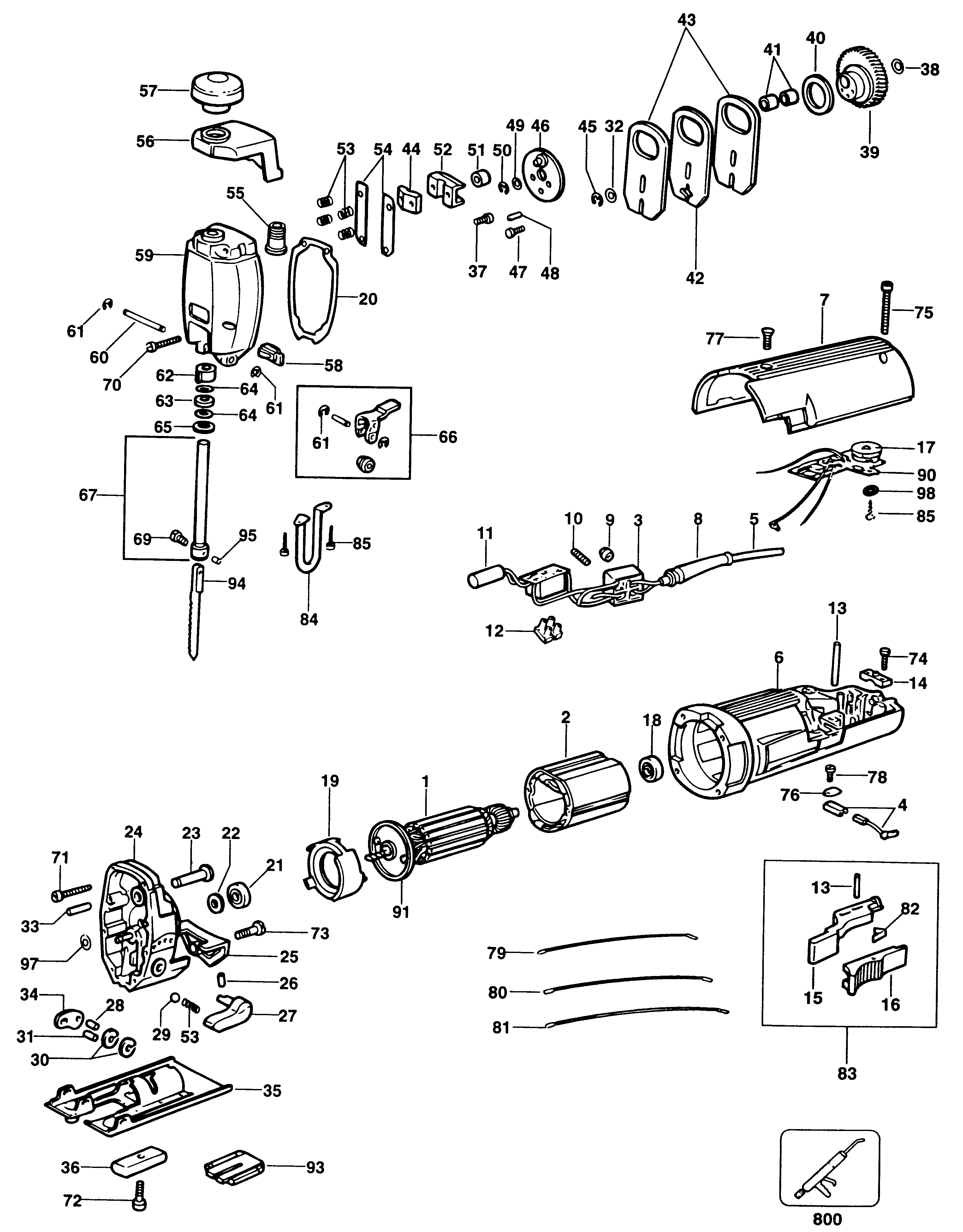
ST142E SEGHETTO ALTERNATIVO Type 4 | Disegni
Documenti
Si prega di visualizzare il menu a tendina dal momento che alcuni prodotti potrebbero avere più disegni

Item No. | Product Number | Qty Per | Product Description | INFORMAZIONI | Altre informazioni | Markets | Product Status | Guida ai prezzi |
---|---|---|---|---|---|---|---|---|
1 | 943537-01 | 1 | FSO ARMATURE 220V | 240V | IT | ![]() |
83.62 EUR | |
1 | 943537-01 | 1 | FSO ARMATURE 220V | 220V | IT | ![]() |
83.62 EUR | |
2 | 943536-02 | 1 | STATORE | 240V | IT | ![]() |
15.54 EUR | |
2 | 943536-01 | 1 | STATORE | 220V | IT | ![]() |
18.73 EUR | |
3 | 140160300 | 1 | INTERRUTTORE | IT | ![]() |
14.00 EUR | ||
6 | 249508-20 | 1 | ASS.CORPO MOTORE | IT | ||||
7 | 940954-05 | 1 | COPERTURA SPAZZOLE | TYPE 3 | IT | ![]() |
8.52 EUR | |
7 | 249507-20 | 1 | COPERTURA | TYPE 4 | IT | ![]() |
7.18 EUR | |
8 | 012160900 | 1 | MANICOTTO | IT | ![]() |
3.08 EUR | ||
9 | 140161100 | 1 | CALOTTA | IT | ![]() |
2.67 EUR | ||
10 | 024931038 | 2 | MOLLA | IT | ![]() |
1.00 EUR | ||
11 | 065121902 | 1 | CONDENSATORE | IT | ![]() |
4.21 EUR | ||
12 | 249304-00 | 1 | CONNETTORE | IT | ![]() |
2.67 EUR | ||
13 | 018810000 | 2 | PERNO | IT | ![]() |
1.20 EUR | ||
14 | 379684 | 1 | SERRAFILO PER CAVO | IT | ![]() |
1.00 EUR | ||
15 | 941095 | 1 | LEVA | IT | ![]() |
2.36 EUR | ||
16 | 249069-00 | 1 | CURSORE | IT | ![]() |
2.00 EUR | ||
17 | 249071-00 | 1 | MANOPOLA | IT | ![]() |
2.87 EUR | ||
18 | 141830000 | 1 | CUSCINETTO | IT | ![]() |
8.52 EUR | ||
19 | 940950-00 | 1 | BAFFLE FAN | IT | ![]() |
2.00 EUR | ||
20 | 941096-00 | 1 | GIUNTO | IT | ![]() |
2.36 EUR | ||
21 | 142830000 | 1 | CUSCINETTO | IT | ![]() |
5.54 EUR | ||
22 | 142970604 | 1 | RONDELLA DI NYLON | IT | ![]() |
3.08 EUR | ||
23 | 142152401 | 1 | BULLONE | IT | ![]() |
7.18 EUR | ||
24 | 249570-00 | 1 | SCATOLA INGRANAGGI | IT | ![]() |
66.18 EUR | ||
25 | 249020-00 | 1 | STAFFA | IT | ![]() |
1.74 EUR | ||
26 | 142810400 | 1 | COPPIGLIA | IT | ![]() |
1.00 EUR | ||
27 | 249072-00 | 1 | LEVA | IT | ![]() |
8.52 EUR | ||
28 | 048810106 | 1 | GRANO | IT | ![]() |
1.10 EUR | ||
29 | 013831000 | 1 | BALL 6MM | IT | ![]() |
1.10 EUR | ||
30 | 142153302 | 2 | RONDELLA | IT | ![]() |
1.74 EUR | ||
31 | 142810104 | 1 | PERNO | IT | ![]() |
1.10 EUR | ||
32 | 142930194 | 1 | RONDELLA | IT | ![]() |
1.00 EUR | ||
33 | 113810100 | 1 | ALBERINO | IT | ![]() |
1.20 EUR | ||
34 | 142153800 | 1 | LEVA | IT | ![]() |
3.08 EUR | ||
35 | 941053-00 | 1 | FSO SHOE | IT | ![]() |
20.52 EUR | ||
36 | 142116300 | 1 | PIASTRA | IT | ![]() |
6.05 EUR | ||
37 | 860205-04 | 2 | VITE | IT | ![]() |
1.00 EUR | ||
38 | 142930193 | 1 | RONDELLA | IT | ![]() |
1.10 EUR | ||
39 | 940942-00 | 1 | FSO GEAR ECC. | IT | ![]() |
50.38 EUR | ||
40 | 142930196 | 1 | RONDELLA | IT | ![]() |
1.20 EUR | ||
41 | 142980032 | 2 | ANELLO | IT | ![]() |
4.21 EUR | ||
42 | 940944-00 | 1 | CONTRAPPESO | IT | ![]() |
8.52 EUR | ||
43 | 940943-00 | 2 | CONTRAPPESO | IT | ![]() |
10.05 EUR | ||
44 | 142154400 | 1 | MORSETTO | IT | ![]() |
7.18 EUR | ||
45 | 860322-00 | 1 | ANELLO D'ARRESTO | IT | ![]() |
1.00 EUR | ||
46 | 142153301 | 1 | ECCENTRICO | IT | ![]() |
36.12 EUR | ||
47 | 142810200 | 2 | PERNO DEL RULLO | IT | ![]() |
1.00 EUR | ||
48 | 720685-00 | 3 | SCREW.TEMP | IT | ![]() |
1.00 EUR | ||
49 | 247651-00 | 1 | RONDELLA | IT | ![]() |
1.20 EUR | ||
50 | 120820700 | 1 | ANELLO D'ARRESTO | IT | ![]() |
1.00 EUR | ||
51 | 142980033 | 1 | FSO BEARING,NEEDLE | IT | ![]() |
22.98 EUR | ||
52 | 142151400 | 1 | GIOGO | IT | ![]() |
25.24 EUR | ||
53 | 142934024 | 4 | MOLLA | IT | ![]() |
1.00 EUR | ||
54 | 142154200 | 2 | GUIDA | IT | ![]() |
1.74 EUR | ||
55 | 142151402 | 1 | GUIDA | IT | ![]() |
5.54 EUR | ||
56 | 249021-00 | 1 | COPERTURA | IT | ![]() |
2.26 EUR | ||
57 | 249115-00 | 1 | MANOPOLA | IT | ![]() |
4.87 EUR | ||
58 | 142153600 | 1 | PIASTRA | IT | ![]() |
1.20 EUR | ||
59 | 142105101 | 1 | SCATOLA INGRANAGGI | IT | ![]() |
63.71 EUR | ||
60 | 142912604 | 1 | VITE | IT | ![]() |
1.44 EUR | ||
61 | 142820700 | 2 | RONDELLA DENTATA | IT | ![]() |
1.00 EUR | ||
62 | 142152300 | 1 | GUAINA ISOLANTE | IT | ![]() |
3.80 EUR | ||
63 | 142152801 | 1 | FELTRINO | IT | ![]() |
1.10 EUR | ||
64 | 142930191 | 1 | RONDELLA PICCOLA | IT | ![]() |
1.00 EUR | ||
65 | 142930192 | 1 | RONDELLA GRANDE | IT | ![]() |
1.10 EUR | ||
66 | 247439-50 | 1 | FSO GUIDE SA | IT | ![]() |
29.65 EUR | ||
69 | 142910706 | 1 | VITE | IT | ![]() |
1.10 EUR | ||
70 | 249424-08 | 2 | VITE | IT | ![]() |
1.00 EUR | ||
71 | 249416-03 | 2 | VITE | IT | ![]() |
1.00 EUR | ||
72 | 249408-11 | 1 | VITE | IT | ![]() |
1.20 EUR | ||
73 | 249424-04 | 1 | VITE | IT | ![]() |
1.00 EUR | ||
74 | 249416-06 | 1 | VITE | IT | ![]() |
1.10 EUR | ||
75 | 949896-12 | 1 | VITE | IT | ![]() |
1.00 EUR | ||
76 | 140931226 | 2 | MORSETTO | IT | ![]() |
2.67 EUR | ||
77 | 249424-02 | 1 | VITE | IT | ![]() |
1.00 EUR | ||
78 | 249416-06 | 2 | VITE | IT | ![]() |
1.10 EUR | ||
79 | 140164501 | 2 | LEAD 140MM RED | IT | ![]() |
1.33 EUR | ||
80 | 142164510 | 2 | LEAD YELLOW | IT | ![]() |
1.33 EUR | ||
81 | 152164514 | 1 | LEAD 130MM BLUE | IT | ![]() |
1.33 EUR | ||
82 | 141931231 | 1 | GRAFFA | IT | ![]() |
2.00 EUR | ||
83 | 249535-00 | 1 | ASS. LEVA | IT | ![]() |
15.54 EUR | ||
84 | 940961-00 | 1 | MANICOTTO | IT | ![]() |
1.54 EUR | ||
85 | 247129-05 | 4 | VITE | IT | ![]() |
1.00 EUR | ||
90 | 142167500 | 1 | ASS.MODULO ELET. | 240V | IT | ![]() |
48.22 EUR | |
90 | 142167500 | 1 | ASS.MODULO ELET. | 220V | IT | ![]() |
48.22 EUR | |
93 | 249070-00 | 1 | INSERT PVC | IT | ![]() |
1.20 EUR | ||
94 | 142151401 | 1 | GUIDA | IT | ![]() |
4.21 EUR | ||
95 | 142815100 | 1 | RIBATTINO | IT | ![]() |
1.54 EUR | ||
96 | 247651-00 | 1 | RONDELLA | IT | ![]() |
1.20 EUR | ||
97 | 247650-00 | 1 | RONDELLA | IT | ![]() |
1.00 EUR | ||
98 | 248986-00 | 1 | RONDELLA | IT | ![]() |
1.00 EUR | ||
800 | 249634-00 | 1 | GREASE 40 GMS | IT |
* I prezzi indicati possono subire variazioni e non sono inclusivi di IVA ed eventuali spese di trasporto. Ci riserviamo la possibilità di variare i prezzi e le condizioni senza preavviso.