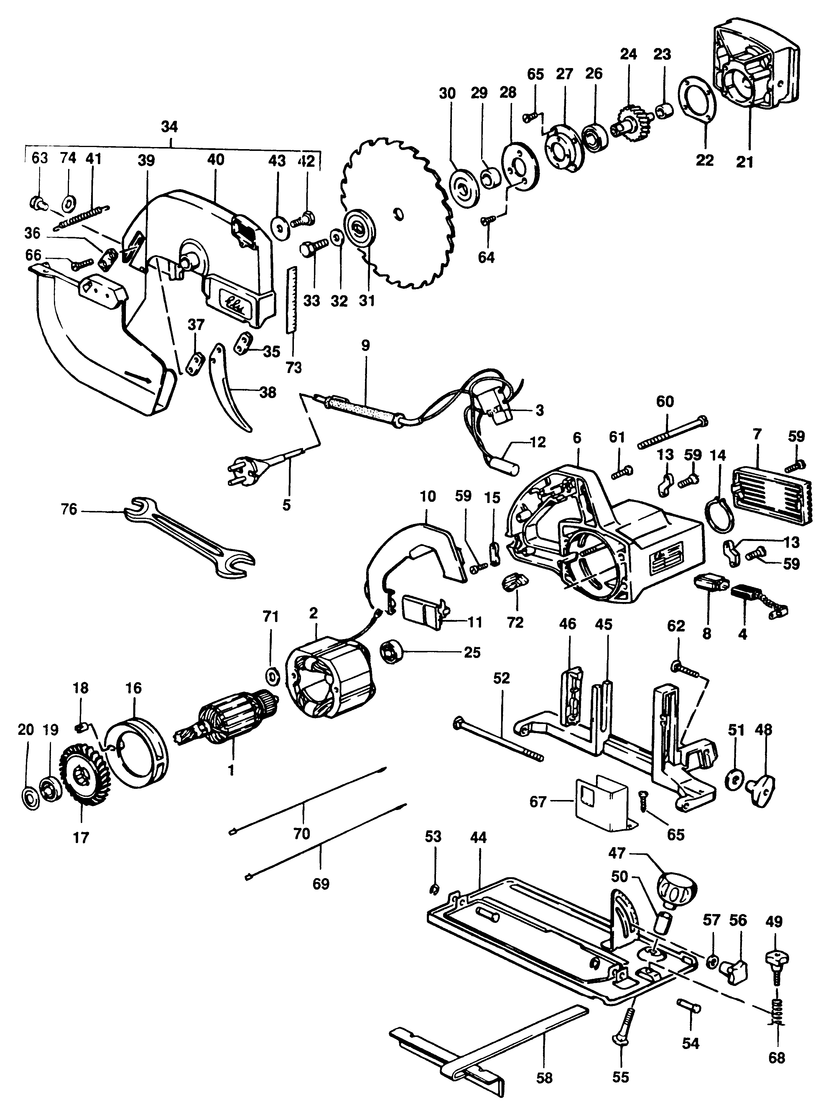
MH182 SEGA CIRCOLARE Type 1 | Disegni
Documenti
Si prega di visualizzare il menu a tendina dal momento che alcuni prodotti potrebbero avere più disegni

Item No. | Product Number | Qty Per | Product Description | INFORMAZIONI | Altre informazioni | Markets | Product Status | Guida ai prezzi |
---|---|---|---|---|---|---|---|---|
1 | 155100201 | 1 | INDOTTO | 115 VOLT | IT | ![]() |
166.73 EUR | |
1 | 155100200 | 1 | INDOTTO | 220 VOLT | IT | ![]() |
123.12 EUR | |
2 | 065102100 | 1 | FIELD 220V | 220 VOLT | IT | ![]() |
1.00 EUR | |
2 | 065102101 | 1 | FIELD 115V | 115 VOLT | IT | ![]() |
77.16 EUR | |
3 | 864720-05 | 1 | INTERRUTTORE | GB 115V | IT | 12.67 EUR | ||
3 | 864720-05 | 1 | INTERRUTTORE | GB 240V | IT | 12.67 EUR | ||
3 | 864720-05 | 1 | INTERRUTTORE | IT | 12.67 EUR | |||
4 | 940146-01 | 2 | BRUSH 115V | 115 VOLT | IT | ![]() |
5.54 EUR | |
4 | 941618-00 | 2 | BRUSH 230V | 220 VOLT | IT | ![]() |
6.05 EUR | |
5 | 379092 | 1 | CAVO CON SPINA | GB 240V | IT | ![]() |
16.88 EUR | |
5 | 378990 | 1 | CAVO CON SPINA | GB 115V | IT | ![]() |
22.98 EUR | |
5 | 379091 | 1 | CORDSET (EURO) | IT | ![]() |
11.39 EUR | ||
7 | 055120201 | 1 | COPERTURA SPAZZOLE | IT | ![]() |
7.18 EUR | ||
8 | 761202-00 | 2 | BRUSHBOX | IT | 4.87 EUR | |||
9 | 720703-00 | 1 | MANICOTTO | IT | ![]() |
1.44 EUR | ||
10 | 155120200 | 1 | COPERTURA | IT | ![]() |
6.05 EUR | ||
11 | 055120209 | 1 | COPERTURA | IT | ![]() |
2.36 EUR | ||
12 | 065121902 | 1 | CONDENSATORE | IT | ![]() |
4.21 EUR | ||
13 | 868069-00 | 2 | MORSETTO | IT | ![]() |
1.10 EUR | ||
14 | 021821200 | 1 | ANELLO D'ARRESTO | IT | ![]() |
1.20 EUR | ||
15 | 910556 | 1 | SERRAFILO PER CAVO | IT | ![]() |
1.00 EUR | ||
16 | 155123701 | 1 | BAFFLE FAN | IT | ![]() |
3.80 EUR | ||
17 | PARTNLS | 1 | NO LONGER SUPPLIED | IT | ||||
18 | 249232-00 | 2 | NUT M4 | IT | ![]() |
1.00 EUR | ||
19 | 055830000 | 1 | BEARING 6002 2RS | IT | ![]() |
7.18 EUR | ||
20 | 055970602 | 1 | ANELLO | IT | ![]() |
1.74 EUR | ||
21 | 082150100 | 1 | SCAT. INGRANAGG | IT | ![]() |
96.24 EUR | ||
22 | 082970314 | 1 | GUARNIZIONE | IT | ![]() |
1.44 EUR | ||
23 | 034980121 | 1 | BRONZINA | IT | ![]() |
16.88 EUR | ||
24 | 082150200 | 1 | INGRANAGGI | IT | ![]() |
46.07 EUR | ||
26 | 868768-07 | 1 | CUSCINETTO | IT | ![]() |
5.54 EUR | ||
27 | 082150300 | 1 | PIASTRA | IT | ![]() |
27.91 EUR | ||
28 | 065153300 | 1 | PIASTRA | IT | ![]() |
2.36 EUR | ||
29 | 155153301 | 1 | RONDELLA DISTANZIALE | IT | ![]() |
2.36 EUR | ||
31 | 249252-00 | 1 | RONDEL. FISSAG. EST. | IT | ![]() |
10.05 EUR | ||
32 | 249218-00 | 1 | RONDELLA | IT | ![]() |
1.10 EUR | ||
33 | 249409-10 | 1 | VITE | IT | ![]() |
1.10 EUR | ||
34 | 082102900 | 1 | ASS. PROTEZIONE | IT | ![]() |
101.57 EUR | ||
35 | 055120700 | 1 | PIASTRA | IT | ![]() |
2.26 EUR | ||
36 | 055120701 | 1 | PIASTRA | IT | ![]() |
2.87 EUR | ||
37 | 082120700 | 1 | PIASTRA | IT | ![]() |
2.67 EUR | ||
38 | 082125700 | 1 | LAMA CON MAN. A SQU. | IT | ![]() |
10.05 EUR | ||
39 | 082102900 | 1 | ASS. PROTEZIONE | IT | ![]() |
101.57 EUR | ||
40 | 082120803 | 1 | PROTEZIONE | IT | ![]() |
1.00 EUR | ||
41 | 082931326 | 1 | MOLLA | IT | ![]() |
4.21 EUR | ||
42 | 082910513 | 1 | VITE | IT | ![]() |
2.26 EUR | ||
43 | 055930161 | 1 | RONDELLA | IT | ![]() |
1.44 EUR | ||
45 | 155116200 | 1 | STAFFA | IT | ![]() |
56.94 EUR | ||
46 | 155153600 | 1 | PIASTRA | IT | ![]() |
11.39 EUR | ||
47 | 379019 | 1 | MANOPOLA | IT | ![]() |
2.67 EUR | ||
48 | 941756-00 | 1 | MANOPOLA | IT | ![]() |
2.67 EUR | ||
49 | 155922907 | 1 | MANOPOLA | IT | ![]() |
2.87 EUR | ||
50 | 011271000 | 1 | DISTANZIALE | IT | ![]() |
3.08 EUR | ||
51 | 055930160 | 1 | RONDELLA | IT | ![]() |
1.54 EUR | ||
52 | 155812501 | 1 | VITE | IT | ![]() |
2.36 EUR | ||
53 | 860322-00 | 2 | ANELLO D'ARRESTO | IT | ![]() |
1.00 EUR | ||
54 | 155817000 | 2 | PERNO | IT | ![]() |
1.33 EUR | ||
55 | 155812500 | 1 | VITE | IT | ![]() |
1.00 EUR | ||
56 | 941536-01 | 1 | MANOPOLA | IT | ![]() |
2.26 EUR | ||
57 | 249092-20 | 1 | RONDELLA | IT | ![]() |
1.00 EUR | ||
58 | 249226-00 | 1 | GUIDA | IT | ![]() |
5.54 EUR | ||
59 | 949896-11 | 6 | VITE | IT | ![]() |
1.00 EUR | ||
60 | 055811200 | 4 | VITE | IT | ![]() |
1.33 EUR | ||
61 | 249220-00 | 6 | VITE | IT | ![]() |
1.10 EUR | ||
62 | 249406-02 | 1 | VITE | IT | ![]() |
1.10 EUR | ||
63 | 031127200 | 1 | ARRESTO DI GOMMA | IT | ![]() |
1.20 EUR | ||
64 | 720685-00 | 4 | SCREW.TEMP | IT | ![]() |
1.00 EUR | ||
65 | 860089-25 | 6 | VITE | IT | ![]() |
1.00 EUR | ||
66 | 085811000 | 2 | VITE | IT | ![]() |
1.00 EUR | ||
67 | 182122200 | 1 | PROTEZIONE | IT | ![]() |
6.05 EUR | ||
68 | 868082-00 | 1 | MOLLA | IT | ![]() |
1.00 EUR | ||
69 | 065164501 | 2 | LEAD 130MM YELLOW | IT | ![]() |
1.54 EUR | ||
70 | 065164500 | 2 | LEAD 420MM RED | IT | ![]() |
1.44 EUR | ||
71 | 093820600 | 2 | RONDELLA DENTATA | IT | ![]() |
1.00 EUR | ||
72 | 096120703 | 1 | GUIDA | IT | ![]() |
1.10 EUR | ||
73 | 082051000 | 1 | SCALA | IT | ![]() |
1.44 EUR | ||
74 | 249223-00 | 1 | WASHER M8 | IT | ![]() |
1.00 EUR | ||
76 | 941580-00 | 1 | SPANNER 13-17MM | IT | ![]() |
3.80 EUR |
* I prezzi indicati possono subire variazioni e non sono inclusivi di IVA ed eventuali spese di trasporto. Ci riserviamo la possibilità di variare i prezzi e le condizioni senza preavviso.