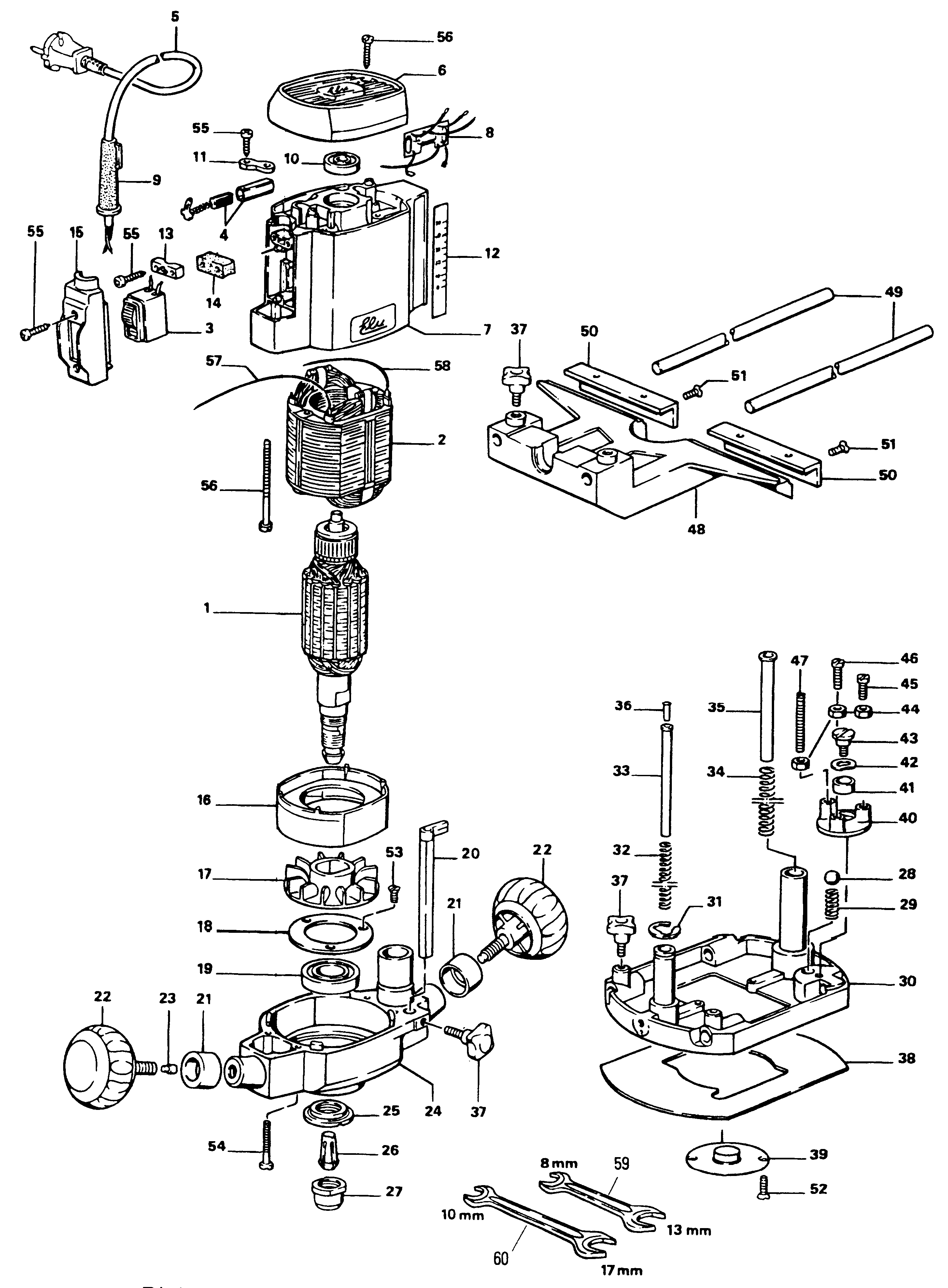
MOF96 ROUTER Type 1 | Disegni
Documenti
Si prega di visualizzare il menu a tendina dal momento che alcuni prodotti potrebbero avere più disegni

Item No. | Product Number | Qty Per | Product Description | INFORMAZIONI | Altre informazioni | Markets | Product Status | Guida ai prezzi |
---|---|---|---|---|---|---|---|---|
1 | 249717-00 | 1 | INDOTTO | 115 VOLT | IT | ![]() |
68.64 EUR | |
1 | 868389-00 | 1 | ARMATURE 230V | 220 VOLT | IT | ![]() |
106.50 EUR | |
2 | 868107-00 | 1 | STATORE | 220 VOLT | IT | ![]() |
37.96 EUR | |
3 | N566709 | 1 | INTERRUTTORE | IT | ![]() |
36.12 EUR | ||
4 | 248447-11 | 2 | ASS.SPAZ.E PORTASP. | 115 VOLT | IT | ![]() |
5.54 EUR | |
4 | 247533-11 | 2 | BRUSH & HOLDER 230V | 220 VOLT | IT | ![]() |
5.54 EUR | |
5 | 096101907 | 1 | CAVO | M | IT | ![]() |
18.73 EUR | |
5 | 868097-00 | 1 | CAVO | M | IT | ![]() |
11.39 EUR | |
5 | 868068-00 | 1 | CAVO | M | IT | ![]() |
8.52 EUR | |
6 | 720645-05 | 1 | COPERTURA SPAZZOLE | IT | ![]() |
4.87 EUR | ||
7 | 943047-01 | 1 | CORPO MOTORE | IT | ![]() |
22.98 EUR | ||
8 | 179106000 | 1 | KIT CONDENSATORI | IT | ![]() |
16.88 EUR | ||
9 | 868520-00 | 1 | CORD PROTECTOR | IT | ![]() |
1.33 EUR | ||
10 | N110358 | 1 | CUSCINETTO | IT | ![]() |
2.00 EUR | ||
11 | 868069-00 | 2 | MORSETTO | IT | ![]() |
1.10 EUR | ||
12 | 249278-00 | 1 | SCALA | IT | ![]() |
2.26 EUR | ||
13 | 576118-00 | 1 | SERRAFILO | IT | ![]() |
1.10 EUR | ||
14 | 096120703 | 1 | GUIDA | IT | ![]() |
1.10 EUR | ||
15 | 247700-01 | 1 | COPERTURA | IT | ![]() |
2.26 EUR | ||
16 | 868522-00 | 1 | BAFFLE FAN | IT | ![]() |
3.08 EUR | ||
17 | 943054-00 | 1 | VENTOLA | IT | ![]() |
2.87 EUR | ||
18 | 868047-00 | 1 | PIASTRA | IT | ![]() |
2.67 EUR | ||
19 | 868768-16 | 1 | CUSCINETTO | IT | ![]() |
4.21 EUR | ||
20 | 868523-01 | 1 | ARRESTO PROFONDITA' | IT | ![]() |
4.87 EUR | ||
21 | 249108-00 | 2 | GUAINA ISOLANTE | IT | ![]() |
1.20 EUR | ||
22 | 869284-05 | 2 | ASS. IMPUGNATURA | IT | ![]() |
4.87 EUR | ||
23 | 869284-23 | 1 | ASS. MANOPOLA | IT | ![]() |
8.52 EUR | ||
24 | 248954-00 | 1 | CORPO INFERIORE | IT | ![]() |
72.33 EUR | ||
25 | 868052-00 | 1 | DADO | IT | ![]() |
7.18 EUR | ||
27 | 326286-00 | 1 | SG COLLETTO E DADO | 8mm | IT | ![]() |
11.39 EUR | |
27 | 326286-01 | 1 | SG COLLETTO E DADO | 6.35mm 1/4 inch | IT | ![]() |
20.52 EUR | |
28 | 720664-00 | 1 | SFERA | IT | ![]() |
1.00 EUR | ||
29 | 868082-00 | 1 | MOLLA | IT | ![]() |
1.00 EUR | ||
30 | 868613-00 | 1 | ASS. PIASTRA BASE | IT | ![]() |
72.33 EUR | ||
31 | 943032-00 | 1 | ANELLO D'ARRESTO | IT | ![]() |
1.00 EUR | ||
32 | 096934010 | 1 | MOLLA | IT | ![]() |
4.21 EUR | ||
33 | 096815201 | 1 | ASTA | IT | ![]() |
2.26 EUR | ||
34 | 096934007 | 1 | MOLLA | IT | ![]() |
4.21 EUR | ||
35 | 868566-00 | 1 | ASTA | IT | ![]() |
1.00 EUR | ||
36 | 096815000 | 1 | RIBATTINO | IT | ![]() |
2.26 EUR | ||
37 | 025922908 | 5 | MANOPOLA | IT | ![]() |
1.74 EUR | ||
38 | 096120702 | 1 | BASE | IT | ![]() |
5.54 EUR | ||
40 | 720674-01 | 1 | TORRETTA | IT | ![]() |
4.87 EUR | ||
41 | 868092-00 | 1 | RONDELLA | IT | ![]() |
1.20 EUR | ||
42 | 860658-01 | 1 | RONDELLA | IT | ![]() |
1.00 EUR | ||
43 | 249432-00 | 1 | VITE | IT | ![]() |
1.74 EUR | ||
44 | 860083-02 | 3 | DADO | IT | ![]() |
1.00 EUR | ||
45 | 942931-02 | 1 | SCREW.TEMP | IT | ![]() |
1.10 EUR | ||
46 | 942931-01 | 1 | VITE | IT | ![]() |
1.10 EUR | ||
47 | 868109-00 | 1 | VITE | IT | ![]() |
1.10 EUR | ||
48 | 948651-00 | 1 | ASS. GUIDA | IT | ![]() |
34.06 EUR | ||
49 | 868080-00 | 2 | ASTA | IT | ![]() |
2.36 EUR | ||
50 | 249090-00 | 2 | GUIDA | IT | ![]() |
2.67 EUR | ||
51 | 720685-00 | 4 | SCREW.TEMP | IT | ![]() |
1.00 EUR | ||
52 | 249412-20 | 2 | VITE | IT | ![]() |
1.00 EUR | ||
53 | 860205-04 | 3 | VITE | IT | ![]() |
1.00 EUR | ||
54 | 249416-10 | 4 | VITE | IT | ![]() |
1.00 EUR | ||
55 | 949896-12 | 10 | VITE | IT | ![]() |
1.00 EUR | ||
56 | 868528-00 | 2 | VITE | IT | ![]() |
1.10 EUR | ||
57 | 179164503 | 2 | LEAD 160MM BLUE | IT | ![]() |
1.10 EUR | ||
58 | 179164504 | 2 | LEAD 100MM BLUE | IT | ![]() |
1.10 EUR | ||
59 | 868078-00 | 1 | CHIAVE | IT | ![]() |
3.80 EUR | ||
59 | 868078-00 | 1 | CHIAVE | IT | ![]() |
3.80 EUR | ||
60 | 941580-00 | 1 | SPANNER 13-17MM | IT | ![]() |
3.80 EUR |
* I prezzi indicati possono subire variazioni e non sono inclusivi di IVA ed eventuali spese di trasporto. Ci riserviamo la possibilità di variare i prezzi e le condizioni senza preavviso.