MHB90K LEVIGATRICE A NASTRO Type 1 | Disegni
Documenti
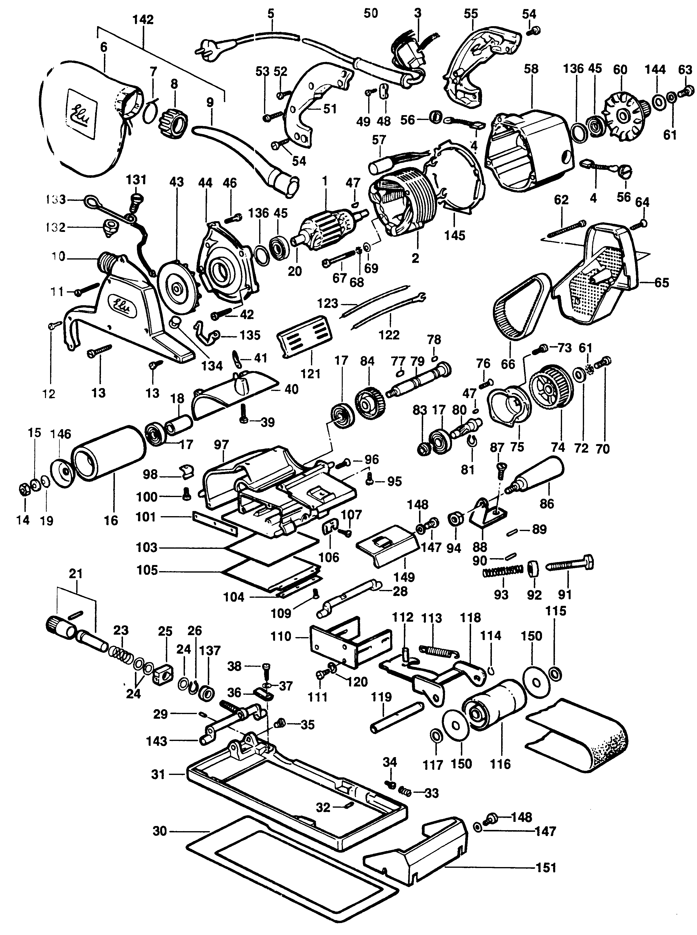
Si prega di visualizzare il menu a tendina dal momento che alcuni prodotti potrebbero avere più disegni

Item No. | Product Number | Qty Per | Product Description | INFORMAZIONI | Altre informazioni | Markets | Product Status | Guida ai prezzi |
---|---|---|---|---|---|---|---|---|
1 | 090100202 | 1 | INDOTTO | FROM 1-5-85 220V | IT | ![]() |
87.83 EUR | |
1 | 090100204 | 1 | ARMATURE 120V | FROM 1-5-85 115V | IT | ![]() |
96.24 EUR | |
2 | 090102104 | 1 | FIELD 120V | FROM 1-5-85 115V | IT | ![]() |
59.00 EUR | |
2 | 090102102 | 1 | FIELD 220V | FROM 1-5-85 220V | IT | ![]() |
53.32 EUR | |
3 | 249031-00 | 1 | INTERRUTTORE | DE TYPE 3 | IT | ![]() |
14.00 EUR | |
3 | 249031-00 | 1 | INTERRUTTORE | GB TYPE 3 | IT | ![]() |
14.00 EUR | |
3 | 249031-00 | 1 | INTERRUTTORE | GB TYPE 1 & 2 | IT | ![]() |
14.00 EUR | |
3 | 249031-00 | 1 | INTERRUTTORE | DE TYPE 1 & 2 | IT | ![]() |
14.00 EUR | |
3 | 249031-00 | 1 | INTERRUTTORE | IT | ![]() |
14.00 EUR | ||
4 | 013121501 | 2 | BRUSH 220V | FROM 1-5-85 220V | IT | ![]() |
4.21 EUR | |
4 | 013121502 | 2 | BRUSH 110V | FROM 1-5-85 115V | IT | ![]() |
10.05 EUR | |
5 | 4688529 | 1 | CAVO AL METRO | GB TYPE 3 | IT | ![]() |
2.26 EUR | |
5 | 4688529 | 1 | CAVO AL METRO | GB TYPE 1 & 2 | IT | ![]() |
2.26 EUR | |
5 | 379091 | 1 | CORDSET (EURO) | DE TYPE 3 | IT | ![]() |
11.39 EUR | |
5 | 379091 | 1 | CORDSET (EURO) | DE TYPE 1 & 2 | IT | ![]() |
11.39 EUR | |
5 | 379091 | 1 | CORDSET (EURO) | IT | ![]() |
11.39 EUR | ||
7 | 036110700 | 1 | ANELLO | IT | ![]() |
3.08 EUR | ||
8 | 050112400 | 1 | DADO | IT | ![]() |
2.67 EUR | ||
9 | 248121-05 | 1 | BAG DUST SA | IT | ![]() |
36.12 EUR | ||
10 | 247611-00 | 1 | SCATOLA | IT | ![]() |
22.98 EUR | ||
11 | 247144-05 | 1 | VITE | IT | ![]() |
1.10 EUR | ||
12 | 017811102 | 1 | VITE | IT | ![]() |
1.10 EUR | ||
13 | 001811102 | 4 | VITE | IT | ![]() |
1.20 EUR | ||
14 | 249232-40 | 1 | DADO | IT | ![]() |
1.33 EUR | ||
15 | 004820100 | 1 | WASHER M10 | IT | ![]() |
1.20 EUR | ||
16 | 050116802 | 1 | ASS. RULLO | IT | ![]() |
80.13 EUR | ||
17 | 055830000 | 3 | BEARING 6002 2RS | IT | ![]() |
7.18 EUR | ||
18 | 050152300 | 1 | DISTANZIALE | IT | ![]() |
2.36 EUR | ||
19 | 018931402 | 1 | MOLLA | IT | ![]() |
1.10 EUR | ||
20 | 090821600 | 1 | DISTANZIALE | IT | ![]() |
2.36 EUR | ||
21 | 090250900 | 1 | REGOLATORE | IT | ![]() |
14.00 EUR | ||
23 | 013931037 | 2 | MOLLA | IT | ![]() |
0.79 EUR | ||
24 | 050930136 | 3 | RONDELLA | IT | ![]() |
1.20 EUR | ||
25 | 050257900 | 1 | SPAZZOLE | IT | ![]() |
10.05 EUR | ||
26 | 860079-03 | 1 | ANELLO D'ARRESTO | IT | ![]() |
1.00 EUR | ||
28 | 050239700 | 2 | ALBERO | IT | ![]() |
13.20 EUR | ||
29 | 050814500 | 1 | VITE | IT | ![]() |
1.10 EUR | ||
30 | 050252200 | 1 | PIASTRA | IT | ![]() |
8.52 EUR | ||
32 | 069913906 | 2 | PERNO | IT | ![]() |
1.10 EUR | ||
33 | 050931076 | 1 | MOLLA | IT | ![]() |
1.54 EUR | ||
34 | 050230401 | 2 | VITE | IT | ![]() |
1.20 EUR | ||
35 | 021814400 | 2 | VITE | IT | ![]() |
1.20 EUR | ||
36 | 050230000 | 2 | PIASTRA | IT | ![]() |
1.20 EUR | ||
37 | 725163 | 2 | RONDELLA | IT | ![]() |
1.00 EUR | ||
38 | 249424-01 | 2 | VITE | IT | ![]() |
1.00 EUR | ||
39 | 249424-07 | 1 | VITE | IT | ![]() |
1.00 EUR | ||
40 | 050118600 | 1 | PIASTRA | IT | ![]() |
22.98 EUR | ||
41 | 050123600 | 1 | GUARNIZIONE | IT | ![]() |
1.54 EUR | ||
42 | 760996-00 | 3 | SCREW.TEMP | IT | ![]() |
1.00 EUR | ||
43 | 050111603 | 1 | VENTOLA | IT | ![]() |
16.88 EUR | ||
44 | 090120204 | 1 | COPERTURA | IT | ![]() |
25.24 EUR | ||
45 | 050830000 | 2 | BEARING 6001 RSZ | IT | ![]() |
7.18 EUR | ||
46 | 760978-01 | 3 | VITE | FROM 1-5-85 ALL | IT | ![]() |
1.00 EUR | |
46 | 742041 | 1 | VITE | UP TO 1-5-85 ALL | IT | ![]() |
1.00 EUR | |
47 | 050827000 | 1 | CHIAVE | IT | ![]() |
1.54 EUR | ||
48 | 910556 | 1 | SERRAFILO PER CAVO | TYPE 1 | IT | ![]() |
1.00 EUR | |
48 | 910556 | 1 | SERRAFILO PER CAVO | TYPE 2 | IT | ![]() |
1.00 EUR | |
48 | 910556 | 1 | SERRAFILO PER CAVO | TYPE 3 | IT | ![]() |
1.00 EUR | |
48 | 910556 | 1 | SERRAFILO PER CAVO | TYPE 1 | IT | ![]() |
1.00 EUR | |
48 | 910556 | 1 | SERRAFILO PER CAVO | TYPE 2 | IT | ![]() |
1.00 EUR | |
48 | 910556 | 1 | SERRAFILO PER CAVO | TYPE 3 | IT | ![]() |
1.00 EUR | |
49 | 249416-06 | 2 | VITE | IT | ![]() |
1.10 EUR | ||
50 | 320785 | 1 | CORD PROTECTOR | TYPE 3 | IT | ![]() |
1.44 EUR | |
50 | 720703-00 | 1 | MANICOTTO | TYPE 1 | IT | ![]() |
1.44 EUR | |
50 | 720703-00 | 1 | MANICOTTO | TYPE 2 | IT | ![]() |
1.44 EUR | |
51 | 324687-05 | 1 | COPERTURA | TYPE 3 | IT | ![]() |
4.21 EUR | |
51 | 050151902 | 1 | PIASTRA | TYPE 1 | IT | ![]() |
5.54 EUR | |
51 | 050151902 | 1 | PIASTRA | TYPE 2 | IT | ![]() |
5.54 EUR | |
52 | 249416-03 | 1 | VITE | IT | ![]() |
1.00 EUR | ||
53 | 760978-01 | 1 | VITE | IT | ![]() |
1.00 EUR | ||
55 | 050123302 | 1 | GANASCIA | TYPE 1 | IT | ![]() |
7.18 EUR | |
55 | 050123302 | 1 | GANASCIA | TYPE 2 | IT | ![]() |
7.18 EUR | |
55 | 324686-05 | 1 | GANASCIA | TYPE 3 | IT | ![]() |
5.54 EUR | |
56 | 249007-01 | 2 | SPAZZOLA CALOTTA | IT | ![]() |
1.33 EUR | ||
57 | 320842-03 | 1 | CONDENSATORE | FROM 1-5-85 220V | IT | ![]() |
2.00 EUR | |
57 | 320842-03 | 1 | CONDENSATORE | UP TO 1-5-85 ALL | IT | ![]() |
2.00 EUR | |
57 | 247598-00 | 1 | CONDENSATORE | FROM 1-5-85 115V | IT | |||
58 | 248438-00 | 1 | ASS CORPO | IT | ![]() |
72.33 EUR | ||
61 | 860078-02 | 1 | RONDELLA | IT | ![]() |
1.00 EUR | ||
62 | 860089-21 | 1 | VITE | IT | ![]() |
1.00 EUR | ||
63 | 249420-00 | 1 | VITE | IT | ![]() |
1.44 EUR | ||
64 | 011811602 | 1 | VITE | UP TO 1-5-85 ALL | IT | ![]() |
1.54 EUR | |
64 | 249424-07 | 1 | VITE | FROM 1-5-85 ALL | IT | ![]() |
1.00 EUR | |
65 | 090120202 | 1 | COPERTURA CINGHIA | UP TO 1-5-85 ALL | IT | ![]() |
14.00 EUR | |
65 | 090120207 | 1 | COPERTURA CINGHIA | FROM 1-5-85 ALL | IT | ![]() |
7.18 EUR | |
66 | 050260300 | 1 | CINGHIA RIGATA | IT | ![]() |
18.73 EUR | ||
67 | 911442 | 2 | ANELLO DI TENUTA | IT | ![]() |
1.10 EUR | ||
68 | 725163 | 2 | RONDELLA | IT | ![]() |
1.00 EUR | ||
69 | 249233-00 | 2 | RONDELLA | IT | ![]() |
1.00 EUR | ||
70 | 760234-00 | 1 | VITE | IT | ![]() |
1.54 EUR | ||
72 | 868042-00 | 1 | RONDELLA | IT | ![]() |
1.54 EUR | ||
73 | 017811102 | 1 | VITE | IT | ![]() |
1.10 EUR | ||
74 | 050111600 | 1 | PULEGGIA | IT | ![]() |
15.54 EUR | ||
75 | 050151901 | 1 | PIASTRA | IT | ![]() |
8.52 EUR | ||
76 | 017811102 | 3 | VITE | IT | ![]() |
1.10 EUR | ||
77 | 021827000 | 1 | CHIAVE | IT | ![]() |
1.33 EUR | ||
78 | 008827000 | 1 | CHIAVE | IT | ![]() |
1.33 EUR | ||
79 | 050152600 | 1 | ALBERINO RULLO | IT | ![]() |
22.98 EUR | ||
80 | 050150200 | 1 | INGRANAGGI | IT | ![]() |
25.24 EUR | ||
81 | 016821100 | 1 | ANELLO D'ARRESTO | IT | ![]() |
1.20 EUR | ||
83 | 018980105 | 1 | BRONZINA | IT | ![]() |
4.21 EUR | ||
84 | 050150900 | 1 | INGRANAGGI | IT | ![]() |
27.91 EUR | ||
86 | 140111000 | 1 | MANOPOLA | IT | ![]() |
5.54 EUR | ||
87 | 050811400 | 1 | VITE | IT | ![]() |
1.20 EUR | ||
88 | 249124-00 | 1 | LEVA | IT | ![]() |
7.18 EUR | ||
89 | 761065-00 | 1 | PERNO | IT | ![]() |
1.00 EUR | ||
90 | 050912205 | 1 | PERNO | IT | ![]() |
1.20 EUR | ||
91 | 050117100 | 1 | VITE | IT | ![]() |
10.05 EUR | ||
92 | 050120904 | 1 | GUAINA ISOLANTE | IT | ![]() |
1.20 EUR | ||
93 | 761054-00 | 1 | MOLLA | IT | ![]() |
1.00 EUR | ||
94 | 249411-10 | 1 | DADO | IT | ![]() |
1.00 EUR | ||
95 | 249424-06 | 1 | VITE | IT | ![]() |
1.00 EUR | ||
96 | 249424-00 | 1 | VITE | IT | ![]() |
1.00 EUR | ||
97 | 248125-02 | 1 | ASS CORPO | IT | ![]() |
273.94 EUR | ||
98 | 050930703 | 1 | MOLLA | IT | ![]() |
3.08 EUR | ||
101 | 050116300 | 1 | STRISCIA | IT | ![]() |
4.87 EUR | ||
103 | 050111700 | 1 | PIASTRA | IT | ![]() |
2.67 EUR | ||
104 | 050110000 | 1 | STRISCIA | IT | ![]() |
3.08 EUR | ||
105 | 050110001 | 1 | PIASTRA | IT | ![]() |
8.52 EUR | ||
106 | 050930700 | 1 | MOLLA | IT | ![]() |
3.80 EUR | ||
107 | 249413-02 | 2 | VITE | IT | ![]() |
1.00 EUR | ||
109 | 869355-00 | 1 | KIT RIPARAZIONE | IT | ![]() |
8.52 EUR | ||
110 | 050116500 | 1 | PORTAUTENSILE | IT | ![]() |
8.52 EUR | ||
111 | 249424-01 | 3 | VITE | IT | ![]() |
1.00 EUR | ||
112 | 868016-00 | 1 | RIBATTINO | IT | ![]() |
1.00 EUR | ||
113 | 050931316 | 1 | MOLLA | IT | 2.67 EUR | |||
114 | 860079-03 | 1 | ANELLO D'ARRESTO | IT | ![]() |
1.00 EUR | ||
115 | 050930137 | 1 | RONDELLA | IT | ![]() |
1.33 EUR | ||
116 | 050104500 | 1 | ASS. RULLO | IT | ![]() |
56.94 EUR | ||
117 | 050930137 | 1 | RONDELLA | IT | ![]() |
1.33 EUR | ||
118 | 050113200 | 1 | STAFFA | IT | ![]() |
20.52 EUR | ||
119 | 590984-00 | 1 | KIT RIPARAZIONE | IT | ![]() |
37.96 EUR | ||
120 | 725163 | 3 | RONDELLA | IT | ![]() |
1.00 EUR | ||
121 | 249015-00 | 2 | COPERTURA SPAZZOLE | FROM 1-5-85 ALL | IT | ![]() |
2.36 EUR | |
122 | 090164501 | 2 | LEAD 80MM YELLOW | FROM 1-5-85 ALL | IT | ![]() |
2.67 EUR | |
123 | 090164502 | 2 | LEAD 300MM RED | FROM 1-5-85 ALL | IT | ![]() |
1.20 EUR | |
130 | 090106000 | 1 | KIT RIPARAZIONE | FROM 1-5-85 220V | IT | ![]() |
1.00 EUR | |
131 | 249412-13 | 1 | VITE | TYPE 2 | IT | ![]() |
1.00 EUR | |
131 | 249412-13 | 1 | VITE | TYPE 3 | IT | ![]() |
1.00 EUR | |
132 | 247605-00 | 1 | DADO | TYPE 2 | IT | ![]() |
1.54 EUR | |
132 | 247605-00 | 1 | DADO | TYPE 3 | IT | ![]() |
1.54 EUR | |
133 | 247400-00 | 1 | FILO DI CONTATTO | TYPE 2 | IT | ![]() |
4.21 EUR | |
133 | 247400-00 | 1 | FILO DI CONTATTO | TYPE 3 | IT | ![]() |
4.21 EUR | |
134 | 247604-00 | 1 | RIBATTINO | TYPE 2 | IT | ![]() |
1.33 EUR | |
134 | 247604-00 | 1 | RIBATTINO | TYPE 3 | IT | ![]() |
1.33 EUR | |
135 | 247399-00 | 1 | STRISCIA | TYPE 2 | IT | ![]() |
2.67 EUR | |
135 | 247399-00 | 1 | STRISCIA | TYPE 3 | IT | ![]() |
2.67 EUR | |
136 | 247599-00 | 2 | GUARNIZIONE | TYPE 2 | IT | ![]() |
1.33 EUR | |
136 | 247599-00 | 2 | GUARNIZIONE | TYPE 3 | IT | ![]() |
1.33 EUR | |
137 | 247401-00 | 1 | DISTANZIALE | TYPE 2 | IT | ![]() |
1.74 EUR | |
137 | 247401-00 | 1 | DISTANZIALE | TYPE 3 | IT | ![]() |
1.74 EUR | |
138 | 247664-05 | 1 | KIT SCAT. VENTIL. | Yellow | TYPE 2 | IT | ![]() |
18.73 EUR |
138 | 247664-05 | 1 | KIT SCAT. VENTIL. | Yellow | TYPE 3 | IT | ![]() |
18.73 EUR |
141 | 248456-05 | 1 | KIT RULLO ANTERIORE | TYPE 2 | IT | ![]() |
74.39 EUR | |
141 | 248456-05 | 1 | KIT RULLO ANTERIORE | TYPE 3 | IT | ![]() |
74.39 EUR | |
143 | 050239704 | 1 | ASS. ALBERO | IT | ![]() |
18.73 EUR | ||
144 | 040931409 | 1 | RONDELLA | IT | ![]() |
3.08 EUR | ||
145 | 324466-00 | 1 | LINGUETTA DI GUIDA | TYPE 3 | IT | ![]() |
2.87 EUR | |
146 | 323700-00 | 1 | RONDELLA | DE TYPE 3 | IT | ![]() |
1.54 EUR | |
146 | 323700-00 | 1 | RONDELLA | GB TYPE 3 | IT | ![]() |
1.54 EUR | |
147 | 725163 | 3 | RONDELLA | DE TYPE 3 | IT | ![]() |
1.00 EUR | |
148 | 249424-01 | 3 | VITE | DE TYPE 3 | IT | ![]() |
1.00 EUR | |
149 | 324126-05 | 1 | COPERTURA | DE TYPE 3 | IT | ![]() |
3.80 EUR | |
150 | 323703-00 | 2 | RONDELLA | DE TYPE 3 | IT | ![]() |
2.00 EUR | |
150 | 323703-00 | 2 | RONDELLA | GB TYPE 3 | IT | ![]() |
2.00 EUR | |
151 | 324127-06 | 1 | COPERTURA | DE TYPE 3 | IT | ![]() |
3.08 EUR |
* I prezzi indicati possono subire variazioni e non sono inclusivi di IVA ed eventuali spese di trasporto. Ci riserviamo la possibilità di variare i prezzi e le condizioni senza preavviso.