MSU275 SEGA UNIVERSALE Type 1 | Disegni
Documenti
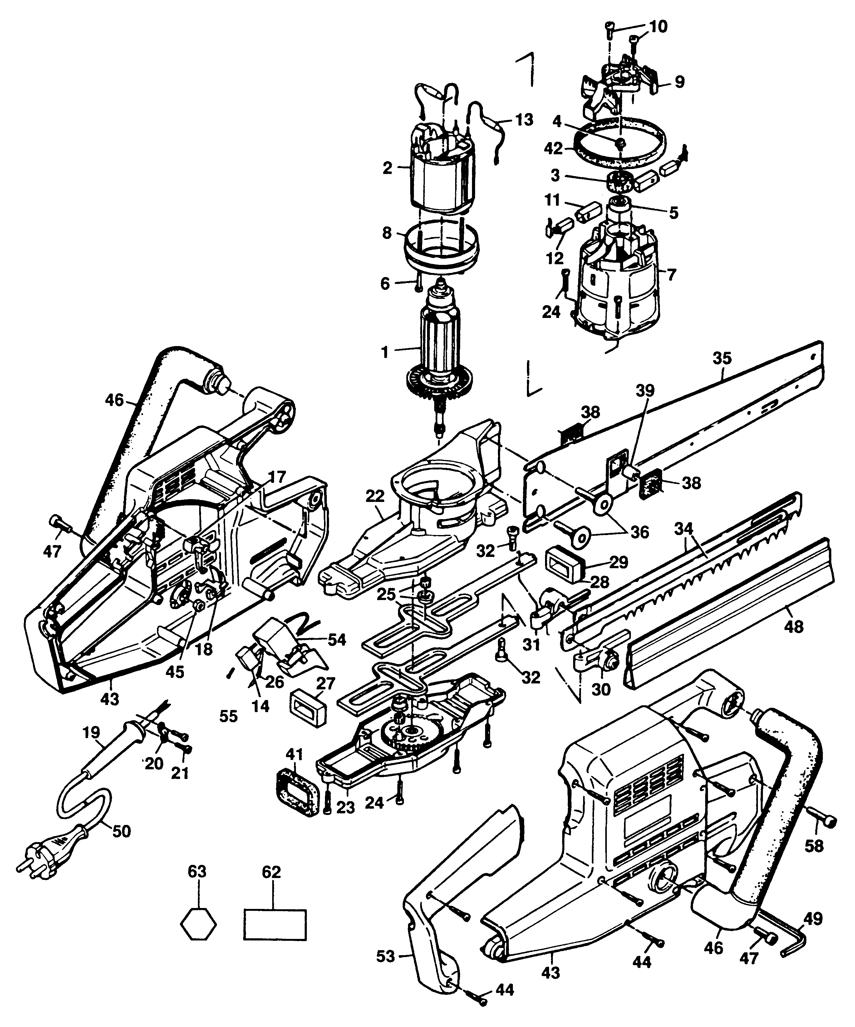
Si prega di visualizzare il menu a tendina dal momento che alcuni prodotti potrebbero avere più disegni

Item No. | Product Number | Qty Per | Product Description | INFORMAZIONI | Altre informazioni | Markets | Product Status | Guida ai prezzi |
---|---|---|---|---|---|---|---|---|
1 | 369453-04 | 1 | ARMATURE 230V | XJ | ![]() |
61.56 EUR | ||
2 | 373007-15 | 1 | FIELD 230V | XJ | ![]() |
15.54 EUR | ||
3 | 911897 | 1 | PORTAUTENSILE | XJ | ![]() |
1.20 EUR | ||
4 | 322491 | 1 | VITE | XJ | ![]() |
1.00 EUR | ||
5 | 330003-19 | 1 | CUSCINETTO | XJ | ![]() |
5.54 EUR | ||
6 | 916231 | 2 | VITE | XJ | ![]() |
1.10 EUR | ||
7 | 322330 | 1 | CORPO MOTORE | XJ | ![]() |
4.21 EUR | ||
8 | 916128 | 1 | BAFFLE FAN | XJ | ![]() |
1.33 EUR | ||
9 | 322894 | 1 | PONTE | XJ | ![]() |
1.44 EUR | ||
10 | 894748 | 2 | ANELLO TOROIDALE | XJ | ![]() |
1.00 EUR | ||
11 | 321337 | 2 | PORTASPAZZOLE | XJ | ![]() |
1.10 EUR | ||
12 | 322950 | 2 | BRUSH 230V | XJ | ![]() |
3.80 EUR | ||
13 | 917912-07 | 2 | INDUTTANZA | XJ | ![]() |
2.67 EUR | ||
14 | 321384 | 1 | CONDENSATORE | XJ | ![]() |
1.44 EUR | ||
17 | 325332-00 | 1 | LEVA | XJ | ![]() |
1.44 EUR | ||
18 | 323136 | 1 | LEVA | XJ | ![]() |
1.10 EUR | ||
19 | 859013 | 1 | MANICOTTO | XJ | ![]() |
1.54 EUR | ||
20 | 821070 | 1 | SERRAFILO | XJ | ![]() |
1.00 EUR | ||
21 | D911324 | 2 | VITE | XJ | ![]() |
1.00 EUR | ||
22 | 324817-00 | 1 | SCATOLA INGRANAGGI | XJ | ![]() |
44.63 EUR | ||
23 | 322667 | 1 | SCATOLA INGRANAGGI | XJ | ![]() |
34.06 EUR | ||
24 | 320601-02 | 11 | VITE | PRE WEEK 9449 | XJ | ![]() |
1.00 EUR | |
24 | 810091-00 | 11 | SCREW.SPECIAL | POST WEEK 9449 | XJ | ![]() |
1.00 EUR | |
25 | 1008559-01 | 1 | KIT RIPARAZIONE | XJ | ![]() |
66.18 EUR | ||
26 | 878756 | 2 | LEAD 200MM BLACK | XJ | ![]() |
1.10 EUR | ||
27 | 322377 | 1 | CUSCINETTO | XJ | ![]() |
2.87 EUR | ||
29 | 325990-00 | 1 | GUARNIZIONE | XJ | ![]() |
1.33 EUR | ||
30 | 368469-00 | 1 | ASS. MORSETT.DESTRO | XJ | ![]() |
5.54 EUR | ||
31 | 368470-00 | 1 | ASS. MORSETT.SINISTR | XJ | ![]() |
5.54 EUR | ||
32 | 495253-00 | 2 | KIT RIPARAZIONE | XJ | ![]() |
8.52 EUR | ||
35 | 325334-00 | 1 | BARRA | XJ | ![]() |
34.06 EUR | ||
36 | 324776-00 | 2 | VITE | XJ | ![]() |
1.20 EUR | ||
38 | 322661 | 2 | INSERTO | XJ | ![]() |
1.20 EUR | ||
39 | 322662 | 1 | DISTANZIALE | XJ | ![]() |
1.10 EUR | ||
41 | 322659 | 1 | INSERTO | XJ | ![]() |
1.33 EUR | ||
42 | 322660 | 1 | INSERTO | XJ | ![]() |
2.00 EUR | ||
43 | 325602-06 | 1 | ASS. CORPO | XJ | ![]() |
22.98 EUR | ||
44 | 911325 | 9 | VITE | XJ | ![]() |
1.00 EUR | ||
45 | 911018 | 2 | DADO | XJ | ![]() |
1.00 EUR | ||
46 | 323142 | 2 | HANDLE | XJ | ![]() |
18.73 EUR | ||
47 | 911281 | 2 | VITE | XJ | 1.10 EUR | |||
48 | 259680 | 1 | PROTEZIONE | XJ | ![]() |
1.44 EUR | ||
49 | 098000-11 | 1 | CHIAVE ESAGONALE | XJ | ![]() |
1.33 EUR | ||
50 | N571221 | 1 | CORDSET (EURO) | XJ | ![]() |
12.67 EUR | ||
53 | 322363-03 | 1 | COPERTURA | XJ | ![]() |
3.80 EUR | ||
54 | 325328-00 | 1 | INTERRUTTORE | XJ | ![]() |
18.73 EUR | ||
55 | 911026 | 4 | VITE | XJ | ![]() |
1.00 EUR | ||
58 | 322928 | 1 | VITE | XJ | ![]() |
1.10 EUR | ||
62 | 323504-00 | 1 | ETICHETTA DI AVVISO | XJ | ![]() |
1.20 EUR | ||
63 | 323504-00 | 1 | ETICHETTA DI AVVISO | XJ | ![]() |
1.20 EUR |
* I prezzi indicati possono subire variazioni e non sono inclusivi di IVA ed eventuali spese di trasporto. Ci riserviamo la possibilità di variare i prezzi e le condizioni senza preavviso.