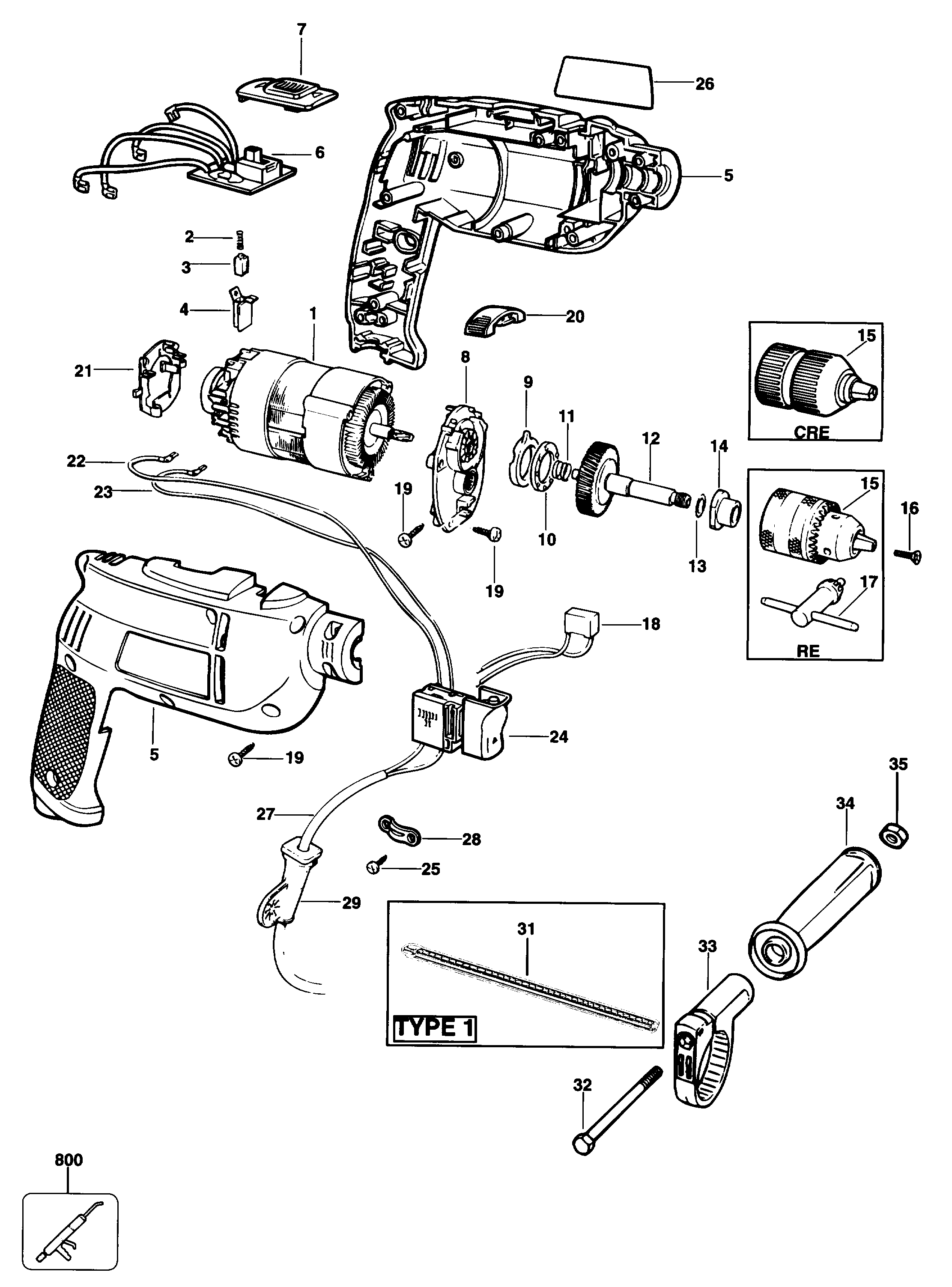
KD351CRE TRAPANO Type 1 | Disegni
Documenti
Si prega di visualizzare il menu a tendina dal momento che alcuni prodotti potrebbero avere più disegni

Item No. | Product Number | Qty Per | Product Description | INFORMAZIONI | Altre informazioni | Markets | Product Status | Guida ai prezzi |
---|---|---|---|---|---|---|---|---|
1 | 376913-04 | 1 | SG MOTORE | B3 | IT | ![]() |
46.07 EUR | |
1 | 376913-03 | 1 | SG MOTORE | IT | ![]() |
41.96 EUR | ||
2 | 847709 | 2 | MOLLA | IT | ![]() |
1.00 EUR | ||
3 | 807026 | 2 | BRUSHBOX | B3 | IT | ![]() |
2.87 EUR | |
3 | 376143 | 2 | SPAZZOLE | IT | ![]() |
1.10 EUR | ||
4 | 812738 | 2 | PORTASPAZZOLE | IT | ![]() |
1.10 EUR | ||
5 | 808362 | 1 | CORPO | IT | ![]() |
11.39 EUR | ||
6 | 808368-00 | 1 | INTERRUTTORE | IT | ![]() |
10.05 EUR | ||
6 | 808368-01 | 1 | INTERRUTTORE | B3 | IT | |||
7 | 808369-00 | 1 | ATTUATORE | IT | ![]() |
1.20 EUR | ||
8 | 823782 | 1 | COPERT. SCAT. INGR. | IT | ![]() |
6.05 EUR | ||
9 | 812962 | 1 | ANELLO | IT | ![]() |
1.20 EUR | ||
10 | 892261 | 1 | CUSCINETTO | IT | ![]() |
1.33 EUR | ||
11 | 821986 | 1 | MOLLA | IT | ![]() |
1.00 EUR | ||
12 | 747323-49 | 1 | ASS. ALBERO | IT | ![]() |
11.39 EUR | ||
13 | 812979 | 1 | RONDELLA DI SPINTA | IT | ![]() |
1.00 EUR | ||
14 | 812973 | 1 | CUSCINETTO | IT | ![]() |
1.20 EUR | ||
15 | 330033-15 | 1 | CHUCK 10MM | KD455RE | IT | 12.67 EUR | ||
15 | 376080-02 | 1 | CHUCK 13MM | RE TYPE 2Z | IT | ![]() |
18.73 EUR | |
15 | 376080-02 | 1 | CHUCK 13MM | 374450 TYPE 1Z | IT | ![]() |
18.73 EUR | |
15 | 330033-23 | 1 | CHUCK 13MM | RE TYPE 1-3 | IT | ![]() |
16.11 EUR | |
15 | 330033-23 | 1 | CHUCK 13MM | 374450 TYPE 1 | IT | ![]() |
16.11 EUR | |
15 | 586589-00L | 1 | MANDRINO SENZA CHIA. | CRE | IT | ![]() |
10.05 EUR | |
15 | 586589-00L | 1 | MANDRINO SENZA CHIA. | KD455CRE | IT | ![]() |
10.05 EUR | |
16 | 805434 | 1 | SCREW.SPECIAL | IT | ![]() |
1.00 EUR | ||
17 | 330034-06 | 1 | CHIAVE MANDRINO | RE TYPE 2Z | IT | ![]() |
3.08 EUR | |
17 | 330034-06 | 1 | CHIAVE MANDRINO | 374450 TYPE 1Z | IT | ![]() |
3.08 EUR | |
17 | 330034-07 | 1 | CHIAVE MANDRINO | RE TYPE 1-3 | IT | ![]() |
2.35 EUR | |
17 | 330034-07 | 1 | CHIAVE MANDRINO | 374450 TYPE 1 | IT | ![]() |
2.35 EUR | |
18 | 807745 | 1 | CONDENSATORE | IT | ![]() |
1.54 EUR | ||
19 | 809961 | 11 | VITE | IT | ![]() |
1.00 EUR | ||
20 | 808370 | 1 | SELETTORE | IT | ![]() |
1.20 EUR | ||
21 | 822789 | 1 | COPERTURA | IT | ![]() |
1.44 EUR | ||
22 | 371665 | 1 | ASS. CAVETTO | B3 | IT | ![]() |
1.33 EUR | |
22 | 813402 | 1 | ASS. CAVETTO | IT | ![]() |
1.10 EUR | ||
23 | 371666 | 1 | CAVETTO | B3 | IT | ![]() |
1.33 EUR | |
23 | 369258 | 1 | CAVETTO | IT | ![]() |
1.10 EUR | ||
24 | 371274-01 | 1 | INTERRUTTORE | KD350RE-KD351CRE TY2 | IT | ![]() |
18.73 EUR | |
24 | 808366-01 | 1 | INTERRUTTORE VARIAB. | B3 | IT | ![]() |
22.98 EUR | |
24 | 808366-02 | 1 | INTERRUTTORE VARIAB. | IT | ![]() |
22.98 EUR | ||
25 | 821057 | 2 | VITE | No 6 x 12.7mm | IT | ![]() |
1.00 EUR | |
26 | 808371-05 | 1 | ETICHETTA MARCHIO | KD355RE | IT | ![]() |
1.10 EUR | |
26 | 808371-14 | 1 | ETICHETTA MARCHIO | KD351CRE | IT | ![]() |
1.10 EUR | |
26 | 808371-00 | 1 | ETICHETTA MARCHIO | KD350RE | IT | ![]() |
1.10 EUR | |
26 | 808371-16 | 1 | ETICHETTA MARCHIO | 374450 | IT | ![]() |
1.10 EUR | |
27 | 330080-03 | 1 | CAVO CON SPINA | IT | ![]() |
4.21 EUR | ||
27 | 805389 | 1 | CAVO CON SPINA | B3 | IT | |||
28 | 821070 | 1 | SERRAFILO | IT | ![]() |
1.00 EUR | ||
29 | 770235 | 1 | MANICOTTO | IT | ![]() |
1.10 EUR | ||
31 | 808401 | 1 | ARRESTO PROFONDITA' | TYPE 1 | IT | ![]() |
1.33 EUR | |
32 | 813918 | 1 | VITE | IT | ![]() |
1.20 EUR | ||
33 | 808405 | 1 | MORSETTO | TYPE 1 | IT | ![]() |
1.74 EUR | |
33 | 808405 | 1 | MORSETTO | KD350RE-KD351CRE TY2 | IT | ![]() |
1.74 EUR | |
33 | 808405 | 1 | MORSETTO | TYPE 1 | IT | ![]() |
1.74 EUR | |
33 | 808405 | 1 | MORSETTO | KD350RE-KD351CRE TY2 | IT | ![]() |
1.74 EUR | |
34 | 823784 | 1 | HANDLE | KD350RE-KD351CRE TY2 | IT | ![]() |
1.74 EUR | |
34 | 808402 | 1 | MANICO LATERALE | TYPE 1 | IT | ![]() |
2.00 EUR | |
35 | 896369 | 1 | DADO | IT | ![]() |
1.00 EUR | ||
800 | 870889-02 | 1 | GRASSO | IT | ![]() |
6.05 EUR |
* I prezzi indicati possono subire variazioni e non sono inclusivi di IVA ed eventuali spese di trasporto. Ci riserviamo la possibilità di variare i prezzi e le condizioni senza preavviso.