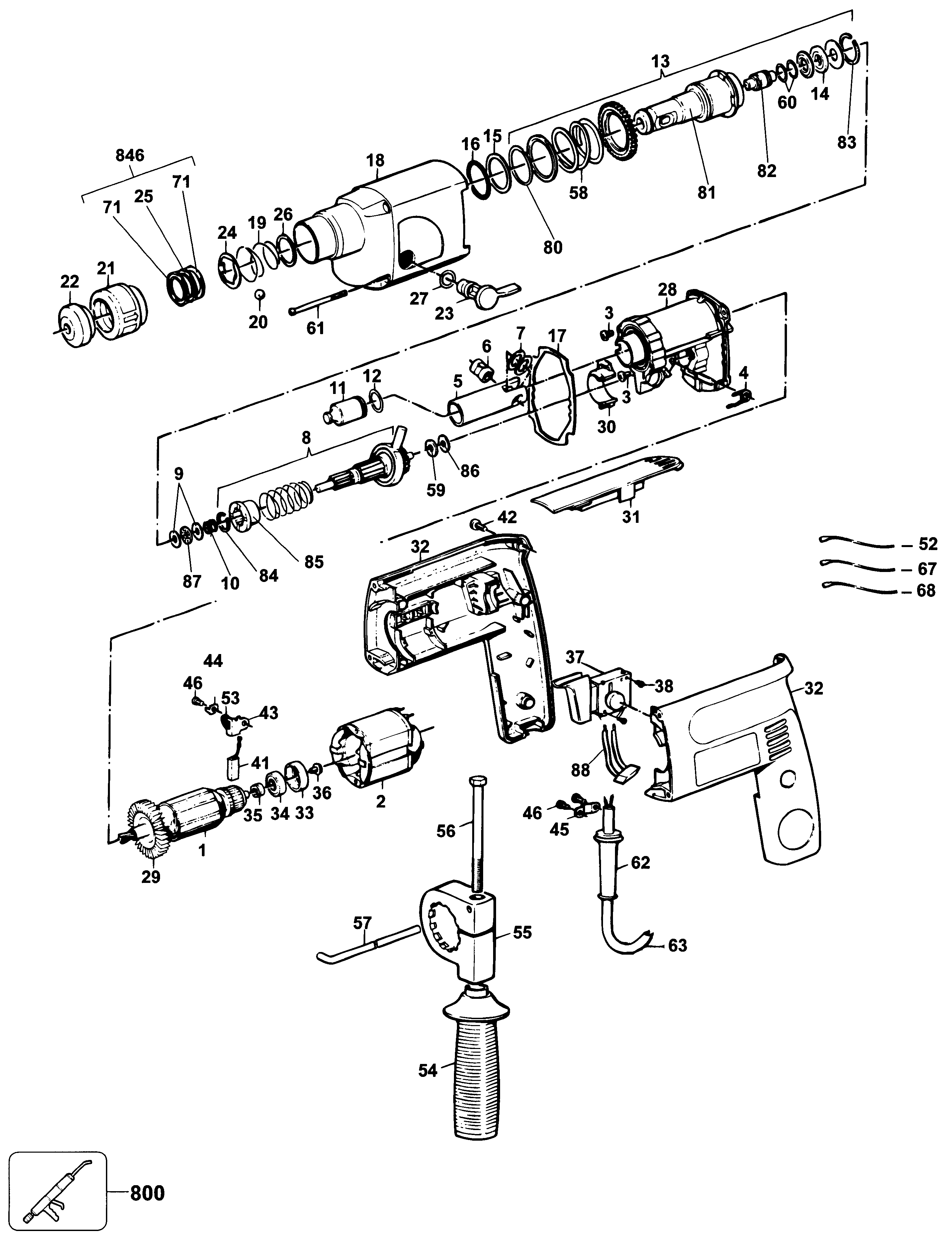
KD8000 MARTELLO ROTANTE Type 2 | Disegni
Documenti
Si prega di visualizzare il menu a tendina dal momento che alcuni prodotti potrebbero avere più disegni

Item No. | Product Number | Qty Per | Product Description | INFORMAZIONI | Altre informazioni | Markets | Product Status | Guida ai prezzi |
---|---|---|---|---|---|---|---|---|
1 | 873874-01 | 1 | ARMATURE 115V | 115V | XJ | ![]() |
74.39 EUR | |
1 | 326582-00 | 1 | ARMATURE 230V | 230V | XJ | ![]() |
52.94 EUR | |
2 | 873875 | 1 | FIELD 115V | 115V | XJ | ![]() |
16.88 EUR | |
2 | 323983-04 | 1 | STATOR 230V | 230V | XJ | ![]() |
20.52 EUR | |
3 | 872745 | 2 | VITE | XJ | ![]() |
1.00 EUR | ||
4 | 870471 | 1 | MOLLA | XJ | ![]() |
1.00 EUR | ||
5 | 875345 | 1 | PISTONE | XJ | ![]() |
11.39 EUR | ||
6 | 487143-00 | 1 | ASSE | XJ | ![]() |
4.87 EUR | ||
7 | 870875 | 2 | RONDELLA | XJ | ![]() |
1.10 EUR | ||
8 | 874592 | 1 | ALBERO | XJ | ![]() |
56.94 EUR | ||
9 | 324431-02 | 2 | RONDELLA | XJ | ![]() |
2.67 EUR | ||
10 | 323794-00 | 1 | MOLLA | XJ | ![]() |
1.10 EUR | ||
11 | 870621 | 1 | MAZZA BATTENTE | XJ | ![]() |
12.67 EUR | ||
12 | 577168-00 | 1 | ANELLO TOROIDALE | XJ | ![]() |
1.00 EUR | ||
13 | 870950-01 | 1 | ALBERINO | XJ | ![]() |
68.64 EUR | ||
14 | N451068 | 1 | ANELLO DI TENUTA | XJ | ![]() |
1.74 EUR | ||
15 | 870880 | 1 | RONDELLA | XJ | ![]() |
1.44 EUR | ||
16 | 870881 | 1 | RONDELLA | XJ | ![]() |
1.10 EUR | ||
17 | 870882 | 1 | GUARNIZIONE | XJ | ![]() |
1.33 EUR | ||
18 | 870883-01 | 1 | SCATOLA INGRANAGGI | XJ | ![]() |
20.52 EUR | ||
19 | 871690 | 1 | MOLLA | XJ | ![]() |
1.10 EUR | ||
20 | 583890-00 | 1 | SFERA | XJ | ![]() |
1.10 EUR | ||
21 | 870954 | 1 | MANICOTTO | XJ | ![]() |
2.26 EUR | ||
22 | 871469 | 1 | GUARNIZIONE | XJ | ![]() |
1.54 EUR | ||
23 | 321948 | 1 | LEVA | XJ | ![]() |
4.21 EUR | ||
24 | 578387-00 | 1 | RONDELLA | XJ | ![]() |
1.44 EUR | ||
25 | 323480-00 | 1 | DISTANZIALE | XJ | ![]() |
2.26 EUR | ||
26 | 871670 | 1 | RONDELLA | XJ | ![]() |
1.10 EUR | ||
27 | 870907 | 1 | GUARNIZIONE | XJ | ![]() |
1.00 EUR | ||
28 | 324937-00 | 1 | ASS CORPO | XJ | ![]() |
34.06 EUR | ||
29 | 324401-00 | 1 | VENTOLA | XJ | ![]() |
2.87 EUR | ||
30 | 871987 | 1 | GUARNIZIONE | XJ | ![]() |
1.20 EUR | ||
31 | 322311-01 | 1 | INSERTO | XJ | ![]() |
1.74 EUR | ||
32 | 321941-02 | 1 | CORPO | XJ | ![]() |
18.73 EUR | ||
33 | 870052 | 1 | MANICOTTO | XJ | ![]() |
1.10 EUR | ||
34 | 330003-19 | 1 | CUSCINETTO | XJ | ![]() |
5.54 EUR | ||
35 | 918687 | 1 | DISTANZIALE | XJ | ||||
36 | 911276 | 1 | VITE | XJ | ![]() |
1.00 EUR | ||
37 | 325854-00 | 1 | INTERRUTTORE | XJ | ![]() |
14.00 EUR | ||
38 | 911026 | 4 | VITE | XJ | ![]() |
1.00 EUR | ||
41 | 326129-00 | 2 | BRUSH 230V | 230V | XJ | ![]() |
3.08 EUR | |
41 | 320877 | 2 | SPAZZOLE | 115V | XJ | ![]() |
3.80 EUR | |
42 | 911325 | 5 | VITE | XJ | ![]() |
1.00 EUR | ||
43 | 326109-00 | 2 | PORTASPAZZOLE | XJ | ![]() |
1.33 EUR | ||
44 | 875513 | 2 | PIASTRA | XJ | ![]() |
1.10 EUR | ||
45 | 821070 | 1 | SERRAFILO | XJ | ![]() |
1.00 EUR | ||
46 | D911324 | 4 | VITE | XJ | ![]() |
1.00 EUR | ||
53 | 872843 | 2 | MOLLA | XJ | ![]() |
1.10 EUR | ||
54 | 872712 | 1 | HANDLE | XJ | ![]() |
3.08 EUR | ||
55 | 870911 | 1 | MORSETTO | XJ | ![]() |
4.87 EUR | ||
56 | 813918 | 1 | VITE | XJ | ![]() |
1.20 EUR | ||
57 | 580787-00 | 1 | ARRESTO PROFONDITA' | XJ | ![]() |
1.44 EUR | ||
58 | 918782 | 1 | MOLLA | XJ | ![]() |
1.33 EUR | ||
59 | 324430-03 | 1 | CUSCINETTO ASSIALE | XJ | ![]() |
3.80 EUR | ||
60 | 873012 | 2 | GUARNIZIONE | XJ | ![]() |
1.10 EUR | ||
61 | 911517 | 4 | VITE | XJ | ![]() |
1.10 EUR | ||
71 | 323492-00 | 2 | RONDELLA | XJ | ![]() |
1.20 EUR | ||
80 | 870896 | 1 | ANELLO D'ARRESTO | XJ | ![]() |
1.10 EUR | ||
81 | 870962 | 1 | ALBERINO | XJ | ![]() |
41.96 EUR | ||
82 | 870622 | 1 | AMMORTIZZATORE | XJ | ![]() |
4.21 EUR | ||
83 | 870893 | 1 | ANELLO D'ARRESTO | XJ | ![]() |
1.10 EUR | ||
84 | 872744 | 1 | ANELLO D'ARRESTO | XJ | ![]() |
1.10 EUR | ||
85 | 872741 | 1 | FRIZIONE | XJ | ![]() |
3.08 EUR | ||
86 | 324431-03 | 1 | WASHER 7 | XJ | ![]() |
1.33 EUR | ||
87 | 324430-02 | 1 | CUSCINETTO ASSIALE | XJ | ![]() |
3.80 EUR | ||
846 | 327354-00 | 1 | ASS. RONDELLE | XJ | ![]() |
8.52 EUR |
* I prezzi indicati possono subire variazioni e non sono inclusivi di IVA ed eventuali spese di trasporto. Ci riserviamo la possibilità di variare i prezzi e le condizioni senza preavviso.