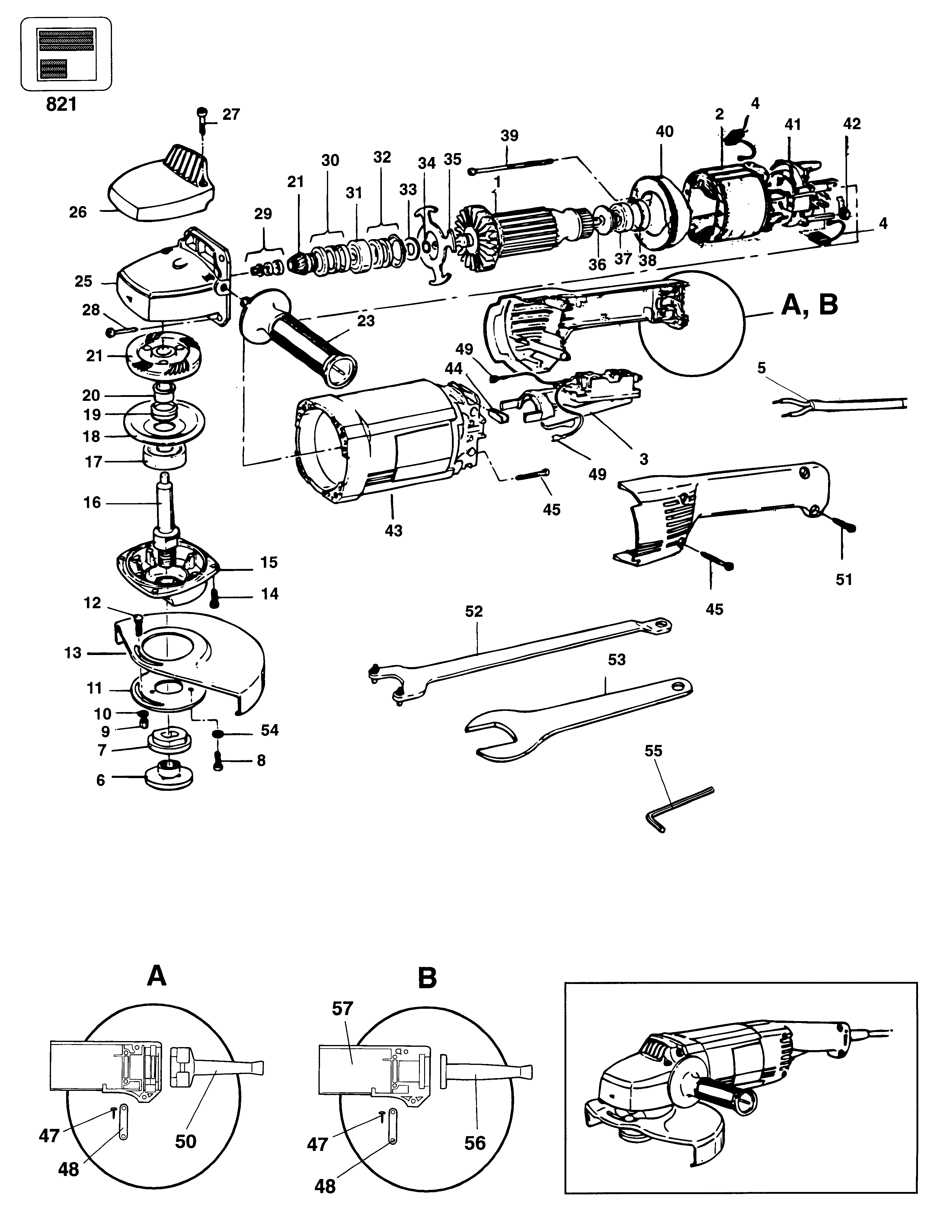
P5723 SMERIGLIATRICE ANGOLARE Type 1 | Disegni
Documenti
Si prega di visualizzare il menu a tendina dal momento che alcuni prodotti potrebbero avere più disegni

Item No. | Product Number | Qty Per | Product Description | INFORMAZIONI | Altre informazioni | Markets | Product Status | Guida ai prezzi |
---|---|---|---|---|---|---|---|---|
1 | 940607-49 | 1 | INDOTTO | 115 VOLTS | XJ | ![]() |
91.62 EUR | |
1 | 930962-49 | 1 | ARMATURE 220/240V | 240 VOLTS | XJ | ![]() |
68.64 EUR | |
2 | 868531-00 | 1 | FIELD 115V | 115 VOLTS | XJ | 74.39 EUR | ||
2 | 868531-02 | 1 | FIELD 230V | 240 VOLTS | XJ | ![]() |
74.39 EUR | |
3 | 949825-06 | 1 | INTERRUTTORE | 115 VOLTS | XJ | ![]() |
25.24 EUR | |
3 | 949825-04 | 1 | INTERRUTT. BLOCCO | 240 VOLTS | XJ | ![]() |
29.65 EUR | |
4 | 940160-01 | 2 | SPAZZOLA AUTOESPELL. | 230V | 240 VOLTS | XJ | ![]() |
5.54 EUR |
4 | 940160-00 | 2 | SPAZZOLA AUTOESPELL. | CUT-OFF | 115 VOLTS | XJ | ![]() |
8.52 EUR |
5 | 4688529 | 1 | CAVO AL METRO | 240 VOLTS | XJ | ![]() |
2.26 EUR | |
5 | 4688531 | 1 | CAVO AL METRO | 115 VOLTS | XJ | |||
6 | 931771 | 1 | FLANGIA | XJ | ![]() |
6.05 EUR | ||
7 | 930927 | 1 | FLANGIA | XJ | ![]() |
3.08 EUR | ||
8 | 933058-00 | 3 | VITE | XJ | ![]() |
1.00 EUR | ||
9 | 860083-03 | 1 | DADO | XJ | ![]() |
1.00 EUR | ||
10 | 930925 | 1 | RONDELLA | XJ | ![]() |
1.20 EUR | ||
11 | 930929 | 1 | FLANGIA | XJ | ![]() |
2.67 EUR | ||
12 | 949892-07 | 1 | VITE | XJ | ![]() |
1.10 EUR | ||
13 | 931942-02 | 1 | GUARD 9" | P5923 | XJ | ![]() |
18.73 EUR | |
13 | 932525-02 | 1 | GUARD 7" | P5723 | XJ | ![]() |
10.05 EUR | |
14 | 949887-01 | 4 | VITE | XJ | ![]() |
1.10 EUR | ||
15 | 947962-00 | 1 | COPERCHIO SCAT.INGR. | XJ | ![]() |
7.18 EUR | ||
16 | 578243-00 | 1 | ALBERINO | XJ | ![]() |
15.54 EUR | ||
17 | 930566 | 1 | CUSCINETTO | XJ | ![]() |
8.52 EUR | ||
18 | 930924 | 1 | FLANGIA | XJ | ![]() |
1.74 EUR | ||
19 | 930923 | 1 | GUARNIZIONE | XJ | ![]() |
1.33 EUR | ||
20 | 930922 | 1 | DISTANZIALE | XJ | ![]() |
1.54 EUR | ||
21 | 932576 | 1 | INGRANAG. & PIGNONE | P5723 | XJ | ![]() |
37.96 EUR | |
21 | 932522 | 1 | ASS. INGR.E PIGNONE | P5923 | XJ | ![]() |
32.42 EUR | |
23 | 939815 | 1 | ASS. IMPUGN. LATERAL | XJ | ![]() |
3.80 EUR | ||
25 | 933352 | 1 | SCATOLA INGRANAGGI | XJ | ![]() |
16.88 EUR | ||
26 | 933363 | 1 | COPERTURA | XJ | ![]() |
3.08 EUR | ||
27 | 930240 | 2 | VITE | XJ | ![]() |
1.00 EUR | ||
28 | 930930 | 4 | VITE | XJ | ![]() |
1.00 EUR | ||
29 | 937098-49 | 1 | GRAFFA SA | XJ | ![]() |
2.00 EUR | ||
30 | 930909 | 1 | ASS. GIARNIZIONE | XJ | ![]() |
1.54 EUR | ||
32 | 931067-00 | 1 | ASS. GIARNIZIONE | XJ | ![]() |
1.54 EUR | ||
33 | 931062 | 1 | DISTANZIALE | XJ | 1.54 EUR | |||
34 | 930028-00 | 1 | ANELLO TOROIDALE | XJ | ![]() |
1.00 EUR | ||
35 | 931066-00 | 1 | FLANGIA | XJ | ![]() |
2.67 EUR | ||
36 | N174055 | 1 | DISTANZIALE | TYPE A2 | XJ | ![]() |
1.10 EUR | |
37 | 577745-00 | 1 | CUSCINETTO | XJ | ![]() |
5.54 EUR | ||
38 | 938332-00 | 1 | MANICOTTO | TYPE A2 | XJ | ![]() |
1.00 EUR | |
39 | N412453 | 2 | VITE | XJ | ![]() |
1.74 EUR | ||
40 | 931073-00 | 1 | LINGUETTA DI GUIDA | XJ | ![]() |
1.74 EUR | ||
41 | D935745 | 1 | ASS.PORTASPAZZOLE | 240 VOLTS | XJ | ![]() |
4.87 EUR | |
41 | 932388 | 1 | PORTASPAZZOLE | 115 VOLTS | XJ | |||
42 | 931076-00 | 2 | MOLLA | XJ | ![]() |
1.10 EUR | ||
43 | 948134-09 | 1 | ASS.CORPO MOTORE | XJ | ![]() |
27.91 EUR | ||
44 | 930934-00 | 4 | AMMORTIZATORE | XJ | ![]() |
1.00 EUR | ||
45 | 931297-00 | 4 | VITE | XJ | ![]() |
1.54 EUR | ||
47 | 931469-02 | 2 | VITE | XJ | ![]() |
1.00 EUR | ||
48 | 931477-00 | 1 | SERRAFILO | XJ | ![]() |
1.00 EUR | ||
50 | 930981-00 | 1 | CORD PROTECTOR | XJ | ![]() |
1.44 EUR | ||
51 | 930284-01 | 2 | VITE | XJ | ![]() |
1.00 EUR | ||
52 | 938733 | 1 | CHIAVE | XJ | ![]() |
5.54 EUR | ||
55 | 807043 | 1 | CHIAVE INGLESE | 4mm | XJ | ![]() |
1.10 EUR | |
56 | 947964-01 | 1 | CORD PROTECTOR | XJ | ![]() |
2.26 EUR | ||
821 | 569036-00 | 1 | SCHEDA | B&D Blank | XJ | ![]() |
1.54 EUR |
* I prezzi indicati possono subire variazioni e non sono inclusivi di IVA ed eventuali spese di trasporto. Ci riserviamo la possibilità di variare i prezzi e le condizioni senza preavviso.