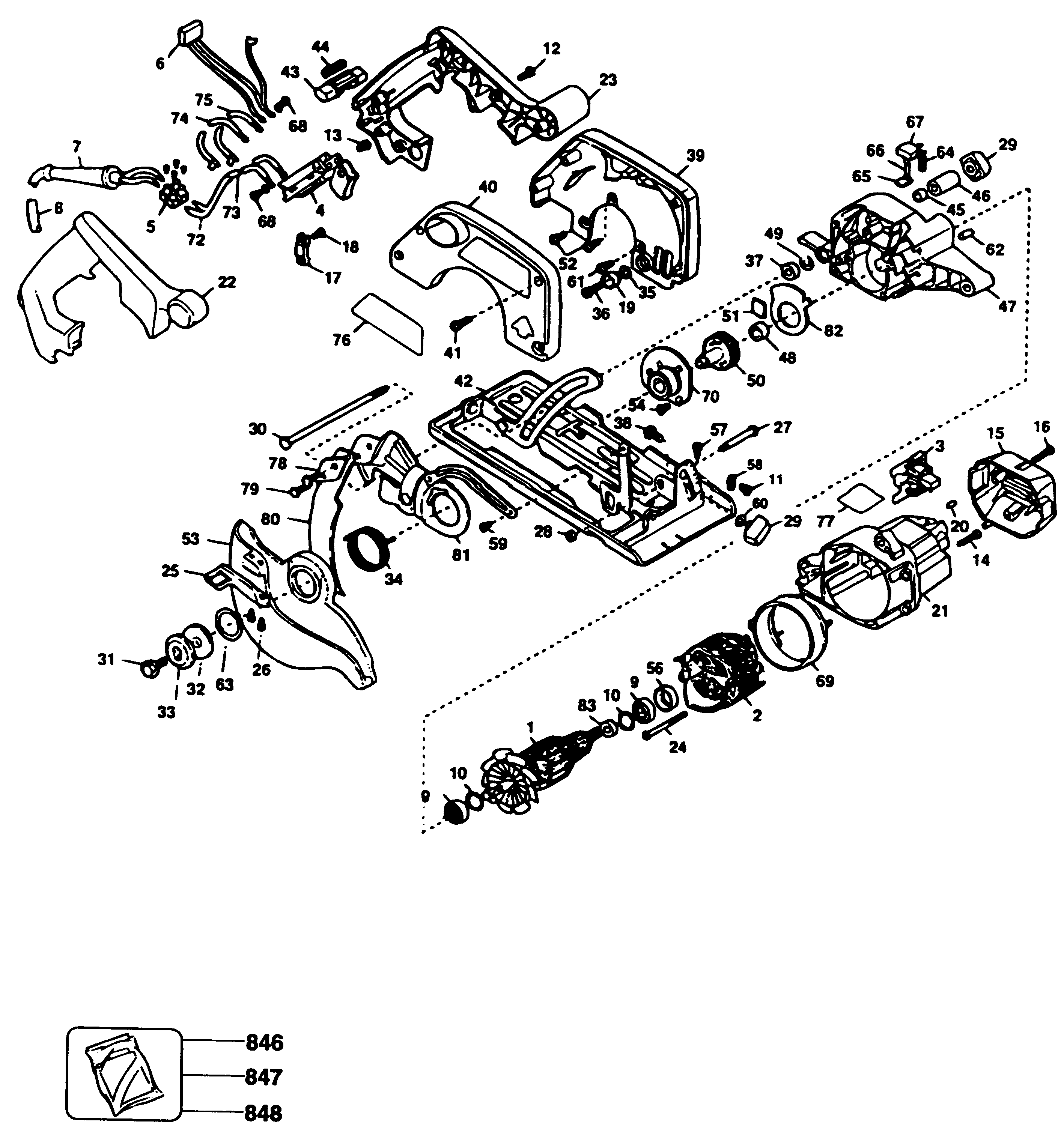
BD365 SEGA CIRCOLARE Type 1 | Disegni
Documenti
Si prega di visualizzare il menu a tendina dal momento che alcuni prodotti potrebbero avere più disegni
| Item No. | Product Number | Qty Per | Product Description | INFORMAZIONI | Altre informazioni | Markets | Product Status | Guida ai prezzi |
|---|---|---|---|---|---|---|---|---|
| 1 | 147171-08 | 1 | INDOTTO CON VENTOLA | IT | ![]() |
50.38 EUR | ||
| 2 | 144795-01 | 1 | STATORE | IT | ![]() |
20.52 EUR | ||
| 3 | 145377-08 | 2 | ASS.SPAZ.E PORTASP. | IT | ![]() |
11.39 EUR | ||
| 4 | 429981-00 | 1 | KIT INTERRUTTORE | IT | ![]() |
16.88 EUR | ||
| 5 | 320078-00 | 1 | MORSETTIERA | IT | ![]() |
2.00 EUR | ||
| 6 | 148679-02 | 1 | CONDENSATORE | IT | ![]() |
5.54 EUR | ||
| 7 | N542553 | 1 | CORD PROTECTOR | IT | 2.87 EUR | |||
| 7 | N542553 | 1 | CORD PROTECTOR | IT | 2.87 EUR | |||
| 8 | 324438-19 | 1 | CAVO CON SPINA | IT | ||||
| 9 | 605040-20 | 2 | CUSCINETTO | 12 x 28 x 8mm | IT | ![]() |
3.08 EUR | |
| 10 | 400677-00 | 2 | ANELLO D'ARRESTO | IT | ![]() |
1.00 EUR | ||
| 11 | 330045-04 | 1 | SCREW.TEMP | M4x0.7x6 MTL THD FMG | IT | 1.00 EUR | ||
| 12 | 330019-14 | 7 | VITE | IT | ![]() |
1.00 EUR | ||
| 13 | 330019-01 | 1 | VITE | IT | ![]() |
1.00 EUR | ||
| 14 | 330045-19 | 4 | VITE | IT | ![]() |
1.00 EUR | ||
| 17 | 003618-00 | 1 | SERRAFILO | IT | ![]() |
1.54 EUR | ||
| 18 | 148461-00 | 2 | SCREW.TEMP | IT | ![]() |
1.00 EUR | ||
| 19 | 145375-02 | 1 | PARACOLPI | IT | ![]() |
1.10 EUR | ||
| 20 | 87205-00 | 2 | SPINA | IT | ![]() |
1.00 EUR | ||
| 24 | 147186-00 | 2 | SCREW.TEMP | IT | ![]() |
1.00 EUR | ||
| 25 | 147052-00 | 1 | LEVA | IT | ![]() |
1.33 EUR | ||
| 26 | 330045-05 | 2 | VITE | IT | ![]() |
1.00 EUR | ||
| 27 | 396631-00 | 1 | VITE | IT | ![]() |
1.20 EUR | ||
| 28 | 148641-00 | 1 | CONTRODADO | IT | ![]() |
1.10 EUR | ||
| 29 | 395889-00 | 2 | MANOPOLA | IT | ![]() |
1.20 EUR | ||
| 31 | 145344-00 | 1 | VITE | IT | ![]() |
1.20 EUR | ||
| 32 | 145442-01 | 1 | RONDEL. FISSAG. INT. | IT | ![]() |
1.74 EUR | ||
| 33 | 145446-00 | 1 | RONDEL. FISSAG. EST. | IT | ![]() |
1.54 EUR | ||
| 34 | 93314-00 | 1 | MOLLA | IT | ![]() |
1.54 EUR | ||
| 35 | 150246-00 | 1 | DISTANZIALE | IT | ![]() |
1.00 EUR | ||
| 36 | 98096-19 | 1 | SCREW.TEMP | IT | ![]() |
1.33 EUR | ||
| 37 | 148455-00 | 1 | DISTANZIALE | IT | ![]() |
1.10 EUR | ||
| 38 | N022876 | 1 | BULL. A TESTA TONDA | M6x1.0x25 NYLOCK | IT | ![]() |
1.10 EUR | |
| 39 | 148977-03 | 1 | GUARDIA SUPERIORE | IT | ![]() |
11.39 EUR | ||
| 40 | 148978-03 | 1 | COPERTURA GUARDIA | IT | ![]() |
12.67 EUR | ||
| 41 | 330045-06 | 4 | VITE | IT | ![]() |
1.00 EUR | ||
| 43 | 148453-00 | 1 | ARRESTO PULSANTE | IT | ![]() |
1.74 EUR | ||
| 44 | 21286-00 | 1 | MOLLA | IT | ![]() |
1.00 EUR | ||
| 45 | 150462-00 | 1 | DISTANZIALE | IT | ![]() |
1.10 EUR | ||
| 46 | 150690-00 | 1 | EXTENSION | IT | ||||
| 48 | 145381-00 | 1 | CUSCINETTO | IT | ![]() |
1.10 EUR | ||
| 50 | 147098-06 | 1 | ALBERINO & INGRANAG. | IT | ![]() |
12.67 EUR | ||
| 51 | 147194-00 | 1 | GUARNIZIONE | IT | ![]() |
1.00 EUR | ||
| 52 | 330045-23 | 2 | VITE | IT | ![]() |
1.00 EUR | ||
| 53 | 147046-01 | 1 | GUARDIA INFERIORE | IT | ||||
| 54 | 98102-13 | 3 | SCREW.TEMP | IT | ![]() |
1.00 EUR | ||
| 56 | 147088-00 | 1 | MANICOTTO | IT | ![]() |
1.10 EUR | ||
| 57 | 98004-17 | 1 | SCREW.TEMP | IT | ![]() |
1.10 EUR | ||
| 58 | 145341-00 | 1 | INDICE | IT | ![]() |
1.00 EUR | ||
| 59 | 148757-00 | 1 | SCREW.SPECIAL | IT | ![]() |
1.20 EUR | ||
| 60 | 330016-02 | 1 | RONDELLA | IT | ![]() |
1.00 EUR | ||
| 61 | 330045-25 | 1 | SCREW.TEMP | M6x25 MTL THD FMG | IT | ![]() |
1.10 EUR | |
| 62 | 145312-00 | 1 | SPINA | IT | ![]() |
1.10 EUR | ||
| 63 | 388496-00 | 1 | ANELLO DI TENUTA | IT | ![]() |
1.44 EUR | ||
| 64 | 150466-00 | 1 | MOLLA | IT | ![]() |
1.00 EUR | ||
| 65 | 145351-00 | 1 | ECCENTRICO | IT | ![]() |
1.00 EUR | ||
| 66 | 145349-00 | 1 | LEVA | IT | ![]() |
1.74 EUR | ||
| 67 | 145350-00 | 1 | PULSANTE | IT | ![]() |
1.10 EUR | ||
| 68 | 384127-01 | 4 | VITE | IT | ![]() |
1.00 EUR | ||
| 69 | 145301-00 | 1 | BAFFLE FAN | IT | ![]() |
1.74 EUR | ||
| 73 | 149005-00 | 1 | ASS. CAVETTO | IT | ![]() |
1.33 EUR | ||
| 74 | 148039-00 | 1 | ASS. CAVETTO | IT | ![]() |
1.54 EUR | ||
| 75 | 145374-00 | 1 | ASS. CAVETTO | IT | ![]() |
1.54 EUR | ||
| 76 | 149177-01 | 1 | ETICHETTA IDENTIFIC. | IT | ![]() |
1.44 EUR | ||
| 78 | 148459-00 | 1 | PIASTRA | IT | ![]() |
1.10 EUR | ||
| 79 | 98113-12 | 2 | SCREW.TEMP | IT | ![]() |
1.20 EUR | ||
| 80 | 147076-03 | 1 | LAMA CON MAN. A SQU. | IT | ![]() |
12.67 EUR | ||
| 81 | 150988-00 | 1 | BRIDA | IT | ![]() |
11.39 EUR | ||
| 82 | 145326-01 | 1 | ANELLO DI TENUTA | IT | ![]() |
1.44 EUR | ||
| 846 | 147071-05 | 1 | SQUADRA APPOGGIAPEZ. | IT | ![]() |
10.05 EUR | ||
| 848 | 148566-00 | 1 | CHIAVE INGLESE | IT | ![]() |
1.33 EUR |
* I prezzi indicati possono subire variazioni e non sono inclusivi di IVA ed eventuali spese di trasporto. Ci riserviamo la possibilità di variare i prezzi e le condizioni senza preavviso.

