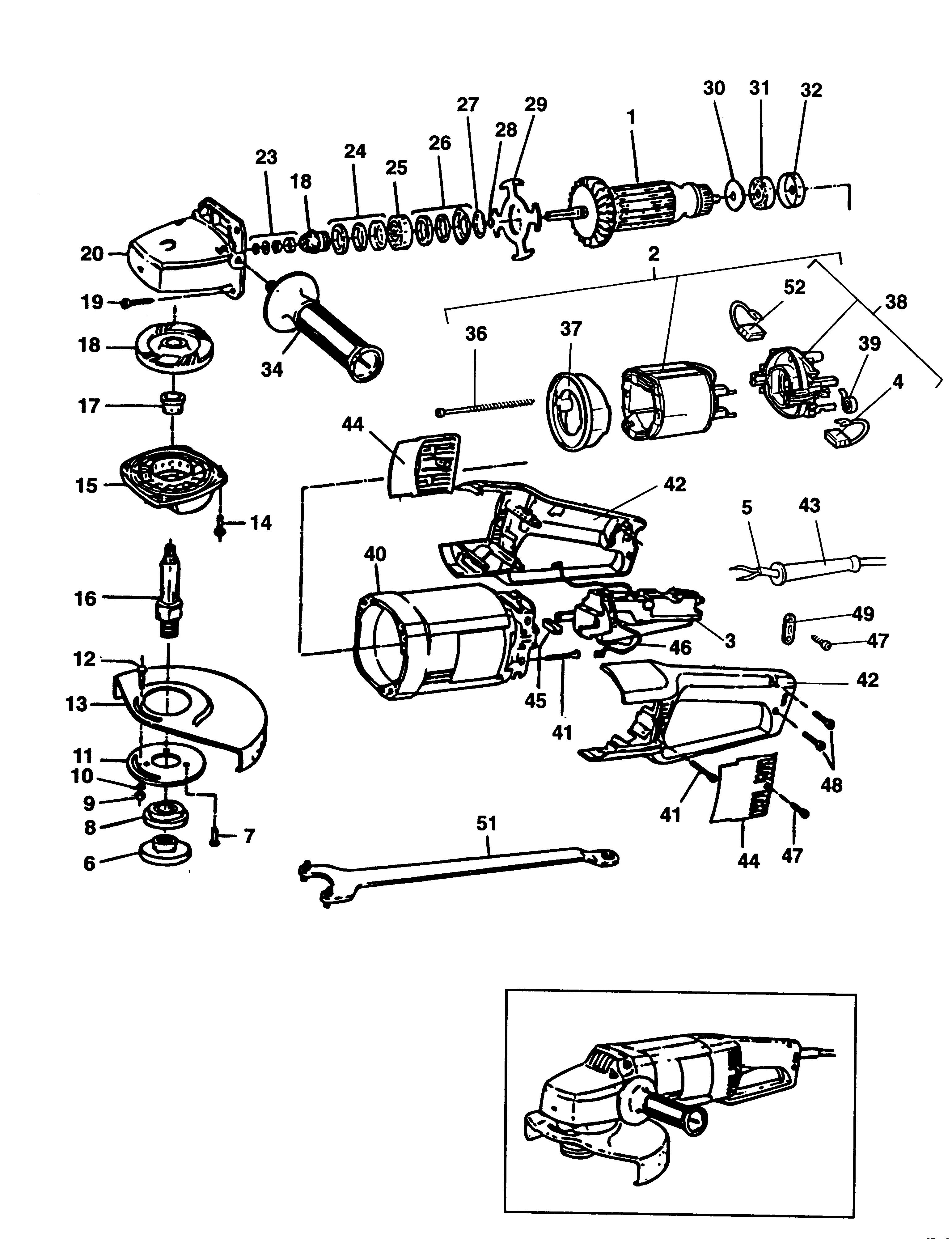
KG2023 SMERIGLIATRICE ANGOLARE Type 1 | Disegni
Documenti
Si prega di visualizzare il menu a tendina dal momento che alcuni prodotti potrebbero avere più disegni

Item No. | Product Number | Qty Per | Product Description | INFORMAZIONI | Altre informazioni | Markets | Product Status | Guida ai prezzi |
---|---|---|---|---|---|---|---|---|
1 | 931629-49 | 1 | ARMATURE 220/240V | IT | ![]() |
74.39 EUR | ||
2 | 940483-49 | 1 | FIELD 230V | IT | ![]() |
50.38 EUR | ||
3 | 933369 | 1 | INTERRUTTORE | IT | ![]() |
22.98 EUR | ||
4 | 933373-00 | 1 | SPAZZOLE | IT | ![]() |
5.54 EUR | ||
5 | 949738-14 | 1 | CAVO CON SPINA | IT | ![]() |
12.67 EUR | ||
6 | 931771 | 1 | FLANGIA | IT | ![]() |
6.05 EUR | ||
7 | 933355 | 3 | VITE | IT | ![]() |
1.00 EUR | ||
8 | 930927 | 1 | FLANGIA | IT | ![]() |
3.08 EUR | ||
9 | 860083-03 | 1 | DADO | IT | ![]() |
1.00 EUR | ||
10 | 930925 | 1 | RONDELLA | IT | ![]() |
1.20 EUR | ||
11 | 930929 | 1 | FLANGIA | IT | ![]() |
2.67 EUR | ||
12 | 949892-07 | 1 | VITE | IT | ![]() |
1.10 EUR | ||
13 | 931942-02 | 1 | GUARD 9" | IT | ![]() |
18.73 EUR | ||
14 | 949887-01 | 4 | VITE | IT | ![]() |
1.10 EUR | ||
15 | 933354-01 | 1 | COPERCHIO SCAT.INGR. | IT | ![]() |
8.52 EUR | ||
16 | 578243-00 | 1 | ALBERINO | IT | ![]() |
15.54 EUR | ||
17 | 930922 | 1 | DISTANZIALE | IT | ![]() |
1.54 EUR | ||
18 | 932522 | 1 | ASS. INGR.E PIGNONE | IT | ![]() |
32.42 EUR | ||
19 | 930930 | 4 | VITE | IT | ![]() |
1.00 EUR | ||
20 | 401048-00 | 1 | SCATOLA INGRANAGGI | IT | ![]() |
16.88 EUR | ||
23 | 937098-49 | 1 | GRAFFA SA | IT | ![]() |
2.00 EUR | ||
24 | 930909 | 1 | ASS. GIARNIZIONE | IT | ![]() |
1.54 EUR | ||
25 | 330003-14 | 1 | CUSCINETTO | IT | ![]() |
5.54 EUR | ||
26 | 931067-00 | 1 | ASS. GIARNIZIONE | IT | ![]() |
1.54 EUR | ||
27 | 931062 | 1 | DISTANZIALE | IT | 1.54 EUR | |||
28 | 930028-00 | 1 | ANELLO TOROIDALE | IT | ![]() |
1.00 EUR | ||
29 | 931066-00 | 1 | FLANGIA | IT | ![]() |
2.67 EUR | ||
30 | N174055 | 1 | DISTANZIALE | IT | ![]() |
1.10 EUR | ||
31 | 577745-00 | 1 | CUSCINETTO | IT | ![]() |
5.54 EUR | ||
32 | 938332-00 | 1 | MANICOTTO | IT | ![]() |
1.00 EUR | ||
34 | 939815 | 1 | ASS. IMPUGN. LATERAL | IT | ![]() |
3.80 EUR | ||
36 | 931072 | 2 | VITE | IT | ![]() |
1.33 EUR | ||
37 | 931073-00 | 1 | LINGUETTA DI GUIDA | IT | ![]() |
1.74 EUR | ||
38 | 935747 | 1 | ASS.PORTASPAZZOLE | IT | ![]() |
16.88 EUR | ||
39 | 931076-00 | 2 | MOLLA | IT | ![]() |
1.10 EUR | ||
40 | 948162-08 | 1 | ASS.CORPO MOTORE | IT | ![]() |
11.39 EUR | ||
41 | 931297-00 | 4 | VITE | IT | ![]() |
1.54 EUR | ||
42 | 401056-04 | 1 | ASS. IMPUGNATURA | IT | ![]() |
7.18 EUR | ||
43 | 947964-01 | 1 | CORD PROTECTOR | IT | ![]() |
2.26 EUR | ||
44 | 933364-06 | 1 | COPERTURA | IT | ![]() |
1.44 EUR | ||
45 | 930934-00 | 4 | AMMORTIZATORE | IT | ![]() |
1.00 EUR | ||
46 | 949801-47 | 2 | ASS. CAVETTO | IT | ![]() |
1.20 EUR | ||
47 | 931469-02 | 4 | VITE | IT | ![]() |
1.00 EUR | ||
48 | 930284-01 | 2 | VITE | IT | ![]() |
1.00 EUR | ||
49 | 931477-00 | 1 | SERRAFILO | IT | ![]() |
1.00 EUR | ||
51 | 938733 | 1 | CHIAVE | IT | ![]() |
5.54 EUR | ||
52 | 940160-03 | 1 | BRUSH CUT OFF 230V | IT | ![]() |
6.05 EUR |
* I prezzi indicati possono subire variazioni e non sono inclusivi di IVA ed eventuali spese di trasporto. Ci riserviamo la possibilità di variare i prezzi e le condizioni senza preavviso.