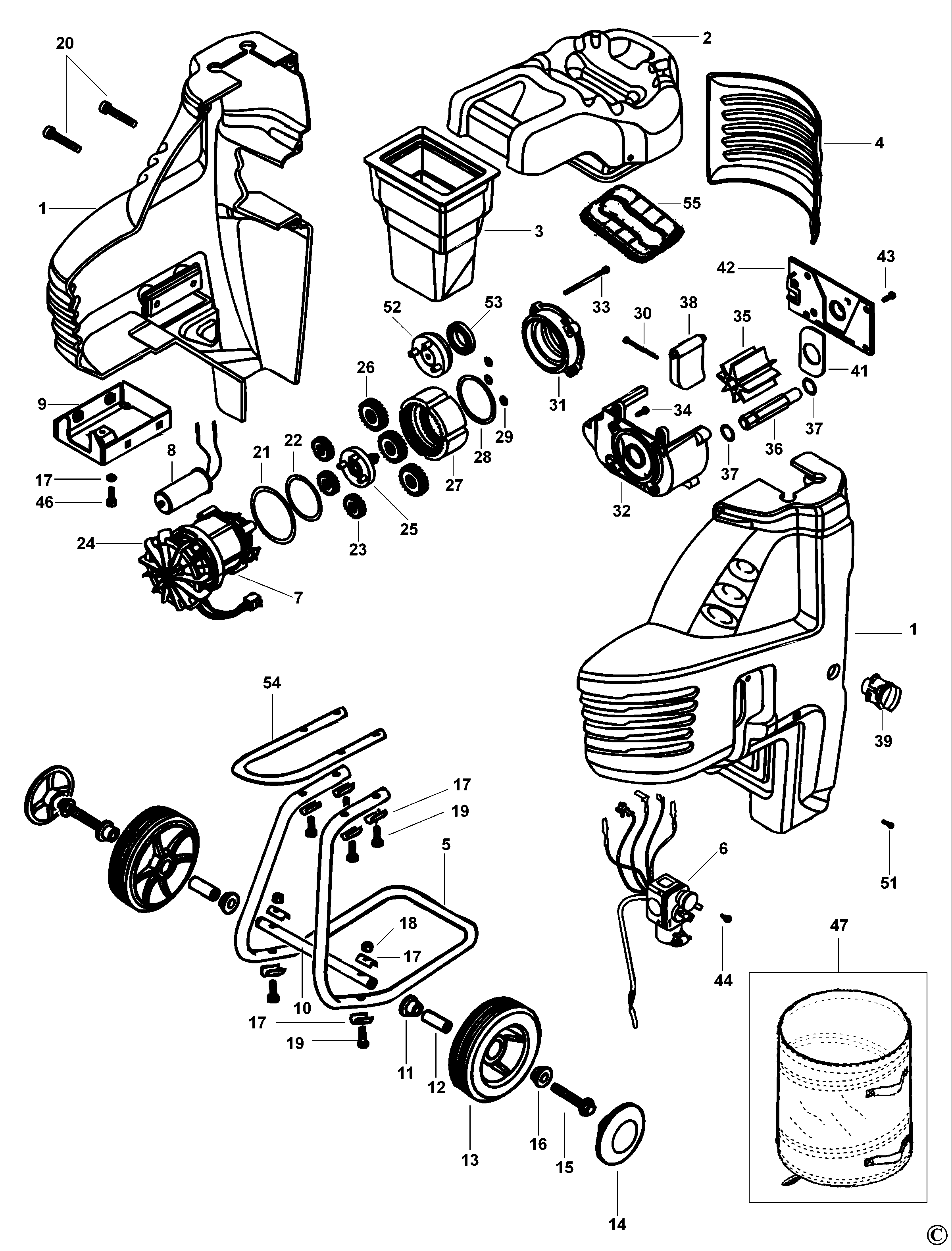
GS2200 TRITURATORE Type 1 | Disegni
Documenti
Si prega di visualizzare il menu a tendina dal momento che alcuni prodotti potrebbero avere più disegni
| Item No. | Product Number | Qty Per | Product Description | INFORMAZIONI | Altre informazioni | Markets | Product Status | Guida ai prezzi |
|---|---|---|---|---|---|---|---|---|
| 1 | 596227-00 | 1 | ASS. CORPO | QS | ||||
| 2 | 596064-00 | 1 | MANICO SUPERIORE | QS | ![]() |
25.24 EUR | ||
| 3 | 596229-00 | 1 | SCIVOLO | QS | ![]() |
|||
| 4 | 596230-00 | 1 | COPERTURA | QS | ![]() |
|||
| 5 | 596231-00 | 1 | SUPPORTO PIEDI | QS | ||||
| 6 | 596233-00 | 1 | SWITCHBOX SA | QS | ![]() |
|||
| 7 | 596234-00 | 1 | SG MOTORE | QS | ![]() |
|||
| 8 | 596235-00 | 1 | CONDENSATORE | QS | ||||
| 9 | 596066-00 | 1 | STAFFA DI MONTAGGIO | QS | ![]() |
34.06 EUR | ||
| 10 | 596237-00 | 1 | ASSE | QS | ![]() |
|||
| 11 | 596238-00 | 2 | GUAINA ISOLANTE | QS | ![]() |
1.54 EUR | ||
| 12 | 596239-00 | 2 | MANICOTTO | QS | ![]() |
1.74 EUR | ||
| 13 | 596240-00 | 2 | RUOTA | QS | ||||
| 14 | 596241-00 | 2 | COPERTURA | QS | ![]() |
|||
| 15 | 596242-00 | 2 | BULLONE | QS | ![]() |
1.54 EUR | ||
| 16 | 596238-00 | 2 | GUAINA ISOLANTE | QS | ![]() |
1.54 EUR | ||
| 17 | 596243-00 | 8 | RONDELLA DI BLOCC. | QS | ![]() |
1.54 EUR | ||
| 18 | 596244-00 | 2 | DADO | QS | ![]() |
|||
| 19 | 596242-00 | 4 | BULLONE | QS | ![]() |
1.54 EUR | ||
| 20 | 596245-00 | 10 | BULLONE | QS | ![]() |
|||
| 21 | 596246-00 | 1 | RONDELLA DI SPINTA | QS | ![]() |
|||
| 22 | 596247-00 | 1 | RONDELLA ISOLANTE | QS | ![]() |
|||
| 23 | 596248-00 | 3 | ASS. INGRANAGGI | QS | ||||
| 24 | 596129-00 | 1 | VENTOLA | QS | ![]() |
14.00 EUR | ||
| 25 | 596250-00 | 1 | ASS INGRANAGG. DI RINVIO | QS | ![]() |
|||
| 26 | 596251-00 | 3 | ASS. INGRANAGGI | QS | ![]() |
12.67 EUR | ||
| 27 | 596252-00 | 1 | SCAT. INGRANAGG | QS | ||||
| 28 | 596253-00 | 1 | RONDELLA ISOLANTE | QS | ![]() |
|||
| 29 | 596254-00 | 3 | RONDELLA DI SPINTA | QS | ![]() |
|||
| 30 | 596532-00 | 1 | BULLONE | M10 X 75 | QS | ![]() |
11.39 EUR | |
| 31 | 596255-00 | 1 | PEZZO FUSO | QS | ![]() |
|||
| 32 | 596256-00 | 1 | PEZZO FUSO | QS | ![]() |
|||
| 33 | 596257-00 | 4 | BULLONE | QS | ![]() |
|||
| 34 | 596258-00 | 4 | BULLONE | QS | ||||
| 35 | 596259-00 | 1 | BLADE.SHREDDING | QS | ||||
| 36 | 596260-00 | 1 | ALBERO TRASMISSIONE | QS | ![]() |
|||
| 37 | 596261-00 | 2 | ANELLO TOROIDALE | QS | ![]() |
|||
| 38 | 596262-00 | 1 | PIANO A CERNIERA | QS | ||||
| 39 | 596249-00 | 1 | REGOLATORE | QS | ||||
| 41 | 596263-00 | 2 | PIASTRINA DI SPINTA | QS | ![]() |
|||
| 42 | 596264-00 | 1 | PIASTRA DI COPERTURA | QS | ||||
| 43 | 596265-00 | 4 | BULLONE | QS | ![]() |
|||
| 44 | 596266-00 | 4 | VITE | QS | ![]() |
|||
| 46 | 596267-00 | 4 | BULLONE | QS | ![]() |
|||
| 47 | 596268-00 | 1 | ASS.SACCHETTO | QS | ![]() |
|||
| 51 | 596269-00 | 11 | VITE | QS | ![]() |
|||
| 52 | 596270-00 | 1 | ASS INGRANAGG. DI RINVIO | QS | ![]() |
|||
| 53 | 596271-00 | 1 | CUSCINETTO | QS | ![]() |
|||
| 54 | 596272-00 | 1 | MANICOTTO | QS | ||||
| 55 | 596065-00 | 1 | FLANGIA | QS | ![]() |
* I prezzi indicati possono subire variazioni e non sono inclusivi di IVA ed eventuali spese di trasporto. Ci riserviamo la possibilità di variare i prezzi e le condizioni senza preavviso.
