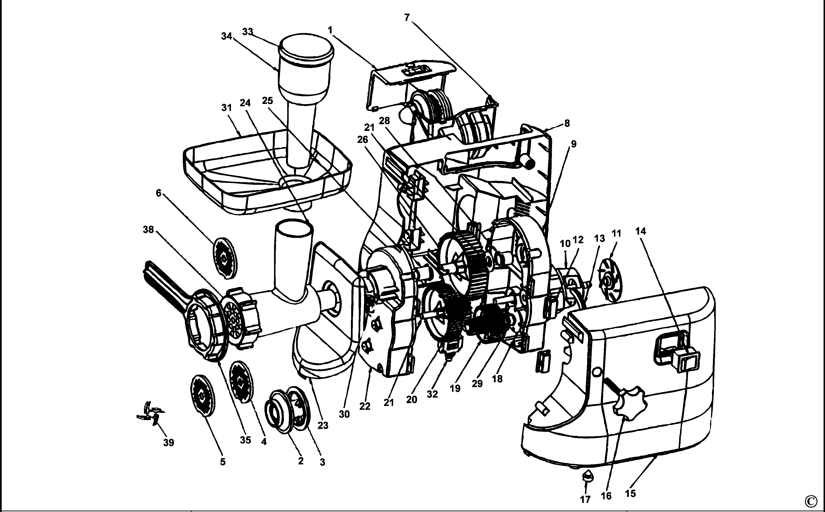
FM1300 TRITATUTTO Type 1 | Disegni
Documenti
Si prega di visualizzare il menu a tendina dal momento che alcuni prodotti potrebbero avere più disegni
| Item No. | Product Number | Qty Per | Product Description | INFORMAZIONI | Altre informazioni | Markets | Product Status | Guida ai prezzi |
|---|---|---|---|---|---|---|---|---|
| 1 | 6010024-01 | 1 | COPERTURA | COMPARTMENT COVER | FM1300-1 | XJ | ||
| 2 | 6010024-02 | 1 | ACCESSORIO | KUBBE ATTACHMENT, FR | FM1300-2 | XJ | ||
| 3 | 6010024-03 | 1 | ACCESSORIO | KUBBE ATTACHMENT, RE | FM1300-3 | XJ | ||
| 4 | 6010024-04 | 1 | LAMA | FM1300-4 | XJ | |||
| 5 | 6010024-05 | 1 | LAMA | FM1300-5 | XJ | ![]() |
||
| 6 | 6010024-06 | 1 | LAMA | FM1300-6 | XJ | |||
| 7 | 6010024-07 | 1 | COPERTURA | COMPARTMENT | FM1300-7 | XJ | ||
| 8 | 6010024-08 | 1 | CORPO SINISTRO | LEFT HOUSING | FM1300-8 | XJ | ||
| 9 | 6010024-09 | 1 | SCATOLA INGRANAGGI | FM1300-9 | XJ | ![]() |
||
| 10 | 6010024-10 | 1 | SG MOTORE | FM1300-10 | XJ | ![]() |
||
| 11 | 6010024-11 | 1 | VENTOLA | FM1300-11 | XJ | ![]() |
||
| 12 | 6010024-12 | 1 | TAMPONE | FM1300-12 | XJ | |||
| 13 | 6010024-13 | 1 | TAMPONE | VIBRATION PAD, MOTOR | FM1300-13 | XJ | ||
| 14 | 6010024-14 | 1 | INTERRUTTORE | FM1300-14 | XJ | |||
| 15 | 6010024-15 | 1 | CORPO DESTRO | RIGHT HOUSING | FM1300-15 | XJ | ||
| 16 | 6010024-16 | 1 | ASS. MANOPOLA | FM1300-16 | XJ | ![]() |
||
| 17 | 6010024-17 | 1 | PIEDE | FM1300-17 | XJ | |||
| 18 | 6010024-18 | 1 | RONDELLA | WASHER, HELIX GEAR | FM1300-18 | XJ | ||
| 19 | 6010024-19 | 1 | INGRANAGGI | FM1300-19 | XJ | ![]() |
||
| 20 | 6010024-20 | 1 | INGRANAGGI | INTERMEDIATE GEAR | FM1300-20 | XJ | ||
| 21 | 6010024-21 | 1 | ALBERO | FM1300-21 | XJ | |||
| 22 | 6010024-22 | 1 | SCATOLA INGRANAGGI | FM1300-22 | XJ | ![]() |
||
| 23 | 6010024-23 | 1 | DADO | FM1300-23 | XJ | |||
| 24 | 6010024-24 | 1 | BODY | FM1300-24 | XJ | ![]() |
||
| 25 | 6010024-25 | 1 | BOCCOLA | FM1300-25 | XJ | |||
| 26 | 6010024-26 | 1 | INGRANAGGI | FM1300-26 | XJ | ![]() |
||
| 28 | 6010024-28 | 1 | BOCCOLA | FM1300-28 | XJ | |||
| 29 | 6010024-29 | 1 | BOCCOLA | FM1300-29 | XJ | |||
| 30 | 6010024-30 | 1 | COPERTURA | FRONT COVER (PLASTIC | FM1300-30 | XJ | ||
| 31 | 6010024-31 | 1 | BOWL | FM1300-31 | XJ | |||
| 32 | 6010024-32 | 1 | INTERR. AUTOMATICO | FM1300-32 | XJ | |||
| 33 | 6010024-33 | 1 | COPERTURA | PLUG COVER | FM1300-33 | XJ | ||
| 34 | 6010024-34 | 1 | SPINGICIBO | FM1300-34 | XJ | |||
| 35 | 6010024-35 | 1 | CHIAVE | FM1300-35 | XJ | |||
| 38 | 6010024-38 | 1 | DADO | FM1300-38 | XJ | |||
| 39 | 6010024-39 | 1 | LAMA | XJ | ![]() |
* I prezzi indicati possono subire variazioni e non sono inclusivi di IVA ed eventuali spese di trasporto. Ci riserviamo la possibilità di variare i prezzi e le condizioni senza preavviso.
