Filtra i risultati

Ricerca rapida delle parti di ricambio

Inserisci il numero o il nome della parte.

Passo dopo passo

Cerca il tuo utensile passo dopo passo.

Ricerca catalogo

Sfoglia il nostro catalogo

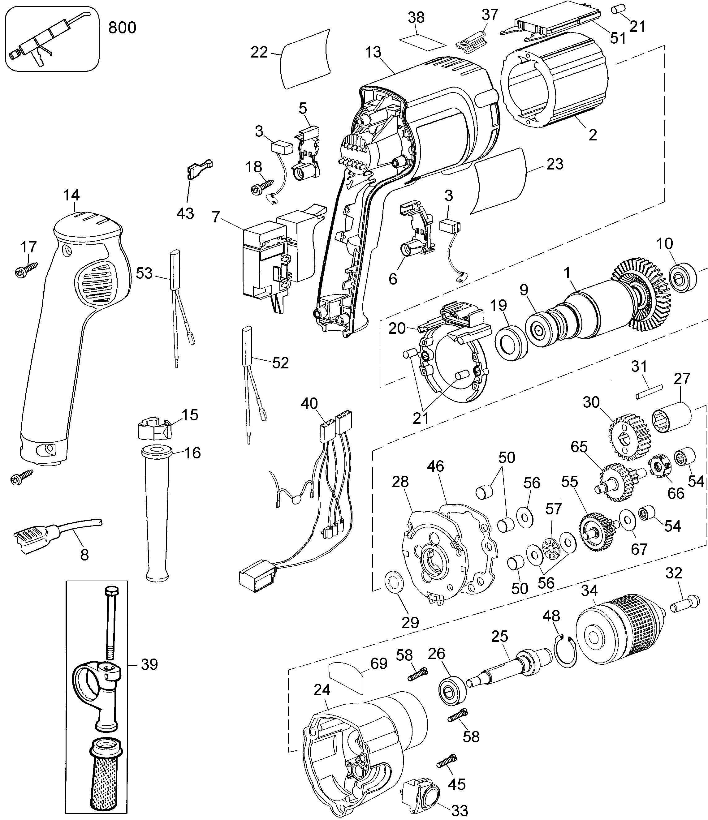
DW248 | TRAPANO Type A1

Dettagli generali

Identificatore tipo A1
Stato Discontinued
Stato istruzioni di riparazione Repair
Ultima data di produzione

Specifiche tecniche

Attributo tecnico Valore Unità Codice