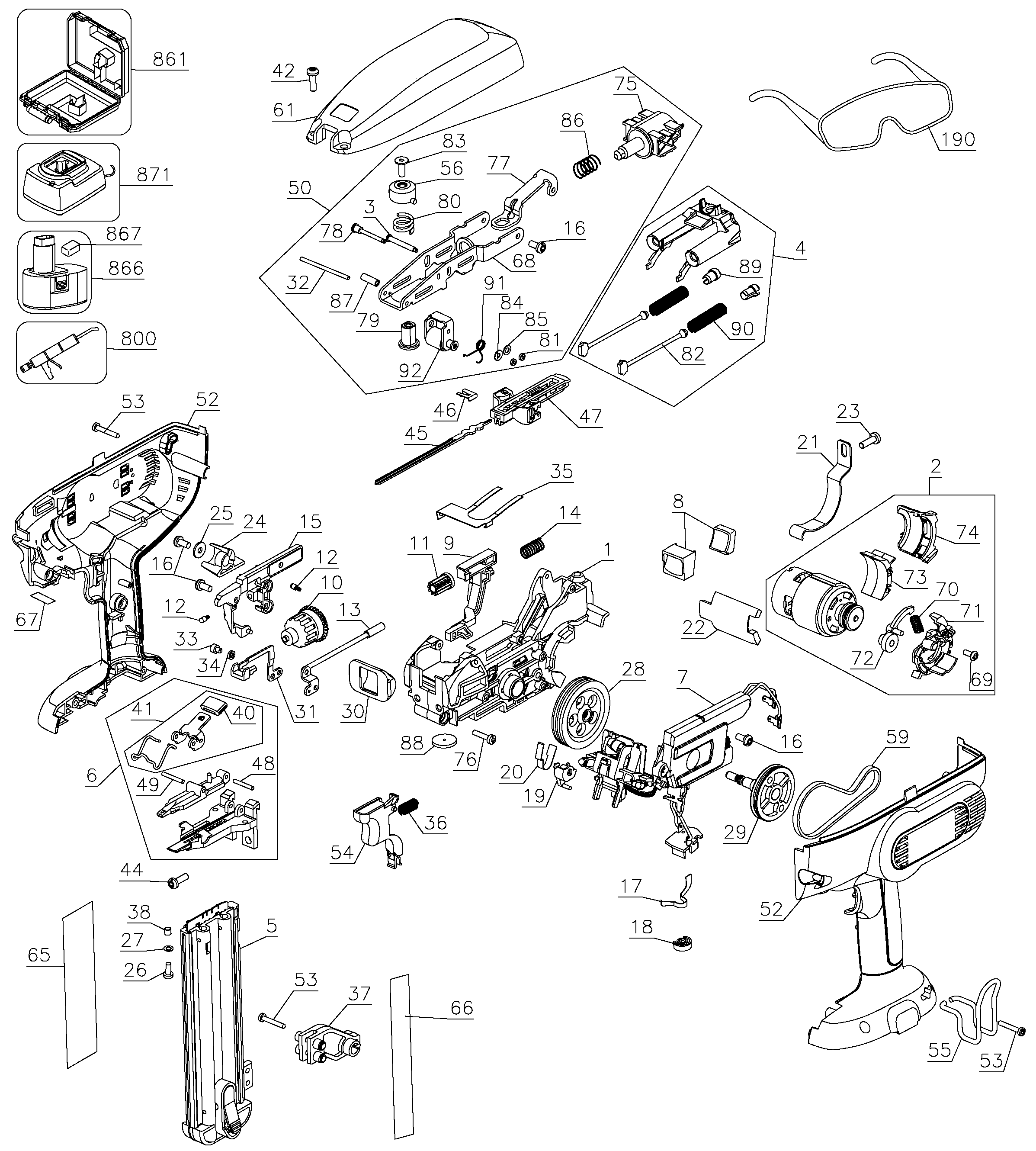
DC608K 18V NAILER Type 1 | Disegni
Documenti
Si prega di visualizzare il menu a tendina dal momento che alcuni prodotti potrebbero avere più disegni
| Item No. | Product Number | Qty Per | Product Description | INFORMAZIONI | Altre informazioni | Markets | Product Status | Guida ai prezzi |
|---|---|---|---|---|---|---|---|---|
| 1 | 631990-00SV | 1 | BACKBONE ASSEMBLY | Incl. 35 | XJ | |||
| 2 | 647712-00SV | 1 | MOTOR & PINION ASSY | Incl. 69-73 | XJ | |||
| 3 | 633207-00 | 1 | PERNO | XJ | ![]() |
1.20 EUR | ||
| 4 | 648024-00SV | 1 | ASS DEL DISPOSITIVO DI RITONO | XJ | ![]() |
25.24 EUR | ||
| 5 | 646665-00 | 1 | ASS. CARICATORE | XJ | ![]() |
46.07 EUR | ||
| 6 | 646666-00 | 1 | ASS. PUNTA | XJ | ![]() |
41.96 EUR | ||
| 7 | N010050 | 1 | S/G MODULO CONTROLLO | XJ | ![]() |
83.62 EUR | ||
| 8 | 613869-00SV | 1 | PARACOLPI | upper bumper | XJ | |||
| 9 | 637597-00 | 1 | CONTATTO | XJ | ![]() |
3.08 EUR | ||
| 10 | 637596-00 | 1 | MANOPOLA | XJ | ![]() |
2.26 EUR | ||
| 11 | 637599-00 | 1 | PIGNONE | XJ | ![]() |
2.67 EUR | ||
| 12 | 326467-00 | 2 | DENTE DI ARRESTO | XJ | ![]() |
1.10 EUR | ||
| 13 | N002689 | 1 | CONTACT TRIP | XJ | ||||
| 14 | 644507-00 | 1 | MOLLA | XJ | 2.87 EUR | |||
| 15 | N009890 | 1 | COPERTURA | XJ | ||||
| 16 | 613619-03 | 10 | VITE | XJ | ![]() |
1.10 EUR | ||
| 17 | 638317-00 | 1 | COLLEGAMENTO | XJ | ![]() |
1.44 EUR | ||
| 18 | 639070-00 | 1 | HUB | XJ | ![]() |
1.20 EUR | ||
| 19 | 639246-00 | 1 | COLLEGAMENTO | XJ | ![]() |
1.20 EUR | ||
| 20 | 639247-00 | 1 | MOLLA | XJ | ![]() |
1.44 EUR | ||
| 21 | 638678-00 | 1 | NASTRO | XJ | ![]() |
1.44 EUR | ||
| 22 | 640432-00 | 1 | TAMPONE | XJ | ![]() |
1.54 EUR | ||
| 23 | 609932-01 | 1 | VITE | XJ | ![]() |
1.10 EUR | ||
| 24 | 641296-00 | 1 | PALA | XJ | ![]() |
2.36 EUR | ||
| 25 | 651644-00 | 1 | RONDELLA | XJ | ![]() |
1.00 EUR | ||
| 26 | 330045-69 | 2 | VITE | M4 X 10 T20 | XJ | ![]() |
1.33 EUR | |
| 27 | 398218-00 | 2 | RONDELLA | PLAIN 4 X 8 | XJ | ![]() |
1.00 EUR | |
| 28 | 631987-00 | 1 | VOLANO | XJ | ![]() |
20.52 EUR | ||
| 28 | 631987-00 | 1 | VOLANO | XJ | ![]() |
20.52 EUR | ||
| 29 | 631995-00 | 1 | ASS. PULEGGIA | XJ | ![]() |
7.18 EUR | ||
| 30 | 90641347 | 1 | PARACOLPI | XJ | ![]() |
3.08 EUR | ||
| 31 | 646254-00 | 1 | CONTATTO | XJ | ![]() |
2.87 EUR | ||
| 32 | 330041-61 | 1 | ALBERINO RULLO | XJ | ![]() |
1.33 EUR | ||
| 33 | 330045-68 | 1 | VITE | XJ | ![]() |
1.10 EUR | ||
| 34 | 098197-03 | 1 | RONDELLA DENTATA | XJ | ||||
| 35 | 650225-00 | 1 | PIASTRA | XJ | ![]() |
1.74 EUR | ||
| 36 | 653099-00 | 1 | MOLLA | XJ | ![]() |
2.00 EUR | ||
| 37 | 639696-00 | 1 | CONNETTORE | XJ | ![]() |
2.36 EUR | ||
| 38 | 395505-00 | 2 | BOCCOLA | XJ | ![]() |
1.20 EUR | ||
| 40 | 395093-00 | 1 | GANASCIA | XJ | ![]() |
1.44 EUR | ||
| 41 | 607178-00 | 1 | CHIAVISTELLO | XJ | ![]() |
5.54 EUR | ||
| 42 | 609932-01 | 3 | VITE | XJ | ![]() |
1.10 EUR | ||
| 44 | 613619-02 | 2 | VITE | XJ | ![]() |
1.33 EUR | ||
| 45 | 635241-00 | 1 | ASS. LAMA | XJ | ![]() |
12.67 EUR | ||
| 46 | 392206-00 | 1 | GRAFFA | XJ | ![]() |
1.33 EUR | ||
| 47 | 632232-00 | 1 | PROFILO | XJ | ![]() |
29.65 EUR | ||
| 48 | 330036-24 | 1 | VITE | XJ | ![]() |
1.00 EUR | ||
| 49 | 330036-22 | 1 | VITE | XJ | ![]() |
1.10 EUR | ||
| 50 | N391356 | 1 | AVVOLGIMENTO | XJ | ![]() |
39.81 EUR | ||
| 52 | 648060-00 | 1 | ASS. CORPO | XJ | ![]() |
20.52 EUR | ||
| 53 | 330019-05 | 8 | VITE | XJ | ![]() |
1.00 EUR | ||
| 54 | 640344-00 | 1 | GRILLETTO | XJ | ![]() |
1.44 EUR | ||
| 55 | 632382-00 | 1 | GANCIO | XJ | ![]() |
4.87 EUR | ||
| 56 | 644209-00 | 1 | MOLLA | XJ | ![]() |
4.87 EUR | ||
| 59 | 650935-00 | 1 | TRASMISS. A CINGHIA | XJ | ![]() |
6.05 EUR | ||
| 61 | 639123-00 | 1 | COPERTURA | XJ | ![]() |
11.39 EUR | ||
| 65 | N050559 | 1 | SCHEDA | XJ | ![]() |
1.33 EUR | ||
| 66 | 623351-00 | 1 | ETICHETTA | XJ | ![]() |
1.33 EUR | ||
| 67 | 632383-00 | 1 | ETICHETTA | XJ | ![]() |
1.33 EUR | ||
| 68 | 633206-00 | 1 | CARRELLO | XJ | ![]() |
7.18 EUR | ||
| 69 | 330045-05 | 2 | VITE | XJ | ![]() |
1.00 EUR | ||
| 70 | 639189-00 | 1 | MOLLA | XJ | ![]() |
1.00 EUR | ||
| 71 | 639186-00 | 1 | TRANSMISSION ASSEMBLY | XJ | ![]() |
2.26 EUR | ||
| 72 | 647713-00SV | 1 | DISPOSITIVO DI RINVIO | XJ | ||||
| 73 | 640444-00 | 1 | GUIDA | XJ | ![]() |
1.74 EUR | ||
| 74 | 640455-00 | 1 | GUIDA | XJ | ![]() |
1.20 EUR | ||
| 75 | 633021-00 | 1 | AVVOLGIMENTO | 18 volt | XJ | ![]() |
12.67 EUR | |
| 76 | 613619-00 | 5 | VITE | XJ | ![]() |
1.10 EUR | ||
| 77 | 644206-00 | 1 | MOLLA | XJ | ![]() |
2.26 EUR | ||
| 78 | 638872-00 | 1 | PERNO | XJ | ![]() |
1.20 EUR | ||
| 79 | 644205-00 | 1 | PALO | XJ | ![]() |
2.36 EUR | ||
| 80 | 644213-00 | 1 | MOLLA | XJ | ![]() |
1.20 EUR | ||
| 81 | 391814-00 | 2 | ANELLO DI TENUTA | XJ | ![]() |
1.10 EUR | ||
| 82 | 392243-00 | 2 | NASTRO | XJ | ![]() |
3.80 EUR | ||
| 83 | N001440 | 1 | VITE | XJ | ![]() |
2.67 EUR | ||
| 84 | 330016-26 | 1 | RONDELLA | XJ | ![]() |
1.00 EUR | ||
| 85 | 330016-25 | 1 | RONDELLA | XJ | ![]() |
1.00 EUR | ||
| 86 | 644210-00 | 1 | MOLLA | XJ | ![]() |
1.00 EUR | ||
| 87 | 645151-00 | 1 | MANICOTTO | XJ | ![]() |
1.33 EUR | ||
| 88 | 624913-00 | 1 | DISCO | XJ | ![]() |
1.20 EUR | ||
| 89 | 392242-00 | 2 | ARRESTO | XJ | ![]() |
1.20 EUR | ||
| 90 | 392236-02 | 2 | MOLLA | XJ | ![]() |
1.10 EUR | ||
| 91 | N009845 | 1 | MOLLA DI TORSIONE | XJ | ![]() |
1.33 EUR | ||
| 92 | 647895-00SV | 1 | CARRIER ASSY. | XJ | ||||
| 99 | N015371 | 1 | ETICHETTA | XJ | ![]() |
1.33 EUR | ||
| 190 | 629042-01 | 1 | OCCHIALI DI SICUREZZA | XJ | ![]() |
7.18 EUR | ||
| 800 | 5140024-25 | 1 | GRASSO | XJ | ![]() |
135.43 EUR | ||
| 861 | 650354-00 | 1 | CASS.PORTA ATTREZZI | XJ | ![]() |
37.96 EUR | ||
| 866 | DE9096 | 1 | BATTERY 18V - 2.4AH | Ni-Cad | not included with unit | XJ | ||
| 867 | 645221-00 | 1 | CALOTTA | not included with unit | XJ | ![]() |
1.00 EUR | |
| 871 | DE9116 | 1 | CARICABATTERIA 7.2V - 18V | Ni-Cad - NiMH - 1 hr | not included with unit | XJ |
* I prezzi indicati possono subire variazioni e non sono inclusivi di IVA ed eventuali spese di trasporto. Ci riserviamo la possibilità di variare i prezzi e le condizioni senza preavviso.

